Выбор схемы включения
На практике применяют разные инженерные решения. В частности, для подключения светодиодных светильников производители предлагают импульсные источники питания. Эти устройства выполняют свои функции с помощью частотного преобразования и модуляции сигнала. Для управления ключом устанавливают микросхемы. Для дозированного накопления энергии используют дроссель.
Импульсный стабилизатор тока
Для упрощения в данной статье рассмотрена линейная стабилизация. Устройства, созданные по этой схеме, не создают сильные электромагнитные помехи. В этом – главное отличие от импульсных аналогов.
Схема параметрического стабилизатора
Схема, объясняющая процесс стабилизации опорного напряжения, будет основной для параметрических моделей. Делитель напряжения прибора представляет собой балластный резистор и стабилитрон с параллельным сопротивлением нагрузки. При колебании номинала напряжения питания и токовой нагрузки стабилизируется напряжение.
Если данный показатель возрастает на входе, увеличивается ток, проходящий через стабилитрон и резистор. Благодаря вольт-амперным показателям номинал стабилитрона почти не меняется, как и напряжение сопротивления нагрузки. Все колебания касаются только резистора.
Скачать печатную плату стабилизатора на LM317
Достоинства данного стабилизатора.
- простота в изготовлении
- надежность
- дешевизна
- доступность компонентов
Недостатки
- низкий КПД.
- необходимость использования массивных радиаторов.
- не смотря на компактность самой платы. Размеры стабилизатора с радиатором достаточно внушительного размера.
Для изготовления данного устройства Вам понадобится:
- Стабилизатор LM317 -1шт.
- Транзистор КТ818 -1шт. в пластиковом корпусе (TO-220)
- Диод КД522 или аналогичный -1шт.
- Резистор R1 -47ОМ желательно от 1Вт -1шт.
- Резистор R3 220Ом от 0.25 Вт -1шт.
- Переменный резистор линейный — 5кОм -1шт.
- Конденсатор электролитический 1000мФ от 50В -1шт.
- Конденсатор электролитический 100мФ от 50В -1шт.
- Диодный мост током от 5А
Данная схема не критична к точному соблюдению номиналов радио элементов. Например резистор R1 может быть от 30 до 50 Ом, резистор R3 от 200 до 240Ом. Диод можно не ставить.
Фильтрующие конденсаторы можно поставить и большей емкостью, однако стоит учитывать, что конденсатор дает небольшой прирост по напряжению.
Транзистор КТ818 можно заменить аналогичными импортного производства 2N5193, 2N6132, 2N6469, 2N5194, 2N6246, 2N6247.
Сборка стабилизатора на LM317
Сборка стабилизатора выполняется на одностороннем стеклотекстолите и выглядит примерно так.


Диодную сборку следует выбирать исходя из максимального тока способного дать трансформатор.

Транзистор и микросхему я установил на радиатор через изолирующие прокладки. Радиатор выбрал максимально большой из имеющихся и подходящий под мой корпус. Закрепил его двумя болтами к нижней крышке корпуса.

На радиатор установил кулер от старой видеокарты, для более эффективного охлаждения. В верхней и задней крышке просверлил вентиляционные отверстия.

У выбранного мной трансформатора для стабилизатора на LM317 только одна вторичная обмотка на 27В. По этому для питания вольтметра и вентилятора я использовал плату от зарядного устройства мобильного телефона. Она выдает напряжение 5В и ток до 900мА.

Готовый блок питания выглядит так.


Регулируемый блок питания своими руками
Блок питания необходимая вещь для каждого радиолюбителя, потому, что для питания электронных самоделок нужен регулируемый источник питания со стабилизированным выходным напряжением от 1.2 до 30 вольт и силой тока до 10А, а также встроенной защитой от короткого замыкания. Схема изображенная на этом рисунке построена из минимального количества доступных и недорогих деталей.

Микросхема LM317 является регулируемым стабилизатором напряжения со встроенной защитой от короткого замыкания. Стабилизатор напряжения LM317 рассчитан на ток не более 1.5А, поэтому в схему добавлен мощный транзистор MJE13009 способный пропускать через себя реально большой ток до 10А, если верить даташиту максимум 12А. При вращении ручки переменного резистора Р1 на 5К изменяется напряжения на выходе блока питания.
Так же имеется два шунтирующих резистора R1 и R2 сопротивлением 200 Ом, через них микросхема определяет напряжение на выходе и сравнивает с напряжением на входе. Резистор R3 на 10К разряжает конденсатор С1 после отключения блока питания. Схема питается напряжением от 12 до 35 вольт. Сила тока будет зависеть от мощности трансформатора или импульсного источника питания.
А эту схему я нарисовал по просьбе начинающих радиолюбителей, которые собирают схемы навесным монтажом.

Сборку желательно выполнять на печатной плате, так будет красиво и аккуратно.

Печатная плата сделана под импортные транзисторы, поэтому если надо поставить советский, транзистор придется развернуть и соединить проводами. Транзистор MJE13009 можно заменить на MJE13007 из советских КТ805, КТ808, КТ819 и другие транзисторы структуры n-p-n, все зависит от тока, который вам нужен. Силовые дорожки печатной платы желательно усилить припоем или тонкой медной проволокой. Стабилизатор напряжения LM317 и транзистор надо установить на радиатор с достаточной для охлаждения площадью, хороший вариант это, конечно радиатор от компьютерного процессора.
Желательно прикрутить туда и диодный мост. Не забудьте изолировать LM317 от радиатора пластиковой шайбой и тепло проводящей прокладкой, иначе произойдет большой бум. Диодный мост можно ставить практически любой на ток не менее 10А. Лично я поставил GBJ2510 на 25А с двойным запасом по мощности, будет в два раза холоднее и надёжнее.

А теперь самое интересное… Испытания блока питания на прочность.
Регулятор напряжения я подключил к источнику питания с напряжением 32 вольта и выходным током 10А. Без нагрузки падение напряжения на выходе регулятора всего 3В. Потом подключил две последовательно соединенные галогеновые лампы H4 55 Вт 12В, нити ламп соединил вместе для создания максимальной нагрузки в итоге получилось 220 Вт. Напряжение просело на 7В, номинальное напряжение источника питания было 32В. Сила тока потребляемая четырьмя нитями галогеновых ламп составила 9А.

Радиатор начал быстро нагреваться, через 5 минут температура поднялась до 65С°. Поэтому при снятии больших нагрузок рекомендую поставить вентилятор. Подключить его можно по этой схеме. Диодный мост и конденсатор можно не ставить, а подключить стабилизатор напряжения L7812CV напрямую к конденсатору С1 регулируемого блока питания.

Что будет с блоком питания при коротком замыкании?
При коротком замыкании напряжение на выходе регулятора снижается до 1 вольта, а сила тока равна силе тока источника питания в моем случае 10А. В таком состоянии при хорошем охлаждении блок может находится длительное время, после устранения короткого замыкания напряжение автоматически восстанавливается до заданного переменным резистором Р1 предела. Во время 10 минутных испытаний в режиме короткого замыкания ни одна деталь блока питания не пострадала.
Радиодетали для сборки регулируемого блока питания на LM317
Друзья, желаю вам удачи и хорошего настроения! До встречи в новых статьях!
Рекомендую посмотреть видеоролик о том, как сделать регулируемый блок питания своими руками
Походы к выбору стабилизатора
Перечень параметров, по которым выбирают стабилизаторы, обязательно включает:
- мощность нагрузки или отдаваемый номинальный ток;
- выходное напряжение;
- тип сети (однофазная – трехфазная).
Большую помощь окажет информация о стабильности сети, уровне импульсных помех в ней.
При определении номинальной мощности суммируют мощности всех потребителей защищаемой сети. Для оценки мощности номинальной нагрузки токовую нагрузочную способность входного автомата умножают на 220 В.
При прочих равных условиях выбирают однофазные модели линейных стабилизаторов, учитывают, что модульные конструкции более удобны в обслуживании.
Учитывают эстетические параметры и количество выходных розеток, рисунок 5.
Рис.5. Вариант исполнения однофазного стабилизатора
Окончательный выбор целесообразно выполнять с учетом производителя и места изготовления. Для определения качества техники юго-восточного производства, выпускаемой без контроля со стороны ведущих западных компаний, имеет смысл изучить профильные форумы. Такой подход позволяет сделать адекватный вывод о качестве прибора.
Кроме технических параметров обязательно принимают во внимание доступность сервисного обслуживания. Следует учесть, что в продаже имеется большой выбор 220-вольтовых однофазных и 380-вольтовых трехфазных устройств. Стабилизаторы с широким диапазоном регулировки и выходным напряжением других номиналов часто поставляются под заказ
Стабилизаторы с широким диапазоном регулировки и выходным напряжением других номиналов часто поставляются под заказ
Следует учесть, что в продаже имеется большой выбор 220-вольтовых однофазных и 380-вольтовых трехфазных устройств. Стабилизаторы с широким диапазоном регулировки и выходным напряжением других номиналов часто поставляются под заказ.
Заключение.
Промышленность выпускает широкую гамму бытовых стабилизаторов напряжения, что позволяет произвести выбор конкретной модели устройства с учетом конкретной области применения.
Массовый характер рынка стабилизаторов определяет большое количество работающих на нем производящих предприятий, предлагающих свою продукцию через партнерскую сеть. Поэтому перед покупкой следует выполнить тщательный многокритериальный отбор продукта.
Принцип работы стабилизаторов
Различные типы стабилизаторов напряжения
Принцип функционирования зависит от типа оборудования. Для выделения общих моментов целесообразно рассмотреть конструкцию. Прибор состоит из таких элементов:
Новости СМИ2
- Система управления. Позволяет отслеживать вольтаж на выходе, доводя его до стабильного показателя 220 В. Оборудование работает с погрешностью 10-15 %.
- Автоматический трансформатор. Имеется у релейных, симисторных, сервомоторных модификаций. Повышает или понижает номинал напряжения.
- Инвертор. Механизмом из генератора, трансформатора и транзисторов оснащаются инверторные модели. Элементы через первичную обмотку могут пропускать либо выключать ток, формируя напряжение на выходе.
- Защитный блок, источник вторичного питания. Имеются у моделей, рассчитанных на 220 Вольт.
Принцип действия релейных моделей
Релейный аппарат регулирует вольтаж посредством замыкания контактов реле. Контроль параметров осуществляется с помощью микросхемы, элементы которой сравнивают сетевое напряжение с опорным. Если показатели не совпадают, от микросхем стабилизаторов напряжения поступают сигналы на понижение или повышение обмотки.
При дешевизне и компактности релейное оборудование медленно реагирует на скачки напряжения, может кратковременно выключаться, не выдерживает перегрузки.
Погрешность устройств – 5-10 %.
Как работают сервоприводные приборы
Основные узлы сервоприводного аппарата – серводвигатель и автоматический трансформатор. Если напряжение отклонилось от нормы, поступает сигнал на переключение трансформаторных от контроллера к мотору. Сравнение показателей опорного и входного вольтажа осуществляет плата управления.
Сервоприводные стабилизаторы могут регулировать нагрузку трехфазной и однофазной сети. Они отличаются стойкостью, надежностью, исправным функционированием при перегрузке.
Точность приборов – 1 %.
Принцип работы инверторных устройств
Инверторный стабилизатор регулирует напряжение по системе двойного преобразования:
- Переменный ток на входе выравнивается, пропускается через конденсаторный фильтр пульсации.
- Выпрямленный ток подается к инвертору, трансформируется в переменный и поступает на нагрузку.
Выходное напряжение остается стабильным.
Приборы с инверторами отличаются быстротой реакции, КПД от 90%, бесперебойной и бесшумной работой в диапазоне 115-300 Вольт.
Основные типы электромеханических стабилизаторов напряжения
Электромеханические стабилизаторы напряжения являются одним из основных типов стабилизаторов напряжения и работают на основе изменения сопротивления в цепи при изменении величины входного напряжения.
В зависимости от способа работы различают следующие типы электромеханических стабилизаторов напряжения:
- Тороидальные стабилизаторы напряжения — основным элементом таких стабилизаторов является тороидальный автотрансформатор. Они отличаются компактностью и малыми габаритами, а также обладают высокой эффективностью и точностью стабилизации. Такие стабилизаторы часто используются в бытовых условиях, например, для стабилизации напряжения, подаваемого на бытовые электроприборы.
- Релеавтоматические стабилизаторы напряжения — принцип работы таких стабилизаторов основан на использовании релеавтоматического устройства. Они способны быстро реагировать на изменение входного напряжения и компенсировать его, поддерживая стабильное выходное напряжение. Релеавтоматические стабилизаторы широко применяются в промышленности и технике.
- Сервомоторные стабилизаторы напряжения — в таких стабилизаторах используется сервомотор, который управляет регулировкой выходного напряжения. Они обладают высоким коэффициентом стабилизации и точностью поддержания напряжения на нужном уровне. Сервомоторные стабилизаторы широко применяются в медицинской и научной технике, а также в качестве резервного источника питания важных электронных устройств.
Все эти типы электромеханических стабилизаторов напряжения имеют свои преимущества и области применения, и выбор конкретного типа зависит от требований и условий эксплуатации.
Одно и трехфазные
Первое что вам нужно знать при выборе, они бывают однофазными и трехфазными. Выясните какая у вас сеть. Если однофазная, как правило в квартирах и частных домах именно она преобладает, значит покупайте аппарат на 220В.
Если же у вас «трехфазка», то нужно определиться, будете вы устанавливать один 3-х фазный стабилизатор, или три однофазный. Решайте исходя из экономических соображений и условий монтажа.
Хотя целесообразнее поставить именно три однофазных. Потому что при коротком замыкании и отсутствии одной из фаз, трехфазный аппарат работать не будет, пока не восстановится питание по всем фазам. С тремя однофазными таких проблем не возникнет. Главный минус при их выборе — габаритные размеры.
Режим транзит или байпас
При выборе стабилизатора напряжение того или иного вида, проверьте имеет ли он два режима работы:
- режим стабилизации напряжения
- режим транзита или «байпас»
Со стабилизацией все понятно — это обычный режим работы. А что такое «байпас»? Это когда входное напряжение идет мимо всей электроники и трансформатора без преобразования, то есть транзитом.
Для чего он может понадобиться:
- чтобы подключить мощную технику превышающую мощность стабилизатора, запустить большой эл.двигатель. Или при необходимости поработать сваркой.
- чтобы продлить срок службы устройства
Плюс не изнашиваются внутренние щетки и реле.
Режимом байпас оснащаются стабилизаторы подключаемые через клеммные колодки. При этом они имеют два автомата, которые одновременно включить невозможно или перекидной автомат-рубильник.
Важно запомнить: не переключайте автоматы из режима стабилизации в режим байпас под нагрузкой — это может повредить стабилизатор напряжения.
Устанавливая в доме УЗО и устройства заземления обязательно нужно знать
Осуществлять заземление без зануления или УЗО запрещается. Неправильно выполненное заземление гораздо опаснее, чем использование электросети вовсе без него.
Нельзя подключать клеммы «земля» к естественному или искусственному заземлению тех электроприборов и розеток, что защищены лишь автоматами, призванными предохранять проводку от короткого замыкания в цепях фаза—фаза и фаза—нейтраль. Дело в том, что автоматы способны сработать только от тока, который в несколько раз выше их номинала. Самодельное или естественное заземление обычно обладает сопротивлением, не способным создать такие токи. Следовательно, оно не сможет произвести в течение 0,4 с (норма безопасности) защитное отключение автоматов.
К примеру, если на подстанции заземление нейтрали будет соответствовать правилам и составит 4 Ом и оборудованное в доме заземление также будет равняться 4 Ом, а в одном из подключенных к сети электрических приборов возникнет пробой, на всех корпусах, присоединенных к заземлению посредством защитных заземляющих проводников приборов возникнет опасный потенциал, равный 110 В. Если же сопротивление заземления будет выше 4 Ом, то опасное для жизни напряжение на корпусах бытовых приборов окажется еще более высоким.
Ни в коем случае нельзя подключать вывод «земля» электроприборов, розеток, а также металлических корпусов бытовых приборов к сторонним токопроводящим элементам здания и трубам.
Если возникнет пробой на корпус в бытовом приборе, который соединен с трубопроводом либо иным сторонним токопроводящим элементом, автоматы могут не сработать. В результате все токопроводящие предметы, соединенные электрически, окажутся под напряжением. В итоге может произойти массовое поражение электрическим током, чреватое летальным исходом, а также появится высокая вероятность возгорания.
Зануленная и заземленная труба может в любое время перестать быть таковой. Например, если будет проведен ее ремонт или из-за коррозии, часто возникающей в местах резьбовых соединений. Сегодня часто применяются трубы из пластика, которые не могут выполнять роль защитного проводника или естественного заземления.
Нельзя в тех домах, где установлена двухпроводная проводка, подключать вывод «земля» электрических приборов и розеток, металлических корпусов бытовых приборов к ее нейтральному проводу, т. е. запрещается занулять вывод «земля» подобных устройств.
Завод «земляной» клеммы в щит и ее зануление там, а также соединение клеммы с нейтральным проводом при помощи перемычки смертельно опасно.
Разрыв нейтрального провода может произойти в любом месте. В этом случае практически все включенные в сеть электроприборы сгорают, провода на воздушных линиях перехлестываются, фаза и нейтраль меняются местами, и, как результат, на зануленных корпусах бытовых приборов возникает опасное напряжение перекоса сети.
В том случае, когда трехпроводная проводка проведена и подключена, но заземление еще не обустроено, следует отключить защитный проводник в щите от люстр и иных электроприборов, розеток и защитной шины и заизолировать его. Если возникнет пробой в одном из приборов, находящихся под опасным напряжением через защитный проводник, то в этом случае напряжением окажутся все корпуса электроприборов, способные проводить ток. Особенно опасна такая ситуации при отсутствии УЗО.
Если защитные проводники подключены, а заземления нет, то все емкостные и статические токи подключенных в сеть электроприборов суммируются через защитный проводник. В результате даже при пользовании исправными бытовыми приборами возможно смертельное поражение током
Поэтому важно полностью выключить электричество и вынуть все вилки из розеток, прежде чем отключать защитные проводники
В первую очередь от поражения электрическим током защищает УЗО, несмотря на то что правила говорят о подобном приспособлении всего лишь как о дополнительной защите. Автомат способен предупредить короткое замыкание, а заземление — снять емкостные и статические токи электроприборов, что хоть и не полностью, но все же понижает опасный потенциал.
Нельзя также забывать о том, что монтаж выключателей, электрических приборов и розеток без использования десятиамперного УЗО смертельно опасен.
Не стоит по своей инициативе подключать к заземлению нейтральный провод. Это приведет к повторному заземлению на вводе нейтрального провода и, как следствие, занулению электрических приборов.
Принцип работы стабилизаторов
Стабилизатор напряжения — это устройство, которое позволяет получить на выходе постоянное напряжение на определенном уровне, несмотря на изменение входного напряжения или нагрузки.
Основной принцип работы стабилизаторов напряжения основан на использовании отрицательной обратной связи. В результате, при изменении входного напряжения стабилизатор меняет собственное сопротивление и на выходе получается постоянное напряжение с небольшой погрешностью.
Существует несколько разновидностей стабилизаторов: электронного типа (на основе полупроводниковых элементов), механического типа (на основе термостата) и электромеханического типа (сочетает в себе принципы работы электронных и механических стабилизаторов).
Стабилизаторы напряжения используются в различных сферах: электроника, медицина, автомобильный и авиационный транспорт, промышленность и другие области, где требуется стабильное напряжение для работы приборов и оборудования.
Типы стабилизаторов
Импульсные регулируемые постоянного тока
15 лет назад на первом курсе я сдавал зачёты по предмету «Источники питания» для радиоэлектронной аппаратуры. Начиная с тех пор и до сегодняшнего времени, самым народным и популярным остаётся микросхема LM317 и её аналоги, которая относится к классу линейных стабилизаторов.
На данный момент есть несколько видов стабилизаторов напряжения и тока:
- линейные до 10А и входным напряжением до 40В;
- импульсные с высоким входным напряжением, понижающие;
- импульсные с низким входным напряжением, повышающие.

На импульсном ШИМ контроллере обычно от 3 до 7 ампер по характеристикам. В реальности зависит от системы охлаждения и КПД в конкретном режиме. Повышающий из низкого входного напряжения на выходе делает более высокое. Такой вариант используется для питания светодиодов от блоков питания с малым количеством вольт. Например в автомобиле, когда из 12В надо сделать 19В или 45В. С понижающим проще, высокое снижается до нужного уровня.
Про все способы питания светодиодов читайте в статье «Как подключить светодиод к 12 и 220В». Отдельно описаны схемы подключения от простейших за 20 руб до полноценных блоков с хорошим функционалом.
По функционалу они делятся на специализированные и универсальные. Универсальные модули обычно имеют 2 переменных сопротивления, для настройки Вольт и Ампер на выходе. Специализированные чаще всего не имеют построечных элементов и значения на выходе фиксированы. Среди специализированных, распространены стабилизаторы тока для светодиодов, схемы в большом количестве есть в интернете.
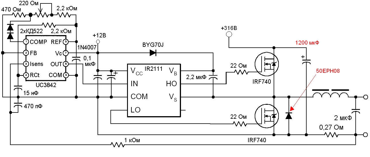
Мощный импульсный стабилизатор тока
Широкий диапазон питающих токов и нагрузок не всегда является основным требованием к стабилизаторам. В некоторых случаях решающее значение отводится высокому коэффициенту полезного действия прибора. Эту задачу успешно решает микросхема импульсного стабилизатора тока, заменяющая компенсационные стабилизаторы. Приборы этого типа позволяют создавать высокое напряжение на нагрузке даже при наличии невысокого входного напряжения.
Кроме того, существует повышающий стабилизатор тока импульсного типа. Они используются вместе с нагрузками, питающее напряжение которых превышает входное напряжение стабилизирующего устройства. В качестве делителей выходного напряжения используются два резистора, задействованные в микросхеме, с помощью которой входное и выходное напряжение поочередно уменьшается или увеличивается.
Стабилизатор на К142ЕН5 — с регулируемым выходным напряжением
В заметке С. Савина «Вариант включения стабилизатора К142ЕН5», опубликованной в «Радио» 1989, № 12, с, 66, речь шла о том, что если вывод 8 этой микросхемы подключить к общему проводу через стабилитрон, то напряжение на выходе стабилизатора увеличится на напряжение стабилизации включенного стабилитрона. Подобный совет повторил А. Гвоздак в статье «Доработка радиоконструктора «Юниор-1», помещенной в «Радио» № 6, с. 81—83 за 1991 г. Опыт показывает, что подборкой соответствующего стабилитрона можно в необходимой мере повысить выходное напряжение стабилизатора, но оно, как и при традиционном включении стабилизатора К142ВН5, фиксированное. Вместе с тем читатели нашего журнала сообщают, что аналогичный способ включения микросхемных стабилизаторов К142ЕН5 позволяет получить на выходе стабилизатора повышенное регулируемое напряжение. Об этом, в частности, рассказывают в своих письмах радиолюбители А. Чумаков из г. Йошкар-Ола и А. Черкасов из Караганды.
Увеличение выходной мощности стабилизатора напряжения
Для того чтобы такие стабилизаторы отдавали больше мощности необходимо на его выходе включить каскад усилителя мощности в виде транзистора или нескольких параллельно-последовательных транзисторов, который иногда называют бустером выходного тока. Простейшая схема стабилизатора напряжения на ОУ с бустерным каскадом показана ниже

Стабилизатор напряжения на ОУ с выходным бустерным каскадом.
В схеме стабилизатора напряжения для увеличения выходной мощности включён бустерный каскад на транзисторе VT1. Для ограничения максимального выходного тока ОУ введён резистор R2, который может быть определён по следующему выражению
где UКЭнас – напряжение насыщения коллектор-эмиттер бустерного транзистора,
IВЫХ.МАХ – предельный выходной ток ОУ.
Иногда возникает ситуация когда усиления одного транзистора не хватает для требуемой выходной мощности, поэтому применяют составные транзисторы по схеме Дарлингтона или Шиклаи для увеличения коэффициента усиления по току.
Схемы с одним бустерным транзистором или транзистором Дарлингтона обычно используют для получения выходных токов стабилизатора до нескольких ампер. При необходимости выходного тока большего значения выходной транзистор составляют из нескольких параллельных для увеличения отдаваемой мощности.
Теория это хорошо, но необходимо отрабатывать это всё практически ПОПРОБОВАТЬ МОЖНО ЗДЕСЬ
Стабилизаторы на 15 В
Для устройств с напряжением 15 В используется сетевой стабилизатор напряжения, схема которого по своей структуре является довольно простой. Порог чувствительности у приборов находится на малом уровне. Модели с системой индикации встретить очень сложно. В фильтрах они не нуждаются, поскольку колебания в цепи незначительные.
Резисторы во многих моделях есть только на выходе. За счет этого процесс преобразования происходит довольно быстро. Входные усилители устанавливаются самые простые. Многое в данном случае зависит от производителя. Используются стабилизатор напряжения (схема показана ниже) этого типа чаще всего в лабораторных исследованиях.
Выпрямление переменного напряжения
Сегодня требования к качеству напряжения сети довольно мягки. Прибавьте к этому огромное количество потребителей с импульсными блоками питания (компьютеры, телевизоры, принтеры, DVD-проигрыватели и т.п.) и нелинейные характеристики понижающих трансформаторов. В результате форма питающего напряжения далека от синуса. В первую очередь наблюдается уплощение вершин полуволн.
На рисунке показаны результаты измерений напряжения на выходе Ш-образного трансформатора:
Увеличение по клику
Я был удивлен, честно скажу — ожидал худшего.
Примечание главного редактора «РадиоГазеты»: имейте ввиду, что автор живёт в Великобритании!!! В российской электросети картина будет далеко не такая радужная.
Я использую Ш-образные трансформаторы, потому что их звук мне больше по душе. Они не так быстродействующие, как торы, но я считаю, что они дают лучшую детализацию и проработку сцены в звучании.
На предыдущем рисунке показан и спектр выходного напряжения мостового выпрямителя.
Ужасно! Даже хуже, чем на входе трансформатора.
Теперь появились гармоники частотой 2 кГц, с уровнем около 60 дБ относительно к 50 Гц пульсациям напряжения.





































