Какие бывают ошибки при подключении и как их не допустить
Ошибки при подключении бывают лишь в том, что были неправильно соединены друг с другом контакты. Неправильно выбраны и подсоединены фазы к считывающему аппарату. Основная причина этому — отсутствие опыта работы с электрооборудованием и схемы, а также отсутствия полного следования представленной к считывающему аппарату инструкции.
Обратите внимание! Чтобы избежать ошибок, рекомендуется только внимательно читать руководство или же вызывать мастера, который не только поставить трехфазный счетчик, но и поможет его настроить под имеющиеся и действующие тарифы

В целом, трехфазный счетчик «Меркурий 230» — усовершенствованный аппарат, благодаря которому показания за коммунальные услуги считывать намного проще. Он имеет свои достоинства и недостатки. Работает очень просто. Подключается полукосвенно, прямо и косвенно. Ошибок при подключении не возникает лишь в том случае, если подобными вещами занимается профессиональный мастер или человек, разбирающийся в электросхемах. Поэтому момент подключения лучше доверить специалистам.

Система учета в четырех-проводных сетях подразумевает измерение электроэнергии при помощи 3-фазных счетчиков, конструкция, которых рассчитана на прямое подключение или при использовании трансформаторов тока.
При подключении 3-фазных трехэлементных электросчетчиков в 4-провдную цепь, в которой есть цепи U и I расположенные раздельно, используются (ТТ) трансформаторы тока, они делают измерительный электросчетчик универсальным устройством, он называется трансформаторным счетчиком.
Рассмотреть присоединение такого прибора можно на примере «Меркурия 230А».
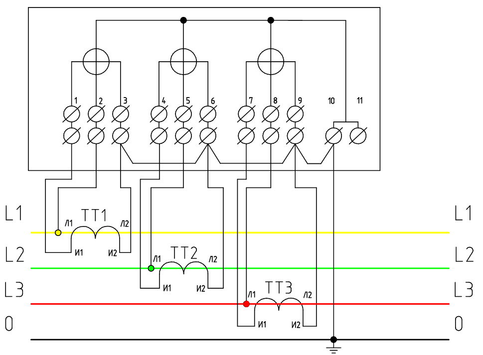
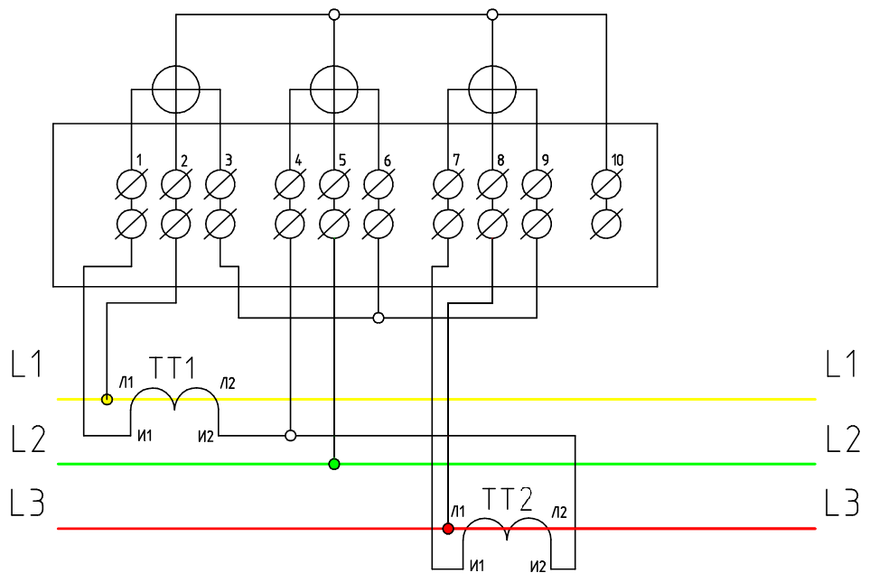
Подключение электросчетчика через трансформаторы тока выполняется при помощи десятипроводного кабеля. Конструкция использует раздельные токовые цепи и цепи напряжения.

Рис №1. Схема включения 3-элментного Меркурия 230А в электросеть с четырьмя проводами.
Для схемы обязательно присоединение всех трех элементов измерения счетчика с обязательным строгим соблюдением полярности и с чередованием фаз в прямом порядке относительно соответствующему U.
При использовании чередования фаз обратной полярности в присоединении во вторичной обмотке ТТ произойдет замер отрицательных величин мощности, производимым в измерительном элементе прибора. Для схемы обязательно присутствие нулевого проводника.
Неисправности схемы присоединения:
- Окисление, а также ослабление контактов на выводах ТТ.
- Обрыв или излом фазных проводников в цепях Uвтор.
- Неисправность самого трансформатора тока.
Для решения вопроса как подключить электросчетчик через трансформаторы тока может использоваться 7-проводная схема присоединения счетчика, рассмотренная на примере электросчетчика СА4У-И672М.

Рис №2. Схема присоединения СА4У-И672М. Перемычки Л1 – И1 устанавливаются на ТТ. Перемычки: 1 – 2; 4 – 5; 7 – 8 находятся на клеммах прибора.
Для этой схемы характерно использование совмещенных, объединенных в одну цепь I и U, это возможно при помощи установки перемычек в измерительном приборе и на ТТ.
Схема имеет несколько существенных недостатков:
- Токовые цепи прибора всегда под напряжением.
- Трудно выявить во время работы электрический пробой внутри ТТ.
- Использование перемычек И2 – Л2 для ТТ и перемычки 1 – 2 на клеммах прибора приводит к появлению добавочной измерительной погрешности.
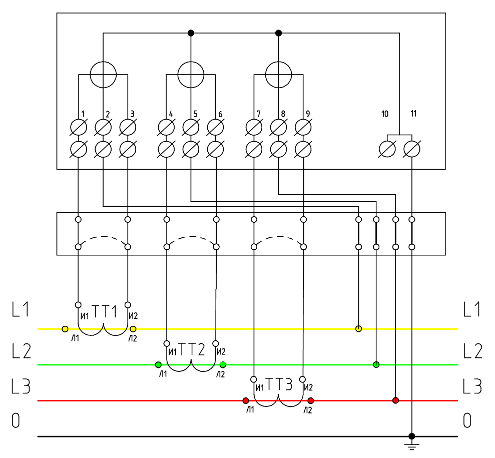
Для электроустановок низкого напряжения 380/220В, используется схема с соединением концов вторички ТТ И2 с токовыми выводами прибора в одной точке.

Рис №3 Схема присоединения электросчетчика в сети на четыре провода «звездой» с использованием чередования фаз в прямом порядке.
Самый распространенный универсальный способ подключения, обеспечивающий безопасное обслуживание, это: подключение электросчетчика через трансформаторы тока, с использованием испытательной коробки для низковольтных сетей U – 220В.
Правила использования
Монтаж, демонтаж, открытие и установка пломб коробки выполняются только специалистами в этой сфере, имеющими лицензию, полученную от Энергонадзора, и получившие нужный уровень допуска на работу.
Все испытательные боксы можно распределить по различным характеристикам. Для начала их делят по типу сети, где они будут использоваться.
Далее можно встретить коробки, необходимые для использования в сетях 220 В и 380 В. Также их различают по весу, внешнему виду, размерам.

Подключение трансформаторов к электричеству
Испытательные коробки ИКК могут быть круглой, овальной или квадратной формы. Кроме этого, их разделяют по:
- предназначению. Для применения вместе с контрольно-измерительными приборами или только для коммутационных действий;
- способу монтажа. Можно встретить боксы, используемые для монтирования в распределительный блок;
- числу контактных категорий. Производимые ИКК могут быть с тремя электроконтактами и более;
- виду крепления. Могут быть винтовые, нажимные, барьерные и фиксированные крепления. Также некоторые приборы имеют защиту для кабелей;
- числу контактных рядов. Могут быть как с одним и более ярусами;
- исполнению — прямые и угловые;
- виду используемого кабеля.
Обратите внимание! Главным различием коробок всегда является схема, по которой они подключаются. В зависимости от фабрики и применения ИКК может подключаться разными способами. Все крупные предприятия в сфере энергетических ресурсов занимаются созданием и распространением испытательных коробок
Основные различия могут заключаться в использованных материалах при изготовлении
Все крупные предприятия в сфере энергетических ресурсов занимаются созданием и распространением испытательных коробок. Основные различия могут заключаться в использованных материалах при изготовлении.
Если человек не обладает подходящим инструментом или навыками электрика, то не желательно пытаться самостоятельно установить испытательную переходную коробку. Неправильная установка может привести к некорректной работе счетчика или короткому замыканию проводов. Если через прозрачную крышку был обнаружен дефект в проводах или клеммниках, то нужно вызывать специалиста на дом незамедлительно.
Важно! Срывать пломбы самостоятельно не разрешается. Этим занимается специалист с допуском. Самоуправство может привести к наложению штрафов
Самоуправство может привести к наложению штрафов.
Многие мастера рекомендуют приобретать приборы с дополнительной защитой для проводов, чтобы при возгорании огонь не проходил по ним. Стоимость таких изделий варьируется в пределах 250 руб. Изделия из более дорогого материала имеют цену от 300 до 500 руб.*

Схема подключения коробки переходной
Подключить ИКК можно самостоятельно без трудностей. Но выполнять вскрытие и пломбировку может только специальный человек. Такая коробка поможет не только упростить работу со счетчиком, но и сделать ее более безопасной.
*Цены в статье указаны на апрель 2020 г.
Испытательная коробка: переходная для электросчетчиков, монтаж коробки

При установке измерительных приборов в силовые цепи трехфазного питания особое внимание уделяется приведению контролируемых величин к виду, удобному для подключения к электросчетчику. При значительных токовых нагрузках, достигающих 1000 Ампер, для этого используются специальные преобразовательные устройства – трансформаторы тока (ТТ). При значительных токовых нагрузках, достигающих 1000 Ампер, для этого используются специальные преобразовательные устройства – трансформаторы тока (ТТ)
При значительных токовых нагрузках, достигающих 1000 Ампер, для этого используются специальные преобразовательные устройства – трансформаторы тока (ТТ).
При их наличии обслуживание и ремонт подключаемых к линии приборов учета существенно усложняется.
Назначение и особенности ИКК
Испытательная коробка для счетчика
В ПУЭ особо оговаривается требование, касающееся подключения счетчика к действующим электросетям в части его коммутации через приспособление, называемое испытательная коробка (ИКК). При ее использовании удается закоротить вторичную цепь измерительного трансформатора, что позволяет обесточивать питающие линии по каждой из подводимых к счетчику фаз.
Подключение трансформатора тока через испытательную коробку позволяет превратить процедуру замены и проверки прибора учета в совершенно безопасное занятие. Помимо этого, отключать нагрузку от питающей линии в данном случае не обязательно.
Испытательные коробки для счетчика электроэнергии особо востребованы в следующих ситуациях:
- для шунтирования контрольных цепей;
- если возникла потребность в их полном отключении;
- при необходимости блокирования напряжения по каждой из фаз;
- для подсоединения к контролируемой линии измерительного устройства (электросчетчика).
Потребность в коробках ИКК также объясняется тем, что существует особая группа потребителей, каждый из которых не допускается отключать от электросети даже на короткое время.
С учетом того, что периодически возникает потребность в проведении работ со счетчиком, коробка клеммная испытательная ИКК существенно упрощает все операции.
В этом случае нет нужды в обесточивании линии питания и установке на место измерительного прибора замещающего его шунта.
Типы трехфазных счетчиков
Вообще, тип счетчика, а иногда и его марка, указан в проекте электрификации. Очень редко случается, но у вас могут спросить, какой трехфазный счетчик вы желаете. Такие либеральные проэктанты встречаются крайне редко, и все же, стоит хоть немного разбираться в теме. Есть трехфазные счетчики для подключения трех и четырех проводов. Первые подключаются если нет «нулевого» повода. С этим разобраться несложно.
Далее необходимы выбрать тип счетчика:
- Трехфазные счетчики прямого включения. Наиболее простое подключение, так как подсоединяются напрямую к сети. Мощность подключаемой нагрузки не более 60 кВт, ток не более 100 А. К ним можно подключать провода сечением 15 мм² (не более 25 мм²). Это ограничивает область применения — в основном их ставят в домах и квартирах, на небольших предприятиях.
- Трехфазные счетчики косвенного включения. Их можно подключать только через трансформаторы тока и напряжения. Ставят обычно на предприятиях, потому что ограничений по мощности такой тип не имеет.
- Полукосвенного (трансформаторного) подключения. Также требуют включения через трансформаторы, но не настолько мощные, как косвенные, поэтому могут применяться в частных домах. При определении платы за электроэнергию показания необходимо умножать на передаточный коэффициент.
Выбирать вам особо не придется, так как тип счетчика, обычно, тоже указывается в проекте. Для частных домов либо прямого, либо полукосвенного подключения, в квартирах преимущественно прямого. Прямое подключение проще в реализации (просто завести провода на клеммы), элементарно считать показания — просто списывать их. При установке полукосвенного счетчика, нужны трансформаторы тока (ТТ) или напряжения (зависит от проекта) и рекомендовано подключение через испытательную коробку. Под все эти устройства требуется место в щите. Что еще надо помнить, что при расчете показаний требуется учитывать коэффициент трансформации для каждой фазы. То есть, надо будет показания умножать на этот коэффициент.
Конструкция приспособления

Конструкция ИКК
Типовые переходные коробки выпускаются в нескольких исполнениях, различающихся своим видом и формой. Чаще всего они имеют вид прямоугольной колодки с толстыми стенками, изготовленными из прочного и негорючего материала (карболита или пластика). В таком исполнении коробка напоминает подложку с размещенными на ней группами клемм, образующих так называемую «зажимную клеть».
По ее краям делаются сквозные отверстия, используемые для крепления ИКК к стенкам распределительного щита. Ее соединительные контакты изготавливаются на основе латуни или оцинкованной стали (иногда для этого используется фосфористая бронза). Некоторые модели коробок комплектуются такими дополнительными элементами, как фланец или рычажок, упрощающий процесс монтажа.
Переходные контакты выполняются в виде подпружиненных пластин или винтовых фиксаторов, размещаемых на токопроводящих пластинах из латуни, жести или стали. Их применение объясняется устойчивостью этих материалов к коррозии и высокой проводимостью. Сверху колодка закрывается прозрачной крышкой из пластика, надежно фиксируемой на основании. При эксплуатации испытательного приспособления совместно с электросчетчиком его крышка также опечатывается. Для этого в ней предусмотрены сквозные ушки для навешивания пломбы или небольшое отверстие под контрольный винт (шуруп). Прозрачность защитного покрытия позволяет визуально контролировать расключение контактных групп.
https://youtube.com/watch?v=ayUOPy6v9NM
Конструктивные особенности и основные характеристики
Рассмотрим, как устроен контактный бокс на примере КИ УЗ (см. рис.2)
Рисунок 2. Расположение контактов в ИКК
Контакты с пометками 0, А, В и C используются для силовой цепи, а зажимы, имеющие номера с 1-го по 7-й служат для токового участка. Как выполняется включение КИП, будет рассказано в следующем разделе.
Конструкция КИП представляет собой контактную группу, размещенную в пластиковой коробке из ударопрочного и негорючего поликарбоната. Размеры этой модели — 68х220х33 мм.
Параметры рабочего напряжения и тока – 380 В и 16 А. Изоляционные свойства материала позволяют выдерживать кратковременное превышение до 2000В и 25А. Для изготовления токоведущих частей используется латунь. Допускается ее замена оцинкованной сталью, но срок службы таких контактов становится короче. В связи с этим производители известных брендов отдают предпочтение латуни.
Остальные эксплуатационные характеристики:
- модуль может использоваться при температурном режиме от -40 С° до 60 С°;
- допустимая влажность – не более 98 %;
- для подключения используется провода с минимальным сечением 0,5 мм2 и максимальным – 4 мм2;
- данная модель выпускается со степенью защиты IP20;
- длительность срока эксплуатации — до 30 лет.
Некоторые модели (например, BTS или КИП-5/25) выпускаются с прозрачной крышкой (см. рис. 3). Учитывая, что приспособления данного типа подлежат обязательному опломбированию, такая конструктивная особенность имеет очевидные преимущества, поскольку позволяет контролировать состояние группы контактов.
Рисунок 3. Прозрачная крышка позволит вовремя заметить перегрев зажима при плохом контакте
Монтаж устройства
Схема монтажа ИКК
Приспособления востребованы при прокладке новых электрических линий и при необходимости их модернизации. При монтаже обязательно выполняются требования ПУЭ, касающиеся правил эксплуатации испытательных коробок. Согласно нормативам, для размещения ИКК потребуется подготовить специально оборудованное место, защищенное от проникновения посторонних лиц и доступное для обслуживающего персонала.
На клеммах коробки допускается объединять только провода из однородных металлов, имеющих электрохимическую совместимость.
Усилие затяжки контактных винтовых соединений не должно быть более 2,5 Nm, что гарантирует сохранность клемм. Кроме того, они не должны иметь повреждений и следов явных дефектов. Фиксация корпуса ИКК в месте установки выполняется только механическим способом – его прикручиванием или закреплением с помощью специальных защелок. Коробка обычно монтируется в электрическом шкафу сразу же после электросчетчика.
Коробка испытательная переходная (КИП)

Здравствуйте, уважаемые читатели и гости сайта «Заметки электрика».
Во многих своих статьях, особенно про подключение счетчиков через трансформаторы тока, я упоминал Вам про испытательную переходную коробку (клеммник). Если сокращенно, то КИП.
Так вот сегодня я хотел бы поговорить о ней подробнее.
Итак, для чего нужна эта коробка (клеммник)?
В Главе 1.5, п.1.5.23 ПУЭ 7 издания сказано, что цепи учета электрической энергии необходимо выводить на специальные зажимы или испытательные коробки (клеммники).
Кстати, кто желает проверить свои знания или подготовиться к экзамену по электробезопасности в режиме онлайн, то предлагаю сделать это прямо на сайте. Для Вас я специально подготовил целый раздел «Онлайн-тесты по электробезопасности» на разные группы.
Испытательная переходная коробка (КИП) предназначена для:
- возможности «закоротить» (зашунтировать) токовые цепи
- отключения токовых цепей
- отключения цепей напряжения по каждой фазе
- подключения образцового электросчетчика
Первые три пункта необходимы для проведения замены электросчетчика без снятия напряжения с электроустановки. Последний пункт относится для подключения образцового или эталонного электросчетчика с целью проверки прибора учета без отключения нагрузки потребителя.
На фотографии выше представлена переходная испытательная коробка, соответствующая техническим условиям МКЮР.301 591.000 ТУ. Она имеет следующие технические характеристики:
- напряжение до 380 (В)
- максимальный ток до 10 (А)
- степень защиты — IP20
- масса — около 500 (г)
- габаритные размеры коробки 33х68х220
Схема подключения испытательной коробки
Ниже смотрите схему подключения счетчика через испытательный клеммник к четырехпроводной сети 380/220 (В):
А вот фотография сверху переходного клеммника с обозначением номеров клемм:
Чтобы «закоротить» (зашунтировать) токовые цепи необходимо просто вкрутить винты М4 в следующие отверстия:
На фотографии выше на клемме 1 винт не вкручен, а на клеммах 2,4 и 6 — вкручены.
Эти винты при вкручивании замыкают цепь через общую шинку, расположенную с обратной стороны клеммника.
Кстати, для защиты общей шинки от замыканий на корпус с обратной стороны применяется прокладка из картона.
После того как токовые цепи закорочены, можно убирать (снимать) перемычки.
Чтобы отключить цепи напряжения по каждой фазе необходимо открутить винты и убрать соответствующую перемычку.
Забыл упомянуть о том, что все перемычки и клеммы у переходной испытательной коробки (КИП) выполнены из латуни, т.к. она меньше подвергается коррозии, а также имеет лучшую электрическую проводимость по сравнению со сталью.
Испытательная коробка закрывается крышкой с винтом для пломбировки.
Крышки у КИП выполняются либо черными (не прозрачными), либо прозрачными. У последней имеется существенный плюс в том, что состояние (положение) контактов и схему подключения счетчика можно увидеть не открывая ее.
Пример подключения испытательной переходной коробки (КИП)
Ниже я приведу Вам пример подключения испытательной коробки. Несколько дней назад я устанавливал счетчики электрической энергии на двух вводных ячейках котельной станции, которые в дальнейшем подключались к системе АСТУЭ.
Панель учета была установлена на стене около сборки ВРУ.
Там же установлены счетчики, испытательные и интерфейсные коробки. Цепи учета (токовые цепи и цепи напряжения) соединяются с трансформаторами тока и шинами ВРУ с помощью медных проводов ПВ-1 сечением 2,5 кв. мм, проложенных в гофре.
На схеме подключения счетчика я подробно останавливаться не буду, т.к. недавно писал статью о подключении трехфазного счетчика через трансформаторы тока в четырехпроводную сеть 380/220 (В), в которой Вы можете со всем подробно ознакомиться.
В заключении я рекомендую Вам посмотреть мой видеоролик, где я более наглядно рассказываю про подключение испытательной коробки на примере счетчика Меркурий 230 ART-03, подключенного через три трансформатора тока в сеть 400 (В):
Дополнение. В данной статье я рассмотрел один из вариантов подключения испытательной коробки. На практике встречается еще одна распространенная схема, о которой я подробно рассказываю в видеоролике (на примере счетчика Меркурий 230 AМ-03, подключенного через три трансформатора тока в сеть 400 В):
Схема установки
На рисунке ниже представлена электрическая схема подключения счетчика через испытательную клеммную коробку:

Как видно из схемы, на клеммы в колодке, обозначенные А, В, С приходит провод, подключенный к трехфазному источнику электроэнергии через трансформаторы тока. Нулевой провод подключается на отдельную клемму. Далее с этих клемм с помощью проводов подключается прибор учета с соблюдением следующих условий:
- трансформаторы соединяются по схеме звезда, а их общий вывод заземляется;
- от преобразователей тока до соединительной коробки прокладываются провода сечением не менее 1,5 мм²;
- от прибора учета электроэнергии подключается три провода сечением 2,5 мм²;
- для удобства все провода маркируются — обозначаются три фазы и начала токовых обмоток и общий вывод.
Так как схема не предполагает прямого контакта выводов трансформаторов тока с клеммами счетчика, необходимо отслеживать очередность включения.
Клеммы счетчика подключаются в следующем порядке:
- На 1 клемму подключается провод с токовой обмотки трансформатора первой фазы
- на вторую клемму счетчика подключается провод — напряжение первой фазы;
- на 4 клемму счётчика подключается провод от токовой обмотки второй фазы;
- на 5 подключается напряжение второй фазы;
- 7 — приходящий провод токовой обмотки третьей фазы;
- 8 — напряжение третьей фазы;
- 9 — общий провод;
- 10 — резерв.
Между третьей и шестой клеммой, а также между шестой и девятой в счетчике устанавливаются перемычки.
Для безопасного снятия счетчика необходимо зашунтировать токовую цепь, чтобы обеспечить надежный контакт винтов коробки с заизолированной шиной. Эта шина находится с задней стороны и вкрутив винты, как показано на рисунке 2, вы обеспечите контакт.

Далее нужно ослабить винты перемычек для размыкания перемычек. После этого — снять перемычки с силовой части для отключения напряжения на клеммах счётчика. Далее производится отключение и снятие счётчика. Подключение — в обратном порядке.
Также рекомендуем просмотреть видео, на которых наглядно демонстрируются различные способы подключения коробки ИКК к электросчетчику:
Наверняка вы не знаете:
Здравствуйте! Извиняюсь за грубость, муть какая-то… Схема дана правильная, а вот фото щита: сборка рабочая, но только для замены счётчика, а куда здесь эталонный счётчик подцепить. Хотя принимающие щиты энэргетики часто требуют именно такую схему расключения, видимо ввиду своего незнания правильной схемы.
Точно, муть. И объяснение, как снимать напряжение, мутное. Напряжение не снимается перемычками. Нормальный человек не полезет отверткой в коробку по 380 В.
Здравствуйте! Редакция открыта для диалога, укажите конкретно недочеты статьи, авторы их исправят.
Вариант подключения
На рисунке 4 показана наиболее распространенная схема подключения приспособления учета, при помощи КИП.
Рисунок 4. Типовое подключение трехфазного приспособления учета
Обозначения:
- T1, T2, T3 – трансформаторы тока;
- Сч1 – трехфазное приспособление учета;
- К1 – бокс, через который выполняется подключение приспособления контроля.
Особенности схемы:
На рисунке 4 показано, что три фазы и нулевой провод подключаются к соответствующим местам на боксе и идут от него, непосредственно, к приспособлению учета. Очень важный фактор в данном случае – чередование фаз, оно не должно быть нарушено.
При подключении трех ТТ к боксу используется тип соединения «звезда».
Перемычки следует установить также, как продемонстрировано на рисунке 4.
Подключение счетчика электроэнергии в низковольтную сеть большой мощности
В одной из предыдущих статей мы уже рассматривали измерительные трансформаторы тока, их сферы применения, технические характеристики и особенности режима работы.
Как отмечалось ранее, для подключения счетчика в сеть большой мощности (с большими токами) необходимо применять специальные устройства — измерительные трансформаторы тока. Речь идет о низковольтных сетях до 0,66 кВ, где уровень номинального тока 100 А и выше. Счетчики прямого включения не предназначены для использования в таких мощных сетях, поэтому и требуется снизить уровень рабочего тока до величины, удобной для измерения приборами учета — 5 А.

Способ подключения в сеть счетчика, при котором токовые обмотки счетчика подключаются к измерительным выводам трансформатора тока называют полукосвенным. При этом способе подключения счетчика используется рабочее напряжение сети (обмотки напряжения подключаются к электросчетчику напрямую).
Существует также и косвенный способ подключения счетчика, однако он применяется для учета электроэнергии в установках с напряжением более 1 кВ. При косвенном подключении счетчика кроме трансформаторов тока применяются трансформаторы напряжения, снижающие высокое значение напряжение до 100 В.
Класс точности и его значение для учета электроэнергии
Правила Устройства Электроустановок (сокращенно ПУЭ) устанавливают классы точности для трансформаторов тока различных категорий применений. Так, для коммерческого учета должны устанавливаться трансформаторы тока с классом точности не более 0,5, а для технического учета необходим класс точности не выше 1,0.
Также встречаются трансформаторы тока с практически одинаковыми классами точности 0,5 и 0,5S. В чем заключается между ними разница? Погрешность обмотки ТТ с классом точности 0,5 не нормируется ниже 5%. Это значит, что при нагрузке в главной цепи ниже 5% электрическая энергия не будет учитываться. Класс точности 0,5S говорит о том, что трансформатор тока будет передавать сигнал на счетчик при уровне нагрузки не ниже 1%.
Схемы подключения счетчика через трансформаторы тока
Подключить трехфазный счетчик электроэнергии в мощную низковольтную сеть с глухозаземленной нейтралью можно по приведенным ниже схемам.

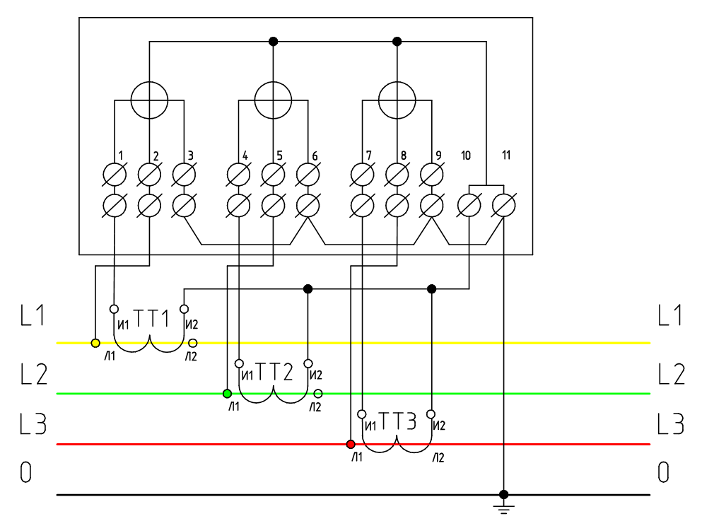
Цепи тока и напряжения в этой схеме, которую еще называют «десятипроводной» (по количеству используемых проводов), разделены. Подобное разделение цепей напряжения и тока позволяет повысить электробезопасность и легко проверять правильность подключения.
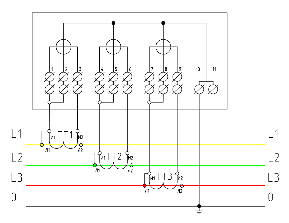
Следующая схема, в которой все выводы И2 измерительных трансформаторов тока соединяются в общую точку и присоединяются к нулевому проводнику, называется «звезда» (т. к. трансформаторы тока соединены по одноименной схеме). Она экономична с точки зрения использования проводов, однако усложняет проверку схемы включения счетчика представителями энергоснабжающих организаций.

«Семипроводная» схема на сегодняшний день является устаревшей, но так или иначе до сих пор встречается. Эта схема, будучи самой экономичной, опасна для обслуживающего персонала и потому должна быть модернизирована до десятипроводной.

Подключения счетчика электроэнергии через переходную испытательную коробку (КИП)

Как указано в ПУЭ (п 1.5.23.), подключать трехфазные счетчики электроэнергии следует через испытательные коробки, упомянутые выше. Они (коробки испытательные переходные) позволяют производить замену счетчика, не отключая нагрузку, так как все необходимые переключения можно произвести в КИП.

Также встречаются низковольтные сети с изолированной нейтралью (система IT). Если быть более точным, то в сети с такой системой заземления нейтральный проводник может быть как полностью изолирован, так и заземлен при помощи специальных приборов, обладающих большим электрическим сопротивлением.
Такая система (IT) применяется на объектах, к которым предъявляются высокие требования по надежности и безопасности электроснабжения. Например, изолированная система IT применяется для электрических установок угольных шахт, для мобильных дизельных и бензиновых электростанций, а также для аварийного освещения и электроснабжения больниц. Подключить счетчик электроэнергии к трансформаторам тока в сеть с изолированной нейтралью можно по следующей схеме.

Измерительные трансформаторы тока — это устройства, преобразующие большие значения тока главных цепей до величины 5 А, удобной для измерения счетчиками электроэнергии. Именно это и определяет их основное назначение: питание цепей учета электроэнергии (коммерческий и технический) в мощных установках, там где счетчики прямого включения просто не могут применяться.
Классификация распаечных коробок
Конструкции разной конфигурации подходят для монтажа на материалах разного вида – кирпич, бетон, гипсокартон и т.д. Этот вид электрических аксессуаров активно применяется при монтаже домашней электропроводки, чем обеспечивается электрическая и пожарная безопасность.
Исходя из назначения, условно следует разделить распределительные электрические коробки на два вида:
- Распаечные. Их предназначение – защита проводов и кабелей от влажной среды и механических повреждений при эксплуатации бытовой схемы электроснабжения.
- Установочные. Используются для создания удобных коммуникаций при выполнении монтажных работ, связанных с установкой электрооборудования.
Оба вида изделий допускается применять в условиях температуры окружающей среды от –25 до +40ºС.
Нюансы использования
Испытательные коробки как конструкции простейшего типа не нуждаются в особом обслуживании, что не означает их абсолютной надежности. Согласно требованиям действующих нормативов, в процессе эксплуатации ИКК рекомендуется регулярно подтягивать контакты винтовых зажимов. В процессе эксплуатации проводники нагреваются и слегка деформируются, что вызывает ослабевание соединений.
К коробкам с контактами зажимного типа таких требований обычно не предъявляется. К тому же обращаться с ними намного удобнее, поскольку для отключения измерителя дополнительного инструмента не потребуется.
Предназначение КИП
КИП расшифровывается как коробка испытательная переходная. Она служит для подключения электросчетчика к работающим сетям и позволяет обесточить электролинии по выборочной из фаз, присоединенных к счетчику.

Конструкция КИП имеет вид контактной группы, расположенной в пластиковой коробке из не поддерживающего горение и ударопрочного поликарбоната. Для производства токоведущих элементов применяется латунь. Модуль эксплуатируется при температуре −40 до 60 градусов по Цельсию и относительной влажности не выше 98 %. Для его подключения устанавливаются провода с самым малым сечением. Продолжительность срока его полезного пользования достигает 30 лет. Степень защиты коробки по ГОСТ 14254-96 IРЗ0.
Используется сама коробка испытательная для осуществления следующих работ:
- шунтирования или отключения цепей тока;
- отключения цепи напряжения в каждой отдельной фазе;
- подсоединения образцового электрического счетчика.
Благодаря этим трем пунктам получается переустановить электрический счетчик без снятия с установки напряжения. Последний пункт указывает, что допускается подключение образцового счетчика, если возникает необходимость проверки устройства без его отключения.
Испытательная коробка — очень важный прибор, который используется при необходимости замены счетчика без отсоединения от электросети. Замечу, что всегда существует определенная группа потребителей, для которых недопустимо отключение электроэнергии даже ненадолго — например, для ряда оборудования это может стать весьма критичным. Коробка клеммная испытательная помогает упростить весь процесс, без необходимости обесточивания и монтажа на место технического измерительного устройства.
Включение трехфазного электросчетчика для установок высокого напряжения
4-проводные и 3-проводные 3-фазные высоковольтные электросети использует измерительную систему с двухэлементными и трехэлементными электросчетчиками выполняющие операции по замеру активно-реактивной мощности, для примера можно рассмотреть электросчетчик СЭТ-4ТМ.03.
3-проводная схема для сети высокого напряжения подключается с использованием двух ТТ.
Рис № 6. Схема присоединения электросчетчика для цепей в 3-фазной и 3-проводной сети с двумя ТТ и двумя ТН.
Также используется схема присоединения электросчетчика посредством трех ТН и двух ТТ.
Рис № 7. Монтажная схема соединения счетчика с использованием 2 ТТ и 3 ТН. Для измерения можно использовать также 3 ТТ и 3 ТН.
Рис №8. Схема подключения счетчика к 3-фазной 3 или 4-проводной сети с использованием 3 ТТ и 3 ТН.
Проведение замеров активной и реактивной мощности используется схема присоединения электросчетчиков, объединяющая приборы этих видов энергии, объединяющая вывода ТТ И1 для 3-проводной цепи, аналогичная схема существует для электросчетчиков с соединением ТТ И2 для 3-проводной цепи.
Рис №9. Схема присоединения счетчиков, измеряющих активную и реактивную энергии для соединения ТТ И1 для 3-проводной цепи.
Для установок высокого напряжения электросчетчики различаются по конструктивным особенностям ячейки, и в зависимости от используемой схемы присоединяются с помощью испытательной коробки. Это действие способствует увеличению уровня безопасного обслуживания при проведении работ по ТО и ТР электросчетчиков, а также помогает осуществлять безопасный контроль операций по выполнению измерений.
Испытательная коробка служит для расключения проводников электрических цепей для вторичной коммутации.
Подводя итоги
Основные технические моменты, которые следует запомнить из данной статьи:
- Питающий провод подключается к неподвижному контакту автоматического выключателя. Практически на каждом автомате такой контакт расположен сверху.
- Через однополюсный автомат проходит только фаза, через двухполюсный — фаза и ноль, через трёхфазный — 3 рабочих фазы. В последнем случае также необходимо воспользоваться фазоуказателем, чтобы определить правильное чередование фаз.
- Через УЗО и дифференциальный автомат должны проходить фаза и ноль.
- Для подключения проводов к автоматическому выключателю следует пользоваться специальными обжимными наконечниками и пресс-клещами. Особенно при монтаже многопроволочного кабеля.
- Перед подключением кабеля необходимо очистить жилу от изоляции достаточной длины. Иначе изоляция станет первой причиной плохого контакта.
- Основной автоматический выключатель монтируется до электросчётчика для того, чтобы обеспечить возможность быстрой замены прибора учёта электроэнергии в случае его выхода из строя.
Перед любым электромонтажом следует сверится с нормативной или технической документацией. Только тогда все работы с электрическими приборами и расходными материалами будут считаться правильными, а самое главное — законными.
- https://ProFazu.ru/provodka/montazh/sborka-elektroshhita.html
- https://electrikmaster.ru/kak-soedinit-avtomaty/
- https://ProFazu.ru/elektrooborudovanie/zaschita/kak-podklyuchit-avtomat.html
- http://balashiha.d-mastera.ru/montazh-elektroshhitka-v-kvartire/
- https://HouseChief.ru/provod-dlya-sborki-ehlektroshchita.html
- https://VGrafike.ru/vybor-provoda-dlja-razvodki-v-shhitke/
- https://StrojDvor.ru/elektrosnabzhenie/kak-podobrat-sechenie-provoda-dlya-soedineniya-avtomatov-v-shhitke/




































