Какие задачи выполняет автоматика
Механизмы для вентиляционных систем могут похвастаться широким набором функций. К ним можно отнести
- Поддержание климатических условий внутри помещений
- Возможность дистанционного управления вентилятором
- Появление автоматизированного контроля за датчиками системы.
Особенности устройства ЩУВ
Требования, предъявляемые к комплектации щитов. При подборе ЩУВ необходимо ориентироваться на площадь.
Главные требования
- В щит должны входить все приборы
- Узлы должны быть снабжены индикацией
Все устройства располагают в одной плоскости. Комплектацию делают очень простой. Функциональность щитов зависит от их типа.
Рабочие элементы
Установка автоматики представляет собой непростую задачу, которая требует наличие определенного опыта. При проектировании такого механизма нужно знать:
- Построение подобной системы
- Ее элементы
- Принцип взаимодействия всех составляющих
Для подбора подходящих приборов необходимо понимать номенклатуру изделий
Также важно иметь опыт использования разных аппаратов

Автоматика состоит из трех основных групп изделий:
- Датчики и сенсорные приборы. Они помогают осуществлять сбор информации о состоянии системы.
- Контроллеры. Эти устройства занимаются изучением данных, которые спрогнозировали датчики.
- Аккуратная механика. Она представляет собой различные органы регулировки.
Щитовая с водяными калориферами
Автоматика приточной вентиляционной системы нужна для того, чтобы обеспечить безопасность в процессе использования устройств. Самым главным прибором является контроллер AQUA.
Автоматизация вентиляционной системы помогает решать сложные проблемы в разных условиях. Каждая схема устанавливается с автоматической системой.
Сейчас будут приведены важные моменты, которые нужно обязательно учитывать при выборе механизмов оснащения щита.
Надежность комплектующих является самой важной чертой. Рекомендуется просмотреть сертификат качества данных приборов
Также нужно обращать внимание на производственную базу и качественное обслуживание на сервисе
Ваша задача заключается в том, чтобы получить надежный механизм. На сегодняшний день производители представляют широкий ассортимент комплектующих.
https://youtube.com/watch?v=n4MW0caAm_o
Вентиляционная автоматика
Назначение

Автоматизация вентиляции и кондиционирования – первостепенная задача управления.

Автоматизация вентиляционных установок позволяет справиться с непростой задачей их обслуживания.
Чтобы обеспечить это условие, современные инженеры создали специализированные приборы, датчики и механизмы, с помощью которых можно собрать систему управления и защиты вентиляции.
Грамотно созданная система решает целый набор задач, среди которых наиболее существенны такие:
- Отслеживание, мониторинг и контроль всех параметров системы. Оповещение о неисправностях, опасных режимах, прочих чрезвычайных ситуациях и событиях. Современные средства контроля и мониторинга позволяют оператору в реальном времени отслеживать все важные показатели исправности системы и соответствия режима ее работы желаемому режиму;
- Анализ данных мониторинга и коррекция работы каждого устройства в отдельности и системы в целом в соответствии с предустановленными параметрами и режимами. Управляющая автоматика собирает данные с помощью датчиков, анализирует их с помощью вычислительных мощностей, принимает решение о внесении изменений в работу и дает сигнал исполняющей механике или устройствам пуска/выключения;
- Защита водяных контуров обогрева приточного воздуха и клапанов от замерзания в зимнее время. С помощью термостатов система отслеживает температуру калориферов и не дает ей опуститься ниже критического значения;
- Переключение режимов работы системы в зависимости от времени суток, дня недели, погодных условий, нагрузки на помещение. Автоматика управления вентиляцией по заданной программе, а также на основе данных мониторинга может вводить в эксплуатацию дополнительные силовые установки, отключать работающие вентиляторы или менять скорость их вращения, включать или выключать осушители воздуха и т.д.;
- Отсечка токов короткого замыкания или иных аварийных режимов для защиты электроники и проводников от опасности перегорания.

Щит автоматики вентиляции в виде настенного шкафа.
Основные узлы

Шкаф управления автоматикой вентиляции.
Следует сразу сказать, что проектирование автоматики систем вентиляции – достаточно сложная инженерная задача, для решения которой необходимо иметь ряд теоретических знаний и определенный опыт.
Также важно знать:
- структуру подобной системы;
- ее основные узлы и детали;
- логику работы и взаимодействия всех ее частей и агрегатов.
Чтобы подобрать наиболее подходящий под конкретные условия комплекс приборов и средств контроля, необходимо знать номенклатуру изделий разных производителей, иметь опыт эксплуатации различных аппаратов, знакомиться с отзывами пользователей, знать модели с точки зрения соотношения цена/качество. Одним словом, нужно быть «в теме».

Спроектировать грамотную вентиляционную автоматику сможет только квалифицированный специалист.
Современные автоматические комплексы оснащены различной аппаратурой, как аналоговой, так и цифровой, включающей три основные группы:
- Сенсорные приборы и датчики. Данная группа включает различные средства сбора информации о реальном состоянии системы по различным параметрам: температуре, давлению, влажности воздуха, силе тока и т.п. Полученная информация преобразовывается в электрический сигнал, который поступает на вход контроллера;
- Регуляторы и контроллеры. Эта группа приборов осуществляет сбор и анализ данных, полученных от датчиков, и на основе анализа дает команды исполняющей механике или выключателям, которые меняют режим работы системы или ее отдельных частей. Регуляторы могут быть собраны на основании аналоговых логических схем или состоять из цифровой техники с программным обеспечением;
- Исполнительная механика. Включает различные приводы, органы регулировки, выключатели и прочие механизмы, которые осуществляют реализацию команд от контроллеров по изменению тех или иных параметров работы вентиляции. Это может быть автоматический клапан приточной вентиляции, сервопривод, выключатель токовой отсечки, регулятор частоты вращения ротора электродвигателя и т.д.

Монтаж автоматики вентиляции лучше доверить специалистам.
Знание логики работы системы не сделает вас специалистом в области автоматики, но у автора статьи такой задачи и не было, ведь все адекватные люди понимают, что чтения статей для получения квалификации явно недостаточно. Однако теперь вы сможете говорить со специалистами на одном языке, понимая, что именно вам предлагают и почему это необходимо.

Различные устройства и узлы систем автоматического управления.
Устройство вентиляционной щитовой для системы с установкой электрического калорифера

Для обустройства данной щитовой используются следующие составляющие автоматики:
- регулятор установки температурного режима (одним из лучших вариантов будет использование шведских деталей компании Regin);
- группа управления вентиляторами приточной, вытяжной системы. Лучшим вариантом является установка приборов, осуществляющих ступенчатую или плавную регулировку;
- индикаторы использования вентиляционной установки;
- группа приборов для поддержания номинальной температуры в помещении;
- выключение подачи электричества на калорифер, при отключении приточных вентиляторов;
- группа приборов для отключения, индикации загрязнения воздушных фильтров;
- устройство защитного отключения при перегреве системы;
- система автоматического выключения при пиковых токах короткого замыкания, значительных перегрузках.
Автоматика системы отопления в частном доме
Еще на этапе будущего строительства частного дома возникает вопрос, какое именно отопления выбрать, чтобы обеспечить и комфортную обстановку в доме и минимизировать затраты на содержание всей отопительной системы. Обычно выбор отопления частного дома сводится к трем основным аспектам выбора:
- Какой выбрать котел;
- Какая будет конфигурация отопительной системы;
- Автоматика системы отопления в частном доме.
Что касается выбора котла, который является основным источником тепла в доме, то выделяют три его основных вида, которые больше всего пользуются популярностью среди потребителей. Каждый из видов имеет как преимущества, так и недостатки.
- Газовый котел. Это будет самый выгодный вариант, если имеется магистральная линия подачи топлива. При отсутствии этой линии, можно использовать сжиженный газ в баллонах, но это не лучшим образом отражается на стоимости обслуживания отопительной системы;
- Электрический котел. Это довольно дорогой вариант, который требует большого расхода электричества. Чтобы минимизировать затраты и обеспечить в помещении комфортную остановку, прибегают к установке электрических теплых полов, который значительно экономней;
- Твердотопливные котлы. Пользуется большой популярностью среди потребителей, так как позволяет легко организовать автономную систему отопления. Но есть и некоторые нюансы: обслуживание такой системы вызывает некоторые неудобства. К тому же, такие котлы лучше всего использовать для обогрева небольших домов или же использовать его в зависимости от сезона.

Рекомендации по сборке ЩУВ и ШУПВВ
Монтажом и тестированием ЩУВ должны заниматься специалистыИсточник ivctl.ru
В любом случае все работы по сборке и установке ЩУВ и ШУПВВ должны производится квалифицированными специалистами с соблюдением ТУ 3431-001-67762877-2013 и ТУ 4371-001-67762877-2016. Самостоятельный монтаж и сборка устройств управления категорически запрещена. Корпусы щитов или шкафов тоже нельзя изготавливать по собственному усмотрению – их заказывают в соответствии с предполагаемым оборудованием. В тех случаях, когда не хватает каких-то проводов, креплений или тумблеров (такое часто случается) их замена должна в точности соответствовать заданным техническим характеристикам.
Комплект элементов ЩУВ сопровождается схемойИсточник oboiman.ru
К комплектации всех ЩУВ и ШУПВВ заводом-изготовителем всегда прилагается монтажная схема, которой будет руководствоваться специалист при сборке. Но её сохраняют на предприятии на случай необходимости проведения каких-либо ремонтных работ.
Щит автоматики поддержание постоянного расхода воздуха.
Основные задачи, выполняемые автоматикой вентиляции
При возникновении некоторых неисправностей, происходит срабатывание автоматического управления вытяжки, обеспечивается высокая безопасность:
- Решение задач по управлению и мониторингу нормальной работы схемы. Должен устанавливаться сигнализатор аварии, опасных режимах эксплуатации оборудования. Новые разработки позволяют управлять работой схемы удаленно. Оператор наблюдает за функционированием устройства, может вносить коррективы, устанавливать оптимальные режимы.
- Произведение индивидуального анализа и мониторинга работы каждого отдельного механизма и общей деятельности схемы вентиляции. Датчики устройства доставляют информацию, автоматика производит исследование ситуации и вносит корректировки в работу вентиляционного оборудования. В случае аварии, подается сигнал на кнопку пуска для выключения оборудования.
- Осуществляет защиту клапанов и водяного контура нагрева от низких температур, не позволяет опускаться температуре до критического уровня.
- Обеспечивает возможность управления процессом вентилирования помещения, переключая режимы эксплуатации оборудования. При перепадах нагрузки, температуры в помещении – система управления способна понижать скорость вращения вентиляторов, полностью выключать оборудование и поддерживать комфортные условия в обслуживаемом помещении.
- В случае короткого замыкания и других аварийных ситуаций, производит блокировку механизмов, для исключения пожара и поражения людей током.
Сложность выполняемой работы зависит от укомплектованности щита автоматического устройства.
Эффективность
В качестве достоинств автоматизированных систем контроля над кондиционированием и вентиляцией воздуха можно назвать:
- Централизованное управление – очень популярные в последнее время системы контроля над обеспечением здания подразумевают использование одного, главного пульта контроля. Это упрощает взаимодействие программно-аппаратной среды с оператором, гарантирует быстрый доступ ко всей необходимой информации и своевременно управление. Перевод здания в разные режимы работы занимает считанные минуты, и включает изменение параметров системы безопасности, отопления, управления освещением, лифтами и многое другое.
- Эффективное использование ресурсов предприятия снижает расходы на обеспечение вентиляцией воздуха и кондиционированием здания. Количество людей в помещении может меняться, меняются также и параметры воздуха снаружи здания, внутри помещений. От подбора оптимальных автоматических настроек зависит и энергопотребление центрального кондиционера.
- Правильно спроектированная и смонтированная система быстро обеспечит заданные в автоматическом или ручном режиме параметры воздуха. Делается это по заранее установленной схеме, которую может корректировать оператор.
- Обеспечение безопасной работы оборудования, включая экономию его ресурса.
- Отслеживание в режиме реального времени основных параметров входящего и выходящего воздуха, состояния засоренности фильтров, скорости работы вентиляторов с единого центра управления.
- Обеспечение дистанционного оборудования и удаленная диагностика работоспособности сложного комплекса.
В целом, установка автоматики контроля работы кондиционера и вентиляции воздуха способна экономить от 50 до 70% всех энергетических затра
т.
В качестве входящих данных предусмотрены:
- температура воздуха внутри и за пределами помещения;
- абсолютная влажность поступающего воздуха;
- относительная влажность;
- расчетная энтальпия воздуха;
- данные с установленных датчиков;
- скорость движения ветра за пределами здания.
«Акрукс-Про» – профессионалы в области автоматизации систем отопления и вентиляции
Для того чтобы автоматизировать работу климатических установок, можно в течение долгого времени искать решения и партнеров для их реализации, но гораздо проще будет обратиться в компанию с большим опытом и комплексным подходом к вопросу.
Специалистам «Акрукс-Про» вы можете доверить подбор оборудования, адаптацию технологических и функциональных помещений, разработку режимов работы и непосредственную установку комплексов отопления, вентиляции, кондиционирования. Уже функционирующие объекты, спроектированные и реализованные нами в Санкт-Петербурге, Ярославле и других городах, получили сертификаты престижных рейтингов BREEAM (BRE Environmental Assessment Method) и LEED (Leadership in Energy and Environmental Design), компания открыта к сотрудничеству в сферах строительства и реконструкции.
Кондиционирование воздуха
: Автоматическое поддержание в закрытых помещениях всех или отдельных параметров воздуха (температуры, относительной влажности, чистоты, скорости движения и качества) с целью обеспечения, как правило, оптимальных метеорологических условий, наиболее благоприятных для самочувствия людей, ведения технологического процесса, обеспечения сохранности ценностей (СП 60.13330.2012).
Системы кондиционирования делятся на три основные группы:
Сплит-система
. Это система кондиционирования воздуха, состоящая из двух блоков: внешнего (компрессорно-конденсаторного агрегата) и внутреннего (испарительного). Принцип работы системы основан на удалении тепла из кондиционируемого помещения и переносе его на улицу. Сплит-система, как и любая система кондиционирования работает на тех же физических принципах, что и бытовой холодильник.
Центральные системы кондиционирования, совмещенные с системами вентиляции
. Основной задачей таких систем является поддержание соответствующих параметров воздушной среды: температуры, относительной влажности, чистоты и подвижности воздуха во всех помещениях объекта с помощью одной или нескольких технологических установок, за счет распределения потоков с помощью системы трубопроводов.

При этом правильный состав воздуха поддерживается больше вентиляцией, чем кондиционированием. Приточная вентиляция отвечает за приток свежего воздуха, вытяжная – за вытяжку вредных примесей.
Приточная установка служит для обработки воздуха и подачи его в обслуживаемые помещения. Под обработкой воздуха понимается его очистка от пыли и других загрязнений, охлаждение, нагрев, осушение или увлажнение.
Мультизонные системы
. Их применяют для объектов с большим количеством помещений, где есть необходимость в индивидуальном регулировании температуры воздуха и особые требования по комфортности помещений, например, помещения серверных или технологического оборудования, требующего большого теплоотвода. Конструктивно мультизональная система состоит из одного или нескольких наружных блоков, соединенных хладоновыми трубопроводами, электрическими кабелями питания и управления с необходимым числом внутренних блоков настенного, напольно-потолочного, кассетного и канального исполнения.

Наиболее распространенными мультизонными системами являются чиллеры, фанкойлы, центральные кондиционеры.
Система автоматизации позволяет системе кондиционирования обеспечить необходимые, порой существенно различающиеся, параметры в помещениях, при этом не допуская перерасхода электроэнергии (VRV и VRF системы).

Возможная ошибка при проектировании: Не разделять северный
и южный контуры
отопления и кондиционирования в больших зданиях. В результате, одна половина работников находится в комфорте, а вторая либо замерзает, либо перегревается.
Что такое автоматика для вентиляционных систем
Сегодня автоматические системы управления вентиляцией представлены большим комплексом всевозможных технических приборов. Все они, начиная от термостатов, и заканчивая сложными компьютеризированными модулями, предназначаются для облегчения управления и контроля над работой принудительных вентиляционных систем. Разнообразие оборудования даёт возможность решения задач по обеспечению автоматизации на любом объекте, вне зависимости от его характеристик и назначения.
Исходя из эксплуатационно-технических требований, возможен различный подход к изготовлению пультов автоматизированного управления вентиляцией:
- На одних объектах можно обойтись стандартными модулями, выпускаемыми в виде шкафов с установленными в них приборами управления.
- В других случаях монтажникам приходится вручную собирать комплексы, адаптированные под сложные приточно-вытяжные вентиляции с учетом конкретных задач.
Разница в подходах обусловлена необходимостью обеспечить эффективное функционирование вентиляции и созданием комфортных условий для жильцов или работников во внутренних помещениях здания, вне зависимости от времени года и внешних погодных условий.
Управление работой вентиляционных механизмов происходит с помощью комплекса датчиков, установленных внутри помещений. Одни из них действуют по принципу термостата — с повышением температуры внутри здания автоматически включаются вентиляторы, чем обеспечивается приток свежего воздуха.
Рекомендуем ознакомиться: Вытяжка для кухни рециркуляционная без воздуховода
Современные автоматизированные системы оснащаются элементами искусственного интеллекта и более сложными контрольно-измерительными приборами.
Конструктивно подобные модули состоят из трех групп узлов:
- Датчики — приборы, передающие информацию об окружающей среде — термостаты, измерители влажности воздуха, газоанализаторы. Собранные данные они передают в анализирующий центр.
- Центр управления собирает и обрабатывает информацию, поступающую от контрольных датчиков, и на основании полученного анализа выдает команды механизмам управления на изменения режима работы.
- Исполнительные механизмы — узлы, осуществляющие механические действия. К этой группе относятся: преобразователь частоты вращения вентилятора, сервоприводы для регулировки положения задвижек и т.д.
Центры управления анализируют соотношение в воздухе кислорода и углекислого газа, процент влажности, при необходимости выдавая команду проветрить помещение. При обнаружении возгорания высокоинтеллектуальная электроника самостоятельно блокирует приток свежего воздуха, препятствуя распространению пожара.
В обычном режиме автоматика обеспечивает слаженное функционирование всех узлов и механизмов вентиляционных систем без привлечения оператора.
Компьютеризированные модули передают информацию о режиме работы, о показаниях датчиков на единый пульт управления. Это позволяет оператору, при необходимости, корректировать работу автоматики, и менять настройки в удаленном режиме.
В зависимости от конкретной ситуации, используется один из 3-х режимов управления приборами:
- Ручной. Управление вентиляцией осуществляет оператор, находящийся непосредственно в щитовой комнате, либо за удалённым пультом управления.
- Автономный. Аппаратура работает в соответствии с установленными настройками, вне зависимости от прочих инженерных систем, установленных в здании.
- Автоматический. Приборы управления интегрированы в общее управление всеми инженерными комплексами здания. Работа вентиляции синхронизирована с прочими приборами и датчиками, расположенными в доме — например, с пожарной сигнализацией, иными аварийными датчиками.
Таким образом, автоматизированный комплекс исполняет роль управляющего контрольного центра. Он запускает вентиляцию в работу, останавливает её, обрабатывает показания датчиков и устанавливает нужный режим в зависимости от температуры, влажности и прочих параметров.
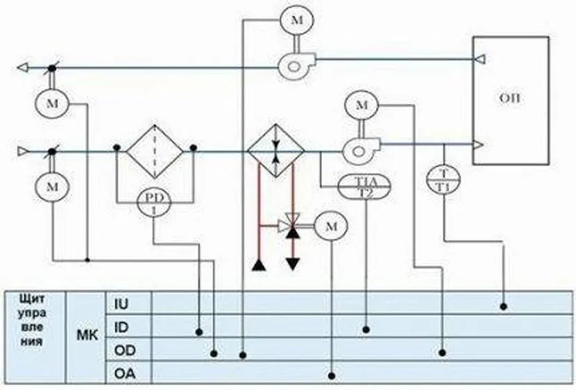
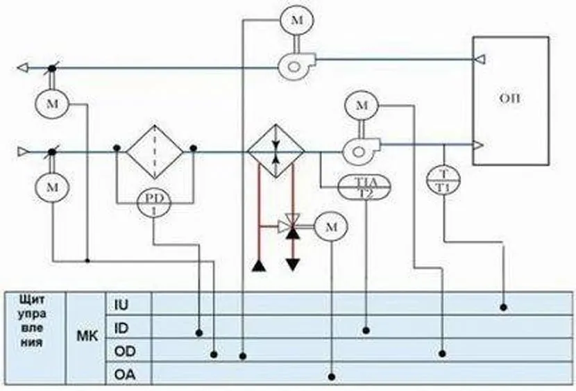
Щитовая для обслуживания автоматики с водяными калориферами
Автоматика приточной вентиляции призвана обеспечивать безопасность при эксплуатации приборов подогрева воздуха, вентиляции помещения. Основной прибор щита – это контроллер AQUA шведского производства. Остальные составляющие устанавливают для решения следующих вопросов:
- производят управление вентиляторными устройствами;
- поддерживают заданную температуру воздушных масс;
- переключают режимы эксплуатации;
- управляют приводами клапанов с возвратными пружинами, обеспечивающими закрытие воздухозаборными клапанами, в случае выключения вентиляторных установок, коротком замыкании фазы на корпус;
- управляют работой насоса циркуляции воды в калорифере, устанавливаемом в узле обвязки;
- осуществляют контролирование за температурой воды в обратной магистрали при разных режимах работы, при выключении калорифера;
- выключают подачу энергии при загрязнении воздушного фильтра.
Автоматизация вентиляции позволяет решать сложные задачи в любых условиях и при различных режимах эксплуатации оборудования. Каждая схема вентилирования воздуха монтируется с автоматической системой управления процессом.
В заключение, отметим основные моменты, на которые следует обращать пристальное внимание при покупке приборов оснащения щита автоматического управления устройством вентилирования зданий. Основной критерий выбора – это надежность комплектующих
Обязательно попросите у менеджера сертификат качества данных приборов, а также гарантии компании изготовителя щитов вентиляции и каждой отдельной детали. Обращайте внимание на наличие производственной базы для выполнения ремонта, гарантийного сервисного обслуживания вентиляционного оборудования, схемы автоматического управления процессом
Основной критерий выбора – это надежность комплектующих. Обязательно попросите у менеджера сертификат качества данных приборов, а также гарантии компании изготовителя щитов вентиляции и каждой отдельной детали
Обращайте внимание на наличие производственной базы для выполнения ремонта, гарантийного сервисного обслуживания вентиляционного оборудования, схемы автоматического управления процессом
Каждый прибор должен иметь паспорт, инструкцию, схему подключения. Сегодня на рынке вентиляционного оборудования, различные производители предлагают разнообразный ассортимент комплектующих и схем устройств щитов вентиляции. Сделав правильный выбор, качественно выполнив монтаж автоматических шкафов, вы получаете надежное, безопасное оборудование, на достаточно долгое время.
Система приточной вентиляции – техническая система, главная функция которой — обеспечение в течение заданного времени качественного состава воздуха в определенных точках помещения здания/сооружения путем забора и транспортировки к ним атмосферного воздуха в достаточном объеме из окружающей среды.
Избыточный воздух, закачанный приточной вентиляцией из помещений может удаляться:
- пассивным способом – за счет естественным оттока воздуха при избыточном давлении через двери, окна, вентиляционные отверстия/каналы, (энергоэффективность такого решения – нулевая);
- активным способом – за счет принудительного отбора воздуха из помещения (энергоэффективность такого решения определяется степенью рекуперации энергии, затраченной на нагрев или охлаждение воздуха.)
Базовыми элементами системы приточной вентиляции являются:
- система забора атмосферного воздуха — вентилятора с электрическим приводом (забор и нагнетание его в систему подготовки воздуха и распределения);
- воздушные клапаны (перекрывает возможность циркуляции воздуха в системе приточной вентиляции при её отключении).
- очистки воздуха;
- кондиционирования воздуха (нагрев, охлаждение);
- увлажнения воздуха;
- воздуховодов (обеспечивают транспортировку поступающего воздуха в пространстве здания);
- нагнетательных вентиляторов в системе воздухопроводов (для компенсация потерь давления и скорости движения воздушного потока в воздуховоде);
- шумоподавления.
В некоторых случаях система вытяжной вентиляции, как и система приточной вентиляции, оборудуется системой очистки воздуха, например при удалении воздуха из зоны приготовления пищи в кафе и ресторанах, устанавливаются системы очистки воздуха от жира.Для предотвращения потерь тепла через входы/выходы здания в холодное время года устанавливаются тепловые завесы.
Примеры применения ПЧ в вентиляции различных типов
Преобразователи частоты можно использовать во всех типах вентиляционных систем
Общеобменные вытяжные системы. Такая вентиляция обеспечивает воздухообмен во всех помещениях объекта. Частотные преобразователи обеспечивают согласование работы вытяжки и приточки. Для этого применяется схема на базе 2-х частотных преобразователей (“ведущий-ведомый” со связью по аналоговым входам) или один многофункциональный ПЧ.
Система дымоудаления. Противодымная вентиляция служит для удаления ядовитых продуктов горения и нагнетания чистого воздуха в места скопления людей. Частотные преобразователи осуществляют регулировку разряжения и избыточного давления в контрольных зонах при пожаре. Для таких ПЧ обязательна функция пожарной блокировки, устройство должно функционировать до полного разрушения.
Приточные системы с постоянным расходом воздуха. Вентиляторы в таких установках работают с постоянной скоростью. Частотный преобразователь выполняет при этом функции защиты электродвигателя и связи с системой автоматизации и диспетчеризации сооружения.
Приточная вентиляция с переменным расходом воздуха. Установка частотных преобразователей позволяет отказаться от регулировки потока заслонками. ПЧ в многозональных системах задает индивидуальные алгоритмы работы вентиляторов во всех помещениях.
Местная вытяжка. Частотный регулятор в таких системах служит для изменения производительности оборудования.
Системы с рециркуляцией воздуха. В таких воздухообменных установках удаляемый воздух смешивается с приточным и при необходимости подогревается. ПЧ используется для изменения отношения объема поступающего и удаляемого воздуха путем изменения частоты вращения соответствующих вентиляторов.
Системы с рекуперацией. В этих установках тепло удаляемого воздуха используется для нагрева воздуха в помещении. В системах с роторным рекуператором частотный преобразователь автоматически увеличивает скорость его вращения при снижении температуры воздуха и наоборот.

Задачи автоматики для вентиляции зданий

Сервопривод куплен наа Aliexpress за 2 usdИсточник youtube.com
Сегодня на любом современном предприятии есть множество приборов и узлов для управления приточной вентиляцией и набор их функций порой не просто помогает, но даже может спасать здоровье и человеческие жизни. ПУ модуля ШУПВВ или ЩУВ оснащаются элементами электронного интеллекта для следующих действий:
- постоянное поддержание микроклимата помещения в заданном режиме (температура, влажность, загазованность);
- возможность дистанционного управления тем или иным блоком (запуск/блокировка, смена режима) удаленно (оператором при помощи ПУ);
- автоматически переход оборудования на другой режим при смене сезона (зима – лето);
- контроль всех фильтров на уровень загрязнение и автоматическая подача сигнала о необходимости их очистки/замены;
- автоматическое управление приточной вентиляцией при помощи заслонок;
- блокировка притока воздуха при срабатывании пожарных датчиков безопасности;
- отключение электропитания при возникновении скачков напряжения.
Автоматизация систем вентиляции и кондиционирования.
Разновидности ЩУВ и ШУПВВ

Сборка щитов должна обеспечивать полную видимость каждого прибора и максимально быстрый доступИсточник oboiman.ru
Современный рынок электрооборудования предлагает широкий выбор самых разных ЩУВ и ШУПВВ, классифицируя их по размерам и по категориям. Все модификации можно разделить, как минимум, на четыре пункта:
- Оборудование для проветривания и удаления задымленности в помещениях. Такой климат-контроль нужен на производстве, например, для обустройства рабочего места сварщика или в кузне.
- ЩУ, контролирующие запуск, остановку и частоту вращения (мощность) систем вентиляции. Как правило, устройства такого типа имеют обширный функционал и могут устанавливаться как в подвесных, так и напольных шкафах управления. Возможна работа с фреонными установками, водяными калориферами и управление приточной вентиляцией.
- ЩУ электроснабжением приточно-вытяжной вентиляции. Сюда включается рекуператор для поддержания заданной температуры входящих и выходящих газовых потоков. Существуют также модификации, на основе гликоля (CₙH₂ₙ(OH)₂), где в системе теплоснабжения применяется циркуляция незамерзающих жидкостей типа антифриза. Сюда также входит циркуляционный насос и автоблокировка от неконтролируемых температурных перепадов.
- Модель с использованием обычного рекуператора рассматривается, как ЩУ приточной вентиляцией. Его легко перевести в любой режим. Сам рекуператор здесь выполнен в виде оцинкованного стального куба (квадратного или прямоугольного) с четырьмя патрубками – по два с каждой стороны. К ним подсоединяются металлические или пластиковые воздуховоды.
Рекомендации по сборке ЩУВ и ШУПВВ

Монтажом и тестированием ЩУВ должны заниматься специалистыИсточник ivctl.ru
В любом случае все работы по сборке и установке ЩУВ и ШУПВВ должны производится квалифицированными специалистами с соблюдением ТУ 3431-001-67762877-2013 и ТУ 4371-001-67762877-2016. Самостоятельный монтаж и сборка устройств управления категорически запрещена. Корпусы щитов или шкафов тоже нельзя изготавливать по собственному усмотрению – их заказывают в соответствии с предполагаемым оборудованием. В тех случаях, когда не хватает каких-то проводов, креплений или тумблеров (такое часто случается) их замена должна в точности соответствовать заданным техническим характеристикам.

Комплект элементов ЩУВ сопровождается схемойИсточник oboiman.ru
К комплектации всех ЩУВ и ШУПВВ заводом-изготовителем всегда прилагается монтажная схема, которой будет руководствоваться специалист при сборке. Но её сохраняют на предприятии на случай необходимости проведения каких-либо ремонтных работ.
Щит автоматики поддержание постоянного расхода воздуха.
Архитектура
Автоматизированная система управления вентиляцией (АСУВ) представлена тремя иерархическими уровнями.
В состав первого (нижнего) уровня входят датчики сигналов и исполнительные устройства.
Второй (средний) уровень состоит из контроллеров С2000-Т производства компании БОЛИД.
Контроллеры обеспечивают выполнение функций контроля, регулирования и управления инженерным оборудованием в объеме, достаточном для поддержания работы всех трех видов вентиляционных систем (приточная, вытяжная, приточно-вытяжная) в соотношении «одна система — один контроллер». Для вытяжной вентиляции реализовано подключение двух вентиляционных установок к контроллеру. Все алгоритмы готовы и требуют только настройки.
Перечень параметров контроллера С2000-Т
| № п/п | Наименование параметра | Тип сигнала | Приточная вентиляция | Вытяжная вентиляция | Приточно-вытяжная вентиляция |
|---|---|---|---|---|---|
| 1 | Температура наружного воздуха | AI | + | — | + |
| 2 | Температура помещения | AI | — | — | + |
| 3 | Температура приточного воздуха | AI | + | — | + |
| 4 | Температура обратной воды | AI | + | — | + |
| 5 | Защита водяного теплообменника | DI | + | — | + |
| 6 | Фильтр загрязнен | DI | + | — | + |
| 7 | Обрыв ремня приточного вентилятора | DI | + | — | + |
| 8 | Обрыв ремня вытяжного вентилятора | DI | — | — | + |
| 9 | Состояние системы (дежурный/активный режим) | DI | + (2 шт.) | — | — |
| 10 | Сигнал от контакта аварийного выключателя вентилятора | DI | — | + (2 шт.) | — |
| 11 | Состояние ручного переключателя режима работы вентилятора (пуск/авто) | DI | — | + (4 шт.) | — |
| 12 | Управление вытяжным вентилятором (старт/стоп) | DO | — | + (2 шт.) | + |
| 13 | Выход индикации аварийного режима | DO | — | + (2 шт.) | + |
| 14 | Управление приточным вентилятором (старт/стоп) | DO | + | — | + |
| 15 | Управление приводом жалюзи (откр/закр) | DO | + | — | + (2 шт.) |
| 16 | Управление циркуляционным насосом (вкл/выкл) | DO | + | — | + |
| 17 | Управление клапаном водяного нагревателя | AO | + | — | + |
| 18 | Управление клапаном водяного охладителя | AO | + | — | — |
| 19 | Управление роторным рекуператором | AO | — | — | + |
Примечание: |
Третий (верхний) уровень включает в себя автоматизированное рабочее место (АРМ) оператора на базе SCADA КРУГ-2000, совмещенное по функциям с архивным сервером.
Аналоговые и дискретные сигналы с датчиков и исполнительных устройств приточной, вытяжной и приточно-вытяжной вентиляции поступают на контроллеры, проходят первичную обработку и далее по цифровому интерфейсу RS485 (протокол Modbus) передаются на АРМ оператора с целью их дальнейшей обработки, отображения и хранения. С АРМ оператора осуществляется также дистанционное управление исполнительными устройствами вентиляционных систем.





































