Устройство выключателей различного типа
По своему предназначению — включать и выключать электрический прибор, выключатели любого типа отвечают требованиям. Но они различаются между собой по конструкции.
Клавишный
Конструкция, которую чаще всего можно встретить. Как работает выключатель света клавишный? В одном положении контакты замкнуты и свет включен, в другом – разомкнуты и освещение выключено. Клавишный выключатель подразделяется на: одноклавишный, двухклавишный и трехклавишный .
Клавишный выключатель
С течением времени устройство выключателя клавишного типа, практически, не изменилось, за исключением декора пластиковой поверхности. За ней находится действующая подвижная панель, управляющая контактной группой. Все это собрано на несущей конструкции.
Кнопочный
Как видно из названия, этот вид выключателя основан на кнопке. Существует два варианта такого прибора:
Кнопочный выключатель
- С фиксацией. Работает подобно клавишному. При первом нажатии кнопка фиксируется в положении включено. При втором – отжимается в отключенное положение. Применяется для светильников, встраиваясь в них.
- Без фиксации. При нажатии контакты замыкаются, при отпускании – размыкаются. Могут использоваться для электрических звонков и для схем с импульсными реле. Предназначен для вертикальной плоскости.
Шнуровой или веревочный
Такой светильник вы наверняка видели не раз. Этот выключатель веревочного типа, (выключение-выключение от шнурка) бывает встроенным в настенные светильники, а бывает идет отдельным прибором, предназначенным для освещения всей комнаты или ее части. Управляется методом дерганья за шнурок.
Веревочный или шнуровой выключатель
Как работает выключатель света шнуровой? Механизм такого светильника сложнее, чем его принцип действия. Алгоритм прост – каждая манипуляция веревкой изменяет состояние контактов на противоположное:
- потяните за шнур первый раз — и свет включится;
- потяните второй раз чтобы его выключить;
- третий раз снова произойдет включение и так далее.
Он работает по механизму замыкание-размыкание контактной группы. Такой выключатель с определенной степенью допущения можно назвать механической реализацией импульсного реле.
Поворотный
В наши дни, это довольно редкий экземпляр. Поворотные выключатели замыкают и размыкают контакты при повороте рукоятки. В настоящем применяются редко, поскольку не очень удобны в пользовании, разве, что ради декора.
Поворотный выключатель
Но есть и современные выключатели, которые можно отнести к этой категории. Они совмещены с диммерами — это такие регуляторы яркости. Чтобы выключить свет, нужно повернуть рукоятку в сторону минимальной яркости и довернуть до фиксации. Чтобы выключить свет — поверните ручку в противоположном направлении.
Акустический
Выключатель с реакцией на звук. Внутри встроен микрофон, который улавливает звук и преобразовывает его в электрический сигнал, тот, в свою очередь усиливается, фильтруется, сравнивается с установленным порогом.
Акустический выключатель
Акустический выключатель будет незаменимой вещью в доме или квартире, где проживает человек с нарушениями двигательных функций или слабовидящий. Если уровень звука превышен, формируется команда на включение или отключение нагрузки. Однако есть вероятность посторонних шумовых эффектов, от которых возможны несанкционированные срабатывания.
Сенсорный
Это новшество среди включателей характеризуется тем, что для включения освещения достаточно дотронуться до панели не прикладывая усилия для нажатия. Больше всего такие включатели подходят для системы «Умный дом», ведь помимо включения света, к этому выключателю можно встроить дополнительные функции. В обычных же домах этот выключатель служит для эстетики и оформления помещений в стиле Хай-Тек.
Сенсорный выключатель
Свет в одной комнате
Когда свет в одной цепи тускнеет, но все остальное в доме работает нормально, это обычно является признаком перегрузки в этой цепи. Наиболее распространенным сценарием является то, что большой прибор, такой как холодильник, разделяет цепь с огнями. Каждый раз, когда прибор включается, он потребляет больше энергии, чем во время работы, и результирующее падение мощности приглушает свет.
Перегруженная цепь не опасна, но становится проблематичной, когда потребление тока превышает номинальное значение автоматического выключателя, и автоматический выключатель отключается. Если это происходит неоднократно, вам нужно что-то сделать.
Наиболее эффективным решением является добавление новой схемы для устройства, которая, если это холодильник, в любом случае должна быть включена в выделенную цепь. Если вы живете в старом доме, панель может быть слишком маленькой для новой цепи. Обновление панели является дорогостоящим предложением, поэтому альтернативой является перемещение устройства, чтобы вы могли подключить его к менее используемой цепи.
Виды звуковых выключателей
Акустические выключатели могут реагировать на голосовые команды и хлопки
Существуют следующие типы акустических выключателей:
- Приборы, реагирующие на хлопок. Заранее программируется, при каком количестве хлопков будет выполняться та или иная команда.
- Приборы, реагирующие на голос или заранее поставленную команду.
- Комбинированные устройства (например, светоакустический выключатель). В них могут устанавливаться звуковые, световые датчики или сенсоры движения. Это наиболее технологичные устройства, у которых риск ложного срабатывания максимально снижен.
- Устройства для слаботочных систем. Используются для подключения видеокамеры или передачи команды охране.
Акустические выключатели стали популярными благодаря удобству применения. Они полезны для пожилых людей, лежачих больных и маленьких детей. Приборы такого класса уже активно используются в системе «Умный дом».
Выключатель по хлопку с микроконтроллером
Микроконтроллер — это маленький кусочек кремния, покрытый пластиком и имеющий металлические выводы, который не выполняет никаких функций без программного обеспечения. Применение его в любой техничке делает её умной и предполагает использование в системе «Умный дом».
Отличие от стандартного звукового выключателя:
- уменьшенное время срабатывания до 100 микросекунд;
- возможности перепрограммирования, установки индивидуальных параметров;
- увеличенный радиус действия;
- возможность изменения порогового значения сигнала (для устранения помех и исключения реагирования на ложные команды);
- плавное изменение яркости освещения;
- меньшее количество составных частей;
- защита от замыкания.
Диммерный акустический выключатель
Оптико-акустический выключатель для скрытой проводки Диммирование – это регулировка нагрузки, которую потребляет прибор. С помощью диммеров можно плавно включать свет, регулировать яркости светодиодной лампы или лампочки накаливания. Не применяется для люминесцентной лампы. Также диммерные устройства могут применяться для регулировки температурного режима в утюгах, паяльниках, чайниках и других бытовых приборах.
Оптико-акустический выключатель нужен для диммерного включения электричества. Принцип работы микросхемы следующий:
- сигнал в виде звука попадает на микрофон;
- звук переводится в импульс;
- импульс отправляется на микроконтроллер и проходит через усилитель, заряжая конденсатор;
- достигается заряд большой величины, после чего переключается компаратор;
- ноль на выходе меняется на импульс;
- активируется транзитный генератор, который направляет импульсы;
- открывается симистор, через который проходит питание на светильник;
- конденсатор теряет уровень напряжения;
- на симистор подается сигнал с возрастающим фазовым замедлением;
- плавно включается свет.
Если правильно подобрать все номиналы компонентов, светильник выключается с паузой до 3 минут. Для работы диммера нужна лампа с мощностью не ниже 40 Вт. Напряжение на оптико-акустическом переключателе плавно изменяется в диапазоне от 0 до 220 В.
Преимущества:
- благодаря плавному включению увеличивается срок службы лампы;
- возможность создания освещения нужной яркости в определенном месте;
- возможность управления светом с помощью интеллектуальных систем.
К недостаткам можно отнести невозможность размыкать сеть в случае короткого замыкания и отсутствие защитной функции от перегрузок.
Устройство собственного производства
На просторах Интернета можно найти разнообразные методы для сборки датчика присутствия. Главным элементом для его изготовления является схема датчика, которая может быть представлена следующим образом:
- Подстроечный резистор.
- Питающий элемент, в качестве которого может выступить блок питания.
- Реле.
- Транзистор и фотоэлемент.
Все необходимые детали можно приобрести в специализированном магазине. Однако собранный прибор по частям собственными руками обойдется гораздо дороже, чем готовое изделие (только реле имеет стоимость примерно 300 р.). Таким образом, целесообразнее купить датчик движения, стоимость его будет варьироваться в пределах 450 руб., чем потратить на его изготовление в два раза больше денежных средств и собственных усилий.
Датчики, позволяющие определить наличие присутствия объекта в пространстве, являются весьма выгодным вложением. Обеспечивая комфорт и безопасность, они также позволяют своим владельцам снизить затраты денежных средств на электроэнергию. Срок окупаемости данного прибора обычно не превышает двух с половиной лет. Кроме того, такое устройство выведет ваше помещение на новый этап обустройства и сделает его более современным.
Акустическое реле (схема, монтажная плата)
Самый лучший акустический выключатель.
Многим из вас приходилось подолгу нащупывать в темноте выключатель настольной лампы, натыкаясь на разные предметы. Этот процесс обычно сопровождается грохотом и нецензурными выражениями. Но теперь этому пришёл конец! Предлагаемый акустический выключатель выгодно отличается от всех подобных: не требует внешнего источника питания, собирается из распространённых деталей (в частности в нём нет реле), имеет неплохую чувствительность и защиту от сетевых помех, а главное – простоту конструкции и настройки. Хлопок в ладоши – устройство включит свет, ещё хлопок – выключит. Время нахождения в каждом из состояний неограниченно.

Принцип действия
Звуковой сигнал от электретного микрофона поступает на двойной усилительный каскад на транзисторах VT1 и VT2. Применение транзисторов разной проводимости позволило избежать паразитных связей. Конденсатор С3 защищает схему от сетевых помех. Резистор R5 шунтирует вывод 11 микросхемы и одновременно является нагрузкой транзистора VT2. Сигнал на выходе усилителя имеет синусоидальную форму, но для управления триггером сигнал должен быть импульсным. Преобразование сигнала осуществляется одновибратором, выполненным на блоке DD1.1 микросхемы К561ТМ2. Длительность импульса при указанных номиналах R6 C4 составляет 0,5с.

Сердцем устройства является триггер, выполненный на элементе DD1.2 той же микросхемы. Триггер – устройство, имеющее два устойчивых состояния и переключаемое из одного состояния равновесия в другое при каждом воздействии внешнего управляющего сигнала. Когда на выходе триггера (вывод 1 микросхемы) присутствует низкий уровень напряжения, транзистор VT3 закрыт и нагрузка обесточена. При высоком логическом уровне на выходе DD1 транзистор VT3 и тиристор (соответственно) находятся в открытом состоянии и на нагрузку (EL1) поступает напряжение питания. Использование устройства возможно только с лампой накаливания, т.к. на нагрузку подаётся выпрямленное четверкой диодов напряжение, включенных по мостовой схеме. Источник питания выполнен по бестрансформаторной схеме. Переменное напряжение выпрямляется диодным мостом VD2-VD4, проходит через ограничительный резистор R9 и фильтруется стабилитроном VD1 и конденсатором C5. При слишком высоком сопротивлении R9 тока может не хватить для отпирания тиристора, при слишком низком – сгореть стабилитрон. Оптимальное значение R9 составляет 28 кОм. Чувствительность устройства на хлопок составляет 4-6 метров. Детали
Лампа накаливания ELI рассчитана на напряжение 220-235 В и мощность 7-60 Вт. Электретный микрофон любой. Все постоянные резисторы типа МЛТ, мощность резистора R9 2Вт. Все конденсаторы на напряжение не менее 16В. Стабилитрон VD1 заменяют КС 175А, Д808, Д814А или на аналогичный с напряжением стабилизации 9-12 В. Выпрямительные диоды VD2-VD4 заменяют диодами КД226В, КД258Б, Д112-16 и аналогичные, учитывая, что их обратное напряжение не должно быть менее 300 В. Вместо дискретных диодов можно применить готовый выпрямительный мост типа КЦ402А, КЦ405А, КЦ407А. Вместо транзистора VT3 можно применить КТ940А-КТ940Г, КТ630А-КТ630В и даже КТ315Б. Транзистор VT1 структуры n-p-n,VT2 структуры p-n-p. Тиристор VS1 должен быть с минимальным током управляющего электрода. Кроме указанного на схеме, это может быть Т112-16-х или другой, с худшими характеристиками, например, типа КУ201 К-КУ201М, КУ202К-КУ202Н.Монтаж Устройство собирают на монтажной плате и закрепляют в корпусе из диэлектрического материала. Соблюдайте цоколёвку микросхемы!
При монтаже элементов стремятся к тому, чтобы их выводы имели минимальную длину (для уменьшения влияния помех). Силовую часть монтируют так, чтобы корпуса тиристора и выпрямительных диодов (в случае применения дискретных диодов) не имели контакта с другими элементами (не санкционированного по электрической схеме). Не размещайте резистор R9 вблизи других компонентов во избежание их перегрева. Не устанавливайте выключатель на столе, т.к. тряска во время работы может привести к ложному срабатыванию. НалаживаниеАхтунг! Не касайтесь силовой части включенного в сеть устройства! Не забывайте о предохранителе! В налаживании устройство не нуждается и при исправных элементах начинает работать сразу после включения. Чувствительность узла можно подкорректировать изменением помехозащитного конденсатора С3, его ёмкость лежит в пределах 0,1-1мкФ. Чем выше ёмкость С3, тем ниже чувствительность.
Хлопковый выключатель своими руками: схема, видео, фото
Для повышения своего комфорта и упрощения повседневной рутины люди постоянно придумывают новые приборы. Сегодня мы рассмотрим устройство для дистанционного управления полезной нагрузкой, с помощью хлопков. Самодельный хлопковый выключатель пригодится, к примеру, для включения света в тамбуре или кладовой, где обычно поиск нужного выключателя доставляет много неудобств. Для читателей сайта https://samelectrik.ru мы подробно расскажем, как сделать такое устройство своими руками, какие детали для этого нужно подготовить и по какой схеме осуществлять сборку.
Схемы сборки
Все хлопковые или акустические автоматы объединяет наличие в схеме микрофона, который нужен для регистрации звука. Также в конструкции предусмотрен усилитель, триггер или реле времени, для управления силовым переключателем.

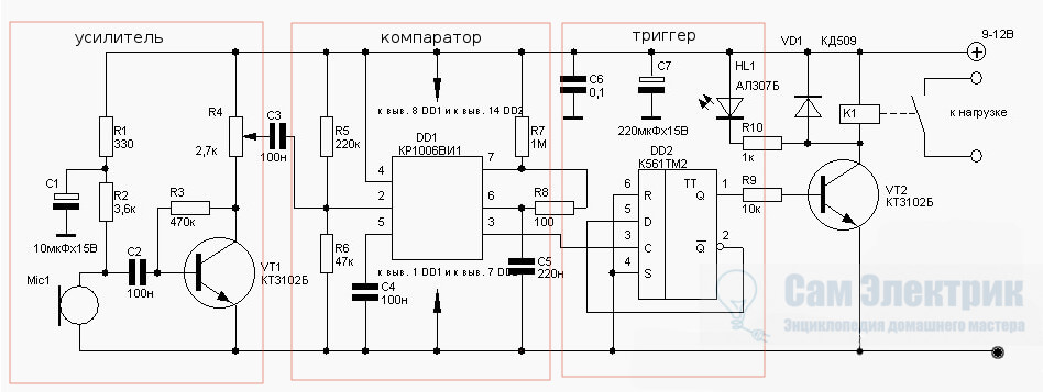
В данной схеме, работающей от сети 220в, сигнал с электретного микрофона поступает на транзистор VT1 для усиления, далее на узел согласования сопротивления и эмиттерный повторитель на транзисторе VT2. А затем на компаратор и триггер, собранные на цифровой микросхеме К561ТМ2.
Компаратор необходим для защиты выключателя от акустических помех, он отсекает слишком короткие или продолжительные звуки. Сигнал, который прошел через фильтр, меняет состояние триггера (на включено или выключено), а тот в свою очередь через силовой транзистор, реле и тиристор управляет нагрузкой. В качестве нее может выступать любая лампа, например — накаливания.
Вот похожая по назначению схема сборки самодельного хлопкового выключателя — на интегральном таймере.

Для удобства изучения схемы мы выделили на ней основные узлы: усилитель микрофона на транзисторе КТ3102, компаратор на микросхеме ne555, триггер ТМ561 и транзистор КТ3102, который управляет силовым реле.
Не менее интересным будет самостоятельная сборка акустического реле на микроконтроллере Ардуино и готовых модулях к нему, что существенно упростит понимание принципов работы начинающими и позволит точно настроить некоторые параметры работы.

Чтобы сделать хлопковый автомат своими руками, необходимо подготовить три платы:
Arduino Nano;
звуковой модуль;
модуль силового реле (обратите внимание, чтобы он был на 5 вольт).
Также необходим компьютер для загрузки прошивки, USB-шнур, блок питания на 5 Вольт (подойдет любая зарядка для телефона). На ПК нужно установить программу Arduino IDE, для прошивки микроконтроллера. Скачать ее можно бесплатно с официального сайта разработчика платы.

Скопировав текст скетча (программы) и вставив его в окно Arduino IDE, можно сразу же прошить контролер. Изменяя некоторые параметры и перезаписывая устройство, можно тонко настроить самодельное звуковое реле под себя для стабильной работы. Как видим из схемы, на к контролеру подключено четыре провода: два на питание. Желтый провод, подключенный к контакту 13, предназначен для управления силовым реле. Зеленым отмечен провод управления от модуля микрофона, подключенный к аналоговому входу А0 контроллера.
Микросхема содержит в себе 8 аналоговых входов и 14 цифровых контактов вход/выход. Для нашего проекта мы взяли А0 и D13, так как вместе с ним загорается светодиод на плате Ардуино, и вы сможете наглядно увидеть, когда на релейный модуль подается сигнал.
Скетч Ардуино для изготовления звукового реле: Скетч
Изменяя значение x в строке if(analogRead(Al)>x), мы устанавливаем порог чувствительности, максимальное значение которого — 1024. Внося изменения в строку delay, изменяется промежуток задержки после исполнения скетча. Тем самым устанавливается время готовности к переключению. В дополнение с этим регулируется защитный порог от помех и ложных срабатываний. Кроме того, чувствительность микрофона можно подкорректировать переменным резистором на плате с помощью маленькой отвертки.
Для проверки и настройки схемы, нами была взята плата Ардуино UNO, основанная на базе микроконтроллера ATmega238. При этом подходят и любые другие модели, так как мы не задействуем много пинов платы, а скетч не требует высокой производительности.
На видео ниже наглядно показывается самодельный хлопковый выключатель, который мы собрали по предоставленной схеме:
Видео инструкции
Несколько простых идей позволяющих самостоятельно изготовить акустический выключатель света, предоставлены на видео:
https://youtube.com/watch?v=h4qfd1tRF74
Теперь вы знаете, как сделать хлопковый выключатель своими руками. Надеемся, предоставленные варианты сборки, простейшие схемы и видео уроки были для вас полезными и интересными!
Также читают:
Правила подключения прибора
Технология монтажа подобных устройств, несмотря на совершенство конструкций, осталась традиционной, как это предусмотрено для стандартных выключателей света.
Обычно на задней части корпуса изделия присутствуют два терминальных контакта – входной и под нагрузку. Обозначаются на устройствах иностранного производства маркерами «L-in» и «L-load».
Техника подключения приборов мало чем отличается от стандарта. Основные рабочие клеммы: L1 (Load) – линия подключения фазы напряжения; L (In) – линия вывода напряжения под нагрузку; СОМ – терминал сопряжения приборов (+)
Эти обозначения должны быть понятны даже неискушенному пользователю. Однако в любом случае рекомендуется обращаться к паспорту устройства перед его установкой. Коммутация в схеме прибора осуществляется по фазной линии.
То есть, на вход «L-in» подается фаза — подключается фазный проводник. А с линии «L-load» снимается напряжение для нагрузки — в частности, для лампы светильника.
Между тем конструкции сенсорных выключателей могут предусматривать подсоединение нескольких независимых нагрузок. На таких приборах количество терминалов для подключения увеличивается.
Дополнительно с терминалом входящего напряжения «L-in» присутствуют уже два или даже три отверстия под нагрузку «L-load». Маркируются обычно примерно так: «L1-load», «L2-load» и т. д.
Полный расклад по выключателю: 1 – терминал выходов нагрузки; 2 – защитная панель; 3 – пружинный механизм крепления проводников; 4 – сведения о производителе; 5 – пожаробезопасный корпус; 6 – интерфейс двойного контроля; 7 – отверстие под винт (+)
Монтаж сенсорных коммутаторов также фактически не отличается от стандартного варианта. Конструкция выключателей изготовлена под размещение в традиционных подрозетниках. Крепление шасси рабочего механизма прибора, как правило, осуществляется винтами.
Другие виды приборов
Кроме клавишных, бывают выключатели света, с успехом использующиеся как в домашних, так и в производственных условиях. Разновидности их зависят от особенностей конструктивного строения. По способу включения они бывают:
- кнопочными;
- веревочными;
- поворотными;
- ползунковыми.
Вам это будет интересно Что называется фазой и нулем в домашней электросети
В кнопочных конструкциях контакты функционируют совместно с пружинным механизмом: при нажатии они смыкаются, а при повторном воздействии — размыкаются. Обычно такие устройства устанавливаются на настольных лампах и настенных светильниках. Цена таких моделей несколько дороже, чем у клавишных механизмов.
Изделия, включаемые с помощью веревки, представляют собой переделанные кнопочные модели. В них переключение происходит за счет рычага, один конец которого нажимает на кнопку, а ко второму привязана веревка или цепочка. Их преимуществом считается то, что светильники очень легко включить в темноте даже ребенку.
У поворотных выключателей света принципиальная схема сходна с клавишными аппаратами. Они обладают двумя фиксированными положениями, которые достигаются поворотом специального рычага. Конструктивно такой механизм выпускается в одиночном исполнении и используется довольно редко — только при монтаже открытой электропроводки.
Одной из простых конструкций считается ползунковый механизм, где включение осуществляется за счет смещения контактного ползунка в одну сторону. При обратном перемещении маленькая защелка перестает удерживать контакты, и они под воздействием пружины разъединяются. Обычно такой механизм используется для включения переносных осветительных устройств.
Применение хлопкового выключателя
Акустический (или хлопковый) выключатель создан для управления электричеством в различных помещениях дистанционно, то есть не прикасаясь непосредственно к тумблеру. Данное приспособление действует по хлопку в ладоши. Помимо источников освещения акустический регулятор может активировать катушки контакторов, преобразователи тока, климатические системы и иное электрическое и электронное оборудование — главное, чтобы хватало мощности.
Акустические выключатели в жилых помещениях
Звуковые выключатели оптимально подходят для сравнительно тихих помещений в доме: спален, библиотек, кабинетов, кладовых, погребов. Установка подобного устройства в спальне позволит вам не вставать с кровати для выключения света после того, как вы почитаете на ночь любимую книгу и удобно устроитесь под одеялом. Чтобы комната погрузилась в уютный, обволакивающий мрак, нужно просто похлопать в ладоши.

Установка хлопкового выключателя в спальне позволяет не вставать с кровати для выключения света
Монтировать подобные приборы в шумных местах и помещениях нецелесообразно, поскольку посторонние звуки будут регулярно провоцировать несанкционированную активацию устройства. В связи с этим звуковой выключатель не подходит для офисных и рабочих помещений, для кухонь, столовых и гостиных.
Хлопковый выключатель очень пригодится в быту людям, передвигающимся на инвалидной коляске, также он будет полезен детям. Как правило, в целях безопасности в детских комнатах электроустройства располагают на высоте 1,7 м. Для того чтобы самостоятельно включить или выключить свет, ребёнку приходится вставать на табуретку, а это также небезопасно: малыш может потерять равновесие и упасть. Если вы установите хлопковый выключатель, ребёнок не будет каждый раз к вам обращаться с просьбой включить или погасить свет. Он просто хлопнет в ладоши и от этого свет зажжётся или погаснет.
Освещение межэтажного пространства
При помощи выключателя, реагирующего на хлопок, можно контролировать свет на площадке между этажами. Для этого он должен быть снабжён фотореле. Восприимчивость датчика движения контролируется делителем напряжения с резистором, создающим фотодиод. Если использование датчика движения не принципиально, его можно отключить. Для этого необходимо выставить резистор на самое низкое значение.

При помощи выключателя, реагирующего на хлопок, можно контролировать свет на площадке между этажами
При освещении межэтажного пространства можно использовать микросхему К176ЛА7. При её применении автомат активации электричества не дребезжит на верхних и нижних показателях. С помощью электретного микрофона принимается акустическая волна и трансформируется в электрический импульс. Затем за счёт применения трехэлектродных транзисторов импульс принимают логические участки микрочипа, производящие сигнал продолжительностью до 10 секунд. В эти 10 секунд лампа находится в активированном, т. е. включённом состоянии. Чтобы её отключить на светлое время суток, нужно подать сигнал с выхода элемента.
ЗВУКОВОЙ ВЫКЛЮЧАТЕЛЬ
Проникшись проблемой частого перегорания ламп накаливания на лестничной клетке в подъезде, решил реализовать схему токоограничителя. А в процессе успешной реализации этого модуля — на просторах интернета наткнулся на очень интересную схему.
Схема акустического реле
Данное устройство позволяет включать лампу по звуковому сигналу. Кроме того, питание лампы осуществляется постоянным током и напряжение на лампе нарастает от 0 до номинального в течении 1 секунды, чего достаточно для медленного прогрева спирали.
Принцип работы звукового выключателя
Усилитель сигнала с электретного микрофона собран на транзисторе VT1 и работает при токе коллектора около 0,2 мА. Питание микрофона осуществляется через резистор R1. Разделительный конденсатор С1 малой емкости подавляет НЧ составляющую звука. Регулировка чувствительности осуществляется подстроечным резистором, включенным в цепь ООС по току. Сигнал, усиленный до амплитуды 1 В, через разделительный конденсатор С2 поступает на вход транзисторного ключа, собранного на транзисторе VT2. Отрицательная полуволна сигнала, превышающая по амплитуде 0,6 В, открывает транзистор VT2 и через диод VD2 и токоограничивающий резистор R7 заряжает конденсатор С5. Такой же результат можно получить при нажатии на кнопку SB1 (кнопка без фиксации). Через делитель R10 R11 это напряжение подается на затвор полевого транзистора VT3, открывает его, в результате закрывается биполярный транзистор VT4. Напряжение на конденсаторе С5 за время около 0,5 мс достигает уровня немного меньшего, чем напряжение на конденсаторе С4. Через резистор R9 начинает заряжаться конденсатор С9, включенный в цепь затвора полевого транзистора VT5. Совместно с цепью отрицательной обратной связи C8 R15 обеспечивается плавное открывание полевого транзистора VT5.
В процессе сборки девайса неожиданно для себя столкнулся с проблемой приобретения транзисторов ZVN2120, а так же рекомендованной автором его замены на КТ501А. На свой страх и риск решил VT3 заменить 2N7000. Сомнения возникли в связи с тем, что у указанных автором транзисторов напряжение сток-исток составляет 240 Вольт, а у 2N7000 всего лишь 60.
Высокоомные резисторы R10, R11 номиналом 100 Мом и 51 Мом были найдены в миниатюрном исполнении мощностью 0,125 Вт. Указанные же автором повергли в ужас своими размерами
В качестве элементов диодного моста звукового выключателя использовал 1N4007 из отслужившей энергосберегающей лампы. Для транзистора VT1 вполне подойдет КТ3102Е, VT4 – КТ3102 с любым буквенным индексом. В результате получилось устройство, реагирующее на хлопок в ладоши либо на другой короткий хлесткий звук на расстоянии примерно 5 метров.
Как утверждает автор и что подтверждено полевыми испытаниями устройства, ключевой транзистор VT5, благодаря его плавному включению и выключению, существенно разогревается именно в эти периоды работы. В ситуации, когда задержки в две-три минуты недостаточно и необходимо снова включить свет, транзистор сильно нагревается, поэтому рекомендую установить хотя бы небольшой теплоотвод для перестраховки.
В итоге, могу рекомендовать данную схему к повторению как исключительно стабильно работающую с перечнем положительных свойств, а также как основу для акустического реле, реагирующего на звуки шагов, дребезг ключей, голосовую команду и т. д. Для реализации чего следует лишь собрать другую схему микрофонного усилителя.
Для облегчения жизни другим заинтересованным выкладываю фото готового звукового выключателя и печатную плату в Sprint-Layout 6.0 (перед нанесением на текстолит делать зеркальное отражение не нужно). Плата (38*50 мм) разведена под транзистор ZVN2120 (КП501А) и в случае применения 2N7000 следует внести коррективы.
Да, забыл указать в своей заметке, что кнопку, указанную в схеме, не ставил, так как устройство планирую установить рядом со светильником в подъезде и дотягиваться до кнопки будет проблематично. Автор статьи — Николай Кондратьев, г. Донецк.
Форум по устройствам автоматики
Обсудить статью ЗВУКОВОЙ ВЫКЛЮЧАТЕЛЬ
Как действует акустический выключатель
Микрофон или акустический датчик преобразует звуковые колебания в электрический сигнал. После усилителя звуковой частоты ЗЧ сигнал детектируется, постоянное напряжение подается на базу транзисторного ключа, в нагрузку которого включена обмотка реле. После превышения порогового уровня на базе ключ срабатывает, и реле замыкает контакты питания 220 В электроприемника. При повторной звуковой команде схема автоматически отключается и прекращается протекание тока в светильнике или электроприборе.
Технические характеристики
Типовые технические характеристики акустического устройства с эксплуатацией в жилом объекте:
- вес нетто (без упаковки) 30 – 60 г;
- габаритные размеры 40*40*15 –86 *86 *26 мм;
- напряжение бытовой сети 220 В;
- максимальный ток нагрузки 5A;
- мощность нагрузки200–1100Вт;
- регулировка звуковой чувствительности 20 –150 дБ;
- класс защиты корпуса IP30 – IP34;
- относительная влажность от 20% до 60%;
- температура эксплуатации от 0°С до +40°С;
- срок гарантии изделий 12–24 месяца.
Составляющие детали
Стандартный акустический выключатель состоит из следующих деталей, запаянных на печатной плате:
- транзисторов и диодов;
- диодного моста и стабилитрона;
- микросхем триггера и компаратора;
- резисторов и конденсаторов;
- микрофона и реле.
Плата помещается в крепкий пластиковый корпус защелками.
Отличия между хлопковым и звуковым (голосовым) выключателем
Голосовые управляющие устройства сложнее переключателей «хлопкового» типа. В них задействованы специальные активные фильтры на микросхемах, выполняющие функции декодера команд. Они распознают последовательность гласных звуков определенной частоты и длительности, игнорируя акустические помехи.
Монтаж и схема подключения выключателя света по хлопку
Как я уже говорил выше, устанавливать хлопковый выключатель я планирую в своей спальной комнате. Там у меня установлен светильник с двумя лампами КЛЛ.
На данный момент светильник подключен через одноклавишный выключатель. Схема имеет следующий вид:
Вот схема подключения дистанционного выключателя «Экосвет‑Х‑300-Л», реагирующего на хлопки.
Белые провода нужно подключить в сеть 220 (В), причем строго соблюдать полярность при этом не требуется. К черным проводам подключается нагрузка — в моем случае это две лампы КЛЛ.
В настоящее время с распределительной коробки на светильник приходит фаза (через одноклавишный выключателя) и ноль. Вот их нам и нужно соединить с белыми проводами.
Черные провода нужно подключить непосредственно на лампы светильника, которые подключены параллельно друг с другом.
Вот схема питания светильника с хлопковым выключателем:
Питание хлопкового выключателя идет через существующий одноклавишный выключатель. Если мы хотим временно вывести его из работы, то достаточно отключить этот одноклавишный выключатель.
С помощью регулятора чувствительности звука выставим нужный нам уровень.
Настроим регулятор так, чтобы хлопок был и не слабым (исключим ложные срабатывания при легких случайных хлопках), и не сильным (чтобы руки не отбить).
Испытания и эксперименты (видео)
Проверим этот выключатель на действие следующих посторонних громких и звонких звуков от:
- ударов молотка
- работающего пылесоса
- звонка телефона
- работы перфоратора
- стука посуды (кружка с ложкой)
Попробуем спровоцировать ложные срабатывания путем воздействия на выключатель звуками от вышеперечисленных приборов и устройств. Алгоритм работы выключателя, а также проведенные мной эксперименты я снял на видео:
Сделаем вывод из экспериментов: выключатель ложно реагирует на звуки от работы перфоратора и на очень звонкие звуки от стука ложки о кружку. В остальных случаях ложных срабатываний замечено не было.
После часа работы я проверил нагрев его корпуса. Могу Вас обрадовать — корпус слегка теплый, что в пожарном отношении является безопасным.





































