Сколько времени заряжается аккумулятор автомобиля от генератора
Как долго заряжается автомобильный аккумулятор от генератора – показатель имперический. Он зависит от легкости запуска – сколько раз был повернут стартер. Остаточный заряд батареи после длительной стоянки разный, температурные условия тоже. Поэтому восстановление емкости батареи зависит от технических показателей генератора, на каких оборотах он выдает ток, сколько дополнительно приборов запитано.
Однако известно, чтобы восстановить способность аккумулятора запустить мотор, нужно поработать на холостом ходу и проехать на средней скорости не менее 20 минут. Для полного восстановления емкости потребуется не менее 3 часов непрерывного движения автомобиля.

Сколько заряжается аккумулятор от автомобильного генератора, зависит от температуры окружающего воздуха, от состояния батареи. Но по мере нагревания электролита химический процесс идет быстрее, внешней энергии требуется меньше. Как быстро идет процесс накопления заряда, больше всего зависит от длительности работы генератора. Поэтому на дальнобойных автомобилях зарядка аккумуляторов от сети производится редко.
Поиск на сайте
Когда произойдёт отсоединение вводной проводки основной линии от распредавтомата сети дома, появляется возможность не выключать вводный автомат, а на освободившиеся окончания отсоединённых проводов присоединить контрольную лампу. Её включение даст сигнал о необходимости отключить автономный источник и выполнить переход на снабжение электротоком от магистральной линии электропередач. Также они способны более точно поддерживать напряжение.
По этой причине надо в первую очередь выбрать оптимальный вариант его подключения: По месту установки электросчетчика. Входные клеммы располагаются сверху, а выходные — снизу.
Чтобы правильно все сделать, просмотрите обязательно видео ниже.
После старта генератора сработает катушка, отвечающая за остановку стартера.
Чего не следует делать!!!
Здесь также требуются перемычки между вводами со стороны резерва.
Рукоятку переключателя установить на сеть генераторной установки.
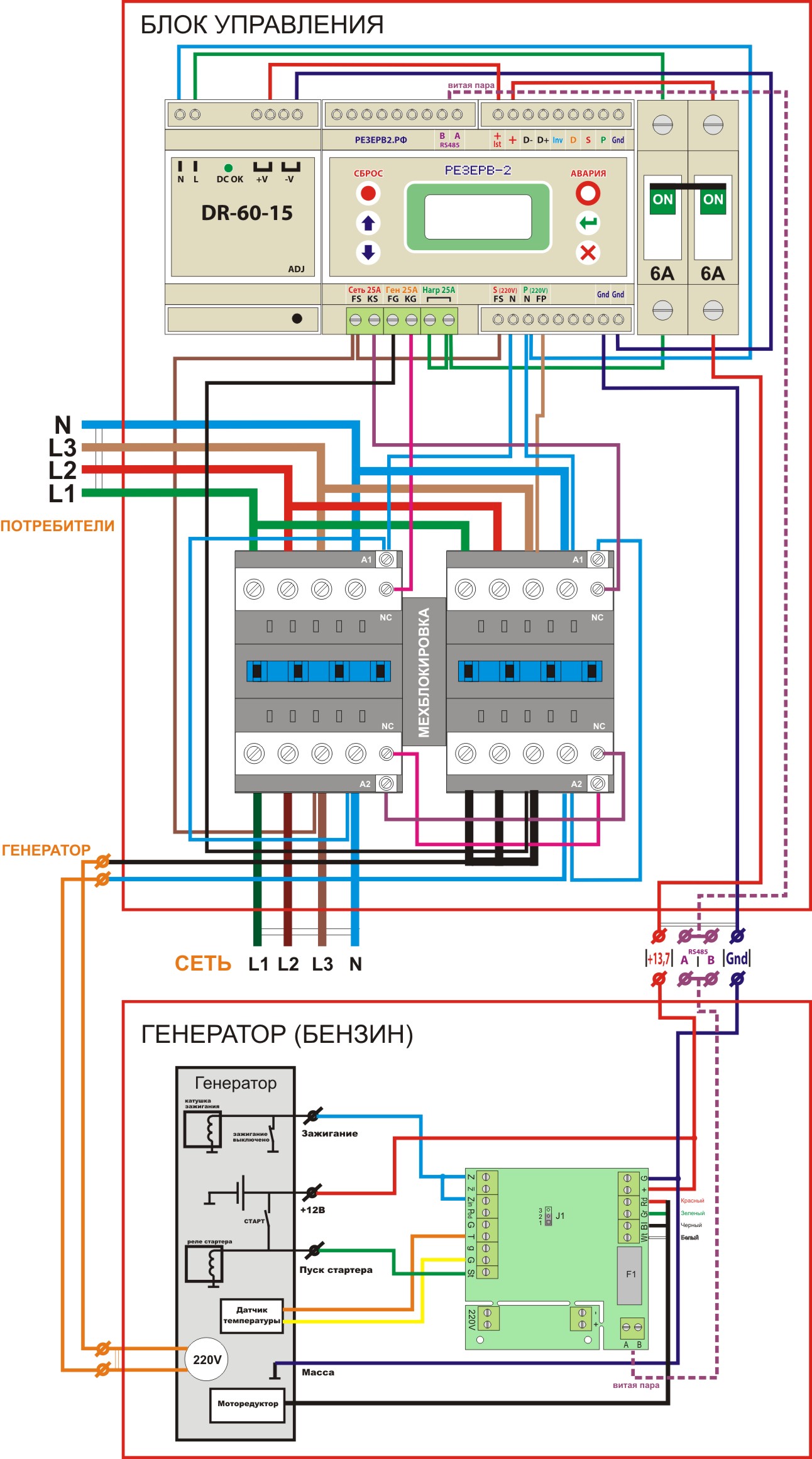
АВР с переводом питания на дизель-генераторную установку (ДГУ)
Как делать нельзя?
Первое, о чем следует рассказать – как запрещается выполнять подключение генератора к домашней сети. Некоторые горе-электрики советуют подключить электростанцию к ближайшей розетке в доме, предварительно отключив автоматы на вводном щитке. Ни в коем случае этого не делайте, потому что мощность генератора может значительно превышать пропускную способность розетки (как правило, она выдерживает не более 3,5 кВт). Итог – превышение максимальной нагрузки, короткое замыкание, пожар. Помимо этого, если Вы забудете отключите автоматы на вводе, то при подаче электричества в сеть, резервная станция моментально выйдет из строя.
Единственный способ обойтись без надлежащего подключения – подсоединить к электростанции удлинитель и в него уже включить те электроприборы, в которых Вы нуждаетесь. Только если Ваша резервная станция маломощная (до 4 кВт) допускается подсоединить ее через розетку. Чтобы правильно все сделать, просмотрите обязательно видео ниже.
Правильное подсоединение оборудования в розетку
Однако если у Вас на даче либо дома часто происходит отключение электроэнергии, рекомендуем подключить генератор к сети через перекидной рубильник или систему автозапуска – АВР. Как раз ниже мы и поговорим, как это сделать правильно своими руками.
Переключение вручную как минимум дешевле…
Когда электросеть уже существует и к ней надо присоединять автоматику для управления электрогенератором, возникают трудности, которые с трудом преодолеваются. Поэтому при доработке домашней электросети лучше выбрать схему с ручным переключением. Для этого в уже эксплуатируемом электрическом щите используется вариант с установкой перекидного рубильника. Лучше всего применить компактные модели этого коммутатора. Некоторые из них показаны далее на изображении.
Читать также: Забор из профлиста с элементами ковки фото

Но их можно использовать только в том случае, когда к электрощиту либо уже были проложены все необходимые для этого кабели, либо их можно проложить в уже сложившихся условиях. И, конечно же, на дин-рейке необходимо место для размещения рубильника. А еще уточним, что такой рубильник относится к дорогим коммутаторам. Поэтому, исходя из цен, вместо него можно порекомендовать рубильник классической конструкции, показанный на изображении далее.

Этот коммутатор устанавливается между электросчетчиком и распределительным щитом. Где именно — определяется в каждом конкретном случае. Но самое главное при выборе коммутационного оборудования то, что не имеет смысла вкладываться в дорогие комплектующие изделия. Резервное электропитание работает случайным образом и наиболее часто кратковременно. Резервные коммутаторы совершают незначительное число переключений. То есть они изнашиваются минимально. Поэтому простейший вариант — это схема с перекидным рубильником.

Подключение генератора. Варианты схем АВР для генератора
Сразу скажу, что генератор тут ни при чём, это в данном случае всего лишь источник резервного питания. В качестве этого источника может быть не только генератор, но и вторая фаза, и фаза с другой подстанции или другой линии. Схемы Автоматического включения резерва (АВР) универсальны и могут работать в разных ситуациях.
В принципе, что тут подключать? У генератора есть обычная розетка, в комплекте штепсельная вилка, какие проблемы? Но куда идёт провод от вилки? И как сделать так, чтобы схема подключения была удобной, правильной, а главное – безопасной?
Казалось бы, что проще – поставить переключатель, и нет проблем.

1. Схема подключения генератора через переключатель
Так многие и делают, и я так делаю, в зависимости от финансовых возможностей клиента. Только не надо забывать о двух важных вещах:
- Не переключать под нагрузкой!
- Правильно подобрать защиту и ток рубильника (переключателя).
Но мы не ищем лёгких путей, нам подавай автоматику и защиту от аварий и человеческого фактора.
Поэтому предлагаю рассмотреть второй вариант схемы:

2. Схема подключения генератора через реле контроля напряжения. Простейшая схема АВР.
Во второй схеме АВР применяется реле контроля напряжения KV. Фактически это обычное реле, которое находится во включенном состоянии, когда напряжение из города в норме. И перекидной контакт будет в левом по схеме положении.
Когда напряжение из города пропадает, реле выключается, и схема приобретает изображенный вид – нагрузка питается от генератора.
Реле контроля напряжения – основа любой схемы АВР. Для однофазных схем это обычное реле, которое питается от основной фазы.
Для трехфазных схем применяется трехфазное реле контроля фаз, которое подробно описано в другой моей статье.
Идём далее, совершенствуем схему АВР для автоматического подключения генератора:

3. Схема подключения генератора через реле и контакторы. АВР с усилением
Третья схема отличается от второй тем, что она может пропускать через себя гораздо бОльший ток. Реле напряжения KV используется только по своему назначению – автоматически переключает нагрузку, подавая питание на катушку соответствующего пускателя.
Когда напряжение из города есть, KV включено, оно своим нормально открытым (НО) контактом включает контактор КМ1, и фаза L1 поступает на нагрузку (выход схемы L).
Когда напряжение из города поступать перестаёт, KV выключается, и своим НЗ контактом включает контактор КМ2, и фаза L2 поступает на нагрузку.
Схема прекрасная, и даже рабочая. Но использовать её крайне опасно. Из-за отсутствия защит от замыкания “фаза L1 на фазу L2”. Такое замыкание может произойти из-за неисправности (залипания контактов, заклинивания реле или контакторов), или из-за пресловутого человеческого фактора – что если колхозный электрик решит нажать пускатель КМ2, когда включен КМ1?
Так вот, чтобы на порядок уменьшить вероятность аварий, на практике применяется такая схема АВР для генератора:

4. Схема АВР для генератора с электрической и механической блокировками
Отличие её от схемы 3 всего лишь в том, что в неё введены защиты от одновременного включения контакторов КМ1 и КМ2. Защита имеет две ступени – электрическая и механическая.
Электрическая блокировка реализована на НЗ контактах КМ1 и КМ2, которые взаимоисключают одновременное включение пускателей.
А механическая (обозначена на схеме перевернутым треугольником) обеспечивается конструкцией пускателей. Пускатель в данном случае должен быть обязательно реверсивным, подробнее читайте в статье про схему включения реверсивного пускателя.
Ну а практическая схема автоматики, будет выглядеть так:

5. Схема АВР для подключения генератора с блокировками и защитами
Добавились двухполюсные защитные автоматы QF1 и QF2, и ещё силовой контакт, рвущий нолевой провод N1 в случае отключения города.
Рвать “городской” ноль нужно для дополнительной безопасности. Дело в том, что на выходе генератора нет понятия “рабочий ноль” и “фаза”, и названы они так могут быть условно. И в случае залипания “фазного” контакта, когда ноль N1 не разорван (как в схеме 4) в городскую линию пойдёт напряжение 220В.
Эту схему я и собрал, сейчас покажу как.
Применение ABP
Система автозапуска более дорогая по сравнению с ручной, но она постоянно отслеживает напряжение в сети. При исчезновении напряжения контактор прерывает связь АВР с центральной электросетью. Включается стартер, и генератор начинает работу. Большинство владельцев генераторов отдают предпочтение применению более дешевой частичной автоматизации, работающей следующим образом:
- Подсоединение магистрального питания идет через контактор, размыкающийся при отключении ввода.
- Бензогенератор запускается вручную. В него устанавливается реле времени для прогрева мотора и автоматического перевода на подсоединение резерва к домашней сети.
- При восстановлении электроснабжения контактор отключается, и нагрузка снова подается с общей сети.
Полностью автоматизированная система энергоснабжения регулирует работу бензогенератора с помощью микропроцессоров.Видео на эту тему
А что там свежего в группе ВК СамЭлектрик.ру?
Подписывайся, и читай статью дальше:
Самое главное – при работе генератора автомат №1 должен быть обязательно выключен!
Получается, что генератор теперь подключен в специальную розетку, на стене летней кухни. При работе генератора напряжение в него попадает на летнюю кухню, и затем – на автомат 2, а потом на автомат 3 и в дом.

Установлены новые защитные автоматы
В середине стоит индикатор на 220В, который подключен ДО вводного автомата, сразу после счетчика. Таким образом, я могу даже днём сразу узнать, что на улице дали свет, выключить генератор, и подключить питание с улицы автоматом 1.

Подключение автоматов
В результате, получилась такая симпатичная конструкция:

Электрощиток со счетчиком и автоматами
Схема подключения генератора к домашней сети
Главный секрет безопасности – в соблюдении этих простых правил включения генератора. Я их повесил перед счетчиком, чтобы не забыть. К тому же меня может не быть дома, жена будет включать)
1. Выключить ВВОД (автомат 1)
2. Пойти к генератору, подключить его к спец.розетке.
3. Проверить, чтобы выключатель нагрузки на генераторе был выключен. Также, чтобы вся мощная нагрузка в доме была выключена.
4. Запустить генератор, дать ему прогреться и выйти в режим не менее 30 секунд.
5. Включить автомат на генераторе.
6. Поочередно включить необходимую нагрузку.
1. О появлении напряжения на уличной линии сигнализирует красный индикатор под счетчиком.
2. Выключить мощную нагрузку
3. Выключить генератор, выключить выключатель нагрузки у него на выходе.
4. Вытащить вилку генератора из розетки.
5. Включить вводной автомат №1.
Привожу несколько фото инверторного генератора Электроприбор БЭГ-3100.

Бак для бензина. Индикатор уровня и крышка

Фильтр воздухозаборника

Топливный кран

Ручной стартер

Залив масла
Плюсы расписывать не буду, а из минусов:
1. Неудобная система заливки масла
2. Очень громкая работа. Сравнивал на ощущение, работает по громкости, как обычный генератор.
3. Отсутствие защитного автомата на выходе генератора, есть только электронная защита.
На всякий случай привожу схему генератора и чертёж.
Электрическая схема инверторного генератора Электроприбор БЭГ-3100
Сборочный чертеж и каталог запчастей инверторного генератора Электроприбор БЭГ-3100
В заключение – фото, как у нас на рынке продают картошку)

Генератор питает ларёк и весы
Тут всё проще, не надо никакой схемы подключения).
Всем спасибо за внимание, прошу голосовать за меня!
Выкладываю видео, в котором коллега подробно рассказывает, как подключать генератор к дому Рекомендую!
Подготовка домашней электросети к подключению генератора
Перед тем как подключать генератор к домашней электросети, необходимо выполнить ряд подготовительных действий. Это поможет обеспечить безопасность работы и правильную работу устройств.
1. Проверьте состояние электросети
Перед подключением генератора к домашней электросети необходимо убедиться, что сама сеть исправна. Проведите осмотр и проверку всех основных компонентов электросети, включая розетки, выключатели и автоматические выключатели. Убедитесь в отсутствии повреждений, коррозии и неправильных подключений.
2. Сделайте резервное питание
Перед подключением генератора к домашней электросети рекомендуется установить автоматический переключатель или ручной переключатель, который позволит легко переключаться с питания от генератора на основную сеть и наоборот. Также необходимо иметь запас бензина или дизельного топлива для генератора.
3. Заземлите генератор
Правильное заземление генератора является обязательным условием для безопасной работы системы. Убедитесь, что у вас есть надежное заземление для генератора. Проведите заземляющий провод и соедините его с металлическим штырем или заземляющей петлей, установленными в землю.
4. Проверьте совместимость параметров генератора и электросети
Перед подключением генератора к домашней электросети, убедитесь, что их параметры совместимы. Проверьте напряжение, частоту и фазовость генератора, а также требования вашей домашней электросети. При несоответствии параметров может быть нестабильная работа электроприборов.
5. Определите место установки генератора
Выберите подходящее место для установки генератора. Учтите, что он должен быть установлен на открытом воздухе, чтобы обеспечить нормальную циркуляцию воздуха и избежать отравления угарным газом. Учитывайте также уровень шума от работы генератора.
Следуя этим рекомендациям, вы сможете безопасно и правильно подключить генератор к домашней электросети. При необходимости, проконсультируйтесь с профессионалами, чтобы убедиться в правильности выполнения всех требований и норм безопасности.
Организация автопереключения
Далеко не каждому понравится своими руками менять положение рубильника в случае отключения внешнего электричества. Чтобы не пришлось постоянно следить за тем, когда ток перестанет поступать от магистрали, стоит организовать простую систему автопереключения. С ее помощью, как только будет запущен бензогенератор, удастся сразу организовать переход к резервному источнику.
Чтобы смонтировать автоматическую систему переключения рубильника, необходимо будет запастись двумя пусковыми устройствами с перекрестным подключением. Они называются контакторами. Их работа задействует два вида контактов:
- силовые;
- нормально замкнутые.


Дополнительно потребуется купить реле времени, если хочется предоставить генератору несколько минут на прогревание перед началом работы.
Принцип действия контактора прост. Когда подача электричества на внешней линии восстанавливается, его катушка блокирует доступ к силовым контактам и открывает доступ к нормально замкнутым.
Исчезновение напряжения приведет к обратному действию. Устройство заблокирует нормально замкнутые контакты и запустить реле времени. Спустя определенный временной промежуток генератор начнет вырабатывать электричество, подавая необходимое напряжение. Оно тут же будет направлено на контакты резервного хода.


Такой принцип работы позволит своевременно организовать блокировку контактов внешней сети и обеспечит подачу электричества мобильной станцией. Как только подача напряжения от магистрали восстановится, в работу включится катушка основного пускателя. Ее действие замкнет силовые контакты, и это приведет к автоматическому отключению генератора.


О том, как безопасно подключить бензогенератор, смотрите в следующем видео.
Статьи
Как обеспечить загородный дом электроэнергией при нестабильной работе электросети? Приобрести резервный источник питания – надежный качественный генератор – и подключить его к сети дома. Правильное подключение позволит грамотно и безопасно использовать приобретенный агрегат и обеспечивать, тем самым, дом электричеством во время сбоя работы основной сети.
Как подключить генератор?
Есть два варианта ответа – своими руками или воспользовавшись услугами специалистов. Самостоятельное подключение резервного бензогенератора или дизель-генератора к сети частного загородного дома или дачи для использования его в качестве автономного источника энергоснабжения не совсем разумно. Отсутствие знаний и опыта может привести к серьезным и опасным последствиям.
Подключение резервного источника подразумевает решение многих предшествующих этому этапу задач, среди которых:
- время отсутствия электричества – как долго и насколько часто требуется бесперебойная подача энергии;
- количество и объем мощности приборов, которые обязательно должны быть подключены к источнику электричества;
- выбор места для генератора с учетом удобства его использования, безопасности работы, обеспечения защиты агрегата и т.д.
Также, перед тем как подключить резервный генератор к электросети загородного или дачного дома, нужно определиться с тем, какое оборудование для конкретной сети выбрать – дизельный или бензиновый электрогенератор, однофазный или трехфазный, с автоматическим или ручным запуском. Каждый из видов обладает своими особенностями, которые необходимо учитывать, ведь оборудование чаще всего выходит из строя по причине неправильно подобранного агрегата и неграмотного монтажа.
Мы рекомендуем заранее продумать следующие моменты: установка в помещении или на улице, стационарный или мобильный генератор, целесообразность автоматического запуска или готовность к заметным расходам, необходимых для правильного подключения резервного генератора. Любой вариант имеет право на существование, мы умеем это сделать хорошо, но иногда не очень продуманное решение требует несопоставимых затрат. Только 17-летний опыт позволяет нам видеть многие подводные камни, о которых владельцы домов даже не подозревают.
Что дает обращение к услугам специалистов?
Профессиональная помощь – это:
- безопасное подключение электрической части с учетом индивидуальных особенностей вашего дома, например, подключение однофазного генератора к трехфазной сети дома;
- создание грамотной системы выхлопа, вентиляции, шумоизоляции;
- обеспечение дома электропитанием без участия человека, автоматически запуская станцию;
- гарантированно стабильное наличие электроэнергии в доме, когда пропадает внешняя сеть на участке, и т.д.
Если вы закажете услугу подключения дизельного электрогенератора или бензогенератора к домашней сети у нас, в компании GENERATORA.net, то вместе с профессиональной, грамотно и надежно выполненной работой вы получите немало преимуществ.
К ним относятся:
- гарантия на монтажные работы;
- снижение вероятности поломок в процессе эксплуатации;
- возможность сэкономить на ремонте оборудования в гарантийный и послегарантийный период.
Узнать подробнее о том, как правильно выбрать и подключить бензогенератор или дизельный генератор (однофазный или трехфазный) к сети дома силами наших профессионалов, можно у сотрудников магазина. Помимо монтажа мы также показываем и обучаем, как правильно пользоваться оборудованием. Наши специалисты всегда готовы ответить на любые вопросы и предложить выгодную схему сотрудничества.
Схемы с АВР
Подключение генератора Генератор должен быть хорошо защищен от влаги. Данный тип подключения бензинового или дизельного генератора к существующему объекту позволяет подключить генератор, как с ручным запуском, так и генераторы оборудованные электростартером.
Широкое распространение получили бензиновые генераторы. Трехфазные двигатели на генераторах малой мощности используются очень редко в частных домах из-за своей дороговизны и непрактичности, такие генераторы обычно используют на стройках для подключения трехфазного оборудования и машин. На следующем этапе требуется запустить вручную генератор.
Есть стационарные варианты, которые рассчитаны на очень большую нагрузку. Нестабильная подача электроэнергии приводит к проблеме — как подключить генератор к домашней сети.
При использовании однофазного генератора следует учесть, что если есть трехфазные приборы, их необходимо отключить от питания на время работы от генератора, так как это может привести к выходу из строя данных приборов. Некоторые хозяева используют частичную автоматизацию — основное питание подключено через контактор. В этом случае можно обеспечить питание всех розеток и выключателей в доме, если проводка рассчитана на мощность генератора. Когда восстановится напряжение во внешней сети, резерв отключается и домашняя сеть переходит в обычный режим работы.
В случае же применения блока автоматического запуска генератором — АВР, без использования контакторов вам не обойтись. Для реализации этого алгоритма потребуются четыре временных реле, столько же электромагнитных пускателей и магнитных толкателей с выключателями на концах.
Перед тем как подключить генератор к сети дома с автозапуском, автоматика выжидает 10 секунд после потери напряжения. Если напряжение пропадает, контактор размыкает цепь, которая связываем АВР со стационарной электросетью. Установка двух контакторов, где один подключает питание от городской сети, а другой — от резервного источника. При этом не забыть о заземлении, для которого также предусматривается определенное место.
Подключение генератора с АВР к сети дома — это удобное решение, хотя и дорогостоящее. При этом отключаются автоматы, чтобы обезопасить приборы от центральной сети питания.
На следующем этапе требуется запустить вручную генератор. В некоторых случаях есть возможность использовать генератор в качестве подпитки при возникновении пиковых нагрузок. Теперь, в случае переключения нагрузки на генератор, на все три фазы будет поступать электричество. Подключается рассматриваемое оборудование всегда после счетчика, иначе придется платить и за резервный источник энергии. Использование автозапуска Чтобы упростить перевод дома на резервное электроснабжение, рекомендуем подключить генератор к сети дома через АВР — систему автозапуска.
Подключение генератора к домашней сети.Схема.
Схемы подключения
Следует иметь в виду, что процедура подключения прибора может отличаться, что определяется типом электросети.
Подключение устройств к однофазной сети
Выполнить подключение такого рубильника к однофазной цепи можно лишь в том случае, если выбранный прибор выполнен в двухполюсном варианте. Также необходимо иметь в виду, что это устройство может функционировать лишь при наличии блока питания, рабочее напряжение которого составляет 300 В.
- Для подобной модификации показатель отрицательного сопротивления будет достигать отметки 50 Ом. Важным моментом является и то, что иногда эти рубильники дополняются счетчиками. А вот такое приспособление, как переключатели нечасто можно встретить при использовании перекидных рубильников.
- При выборе перемычек для обеспечения контакта двухполюсных модификаций следует применять лишь те, которые выполнены из меди.
- Для установки таких устройств в жилых домах следует убедиться, что там присутствуют электрощиты серии КК202 и иных модификаций. Из-за несоответствия рабочих характеристик реверсивные блоки не рекомендуется применять для однофазных цепей.
Подключение прибора к двухфазной сети

Если говорить о пределе напряжения, с которым они способны справляться, то таким является уровень 300 В. В подобном сочетании эти рубильники будут подвергаться нагрузке, которая составит около 20 А. Чаще всего выбор останавливают на таких моделях рубильников, которые представляют серию РР30.
В соответствии с их конструкционным исполнением, они оснащаются только двумя модулями. При подобном варианте исполнения они смогут обеспечивать выходное напряжение, соответствующее значению в 350 В. Используемые в них блокираторы могут иметь различные исполнение
Для обслуживания жилых домов важно убедиться в наличии в электрощита. Это является обязательным условием. А вот в конструкции блоков управления обычно присутствуют тиристоры
Для сети пределом отрицательного сопротивления является показатель 40 Ом. Системы контактов, которые реализованы в подобных рубильниках, применимы лишь для моделей закрытого типа. При этом контроль колебаний электроэнергии обеспечивается за счет проходных конденсаторов. Такое устройство, как реверсивный блок выполняет задачу по поддержанию необходимой частоты тока. Если выбор был остановлен на двух разных моделях, то их необходимо использовать обязательно в сочетании с контроллером. Это, в свою очередь, позволяет свести к минимуму отрицательный эффект от нелинейных искажений, проявляющихся в цепи
А вот в конструкции блоков управления обычно присутствуют тиристоры. Для сети пределом отрицательного сопротивления является показатель 40 Ом. Системы контактов, которые реализованы в подобных рубильниках, применимы лишь для моделей закрытого типа. При этом контроль колебаний электроэнергии обеспечивается за счет проходных конденсаторов. Такое устройство, как реверсивный блок выполняет задачу по поддержанию необходимой частоты тока. Если выбор был остановлен на двух разных моделях, то их необходимо использовать обязательно в сочетании с контроллером. Это, в свою очередь, позволяет свести к минимуму отрицательный эффект от нелинейных искажений, проявляющихся в цепи.
Схема подключения к трехфазной сети
В случае монтажа рубильника в трехфазную цепь необходимо применять блоки питания, имеющие рабочий показатель напряжения 400 В. Стоит заметить, что для таких целей допускается применять трансформаторы, выполненные исключительно в импульсном варианте.
- Сама процедура подключения прибора выполняется посредством инвертирующего входа. Выходной ток поступает через специальное устройство, роль которого выполняют проходные конденсаторы. Для таких случаев целесообразно применять рубильники двухмодульного варианта исполнения.
- При этом в продаже можно встретить и одномодульные модификации. Их особенностью является минимальный предел порогового напряжения, соответствующий уровню 350 В. Что же касается показателя отрицательного сопротивления, то его значение в цепи может соответствовать значению 55 Ом. Для решения этой задачи следует позаботиться о присутствии в конструкции рубильника такого приспособления, как блокиратор.
- Жилые дома должны быть оснащены специальными электрощитами, представляющую серию КК22.Используемые для таких ситуаций блоки управления могут предусматривать в своей конструкции не только тиристоры, но и динисторы.
Основные задачи
При подключении нужно обратить внимание на следующие особенности:
- место размещения. Оно должно быть сухим, экономичным в плане пространства, а также безопасным;
- частоту обрыва питания и сбоев в домашней сети. Это позволяет определить, нужно ли автоматика, или нет;
- мощность потребления. Данный параметр вычисляется путём учета потерь;
Необходимо обустроить правильную схему присоединения генератора к домашней сети. Использование систем автозапуска обойдётся потенциальному покупателю намного дороже, при этом реализовать монтаж дополнительных приборов без квалифицированной помощи обученного специалиста будет невозможно.
По этой причине, большинство людей отдают предпочтение ручному подключению или полуавтоматическим установкам, которые стоят намного дешевле, чем полноценные автоматы. В любом случае, даже самая передовая система автозапуска нуждается в тщательном обслуживании и надзоре за качеством работы. Бесперебойное резервное питание нуждается в дорогостоящем обслуживании, поэтому нет смысла подключать его для домашней сети.
Если необходимость стабильного доступа к электричеству возникает очень часто, лучше купить бесперебойный источник питания на персональный компьютер, или другие электрические приборы, которые используются вами чаще всего.
Для начала необходимо провести ряд расчетов по определению подходящей мощности резервного питания. Чтобы сделать такую математическую операцию необходимо подсчитать суммарную мощность всех нагрузок и добавить к ней запас на 30%. На данном этапе следует учесть пусковые токи двигателей домашней техники, которые могут превышать допустимые показатели. Только после предварительных расчетов можно переходить к покупке электрогенератора.
Для примера – одна стиральная машинка требует двух киловатт электроэнергии за час работы. Плита – 3 киловатт. Холодильник – 0,5 кВт. Добавляем телевизор с компьютером и освещение (по 0,5 кВт для каждого прибора), и получается суммарная мощность в 6,5 кВт. Также учитываем 30 процентов запаса, и конечный результат составляет 8,5 киловатт электроэнергии. Главное, чтобы подключение через розетку было правильным и допустимым.
Автоматическое переключение на генератор
Описанное выше подключение генератора к дому имеет существенный недостаток – при исчезновении электричества нужно вмешательство человека для перевода домашней сети на резервное питание. Данная схема не разбудит пользователя и никак не уведомит хозяина о том, что электричество пропало, и система отопления начнет замерзать.
Нужна электрическая схема, отслеживающая напряжение электроснабжения, которая запустит генератор, выведет его на нужные обороты и переключит рубильник. Подобные устройства, осуществляющие автоматический ввод резерва (сокращенно АВР ) выпускаются промышленностью. Подробная схема подключения прилагается к устройству, но принцип подключения можно понять, изучив рисунок ниже:

Подключение системы автоматического запуска генератора
От АВР (системы автозапуска) к генератору кроме силовых проводов подключается также кабель управления. Электрогенератор должен иметь функцию автозапуска для подключения к АВР. Управление и подзарядка аккумулятора генератора осуществляется напряжением 12 В. В инструкции к генератору должно быть подробное описание процесса подключения с указанием предназначения клемм.
Самодельная система автозапуска
Решать вопрос о том, как подключить генератор в качестве бесперебойного снабжения электроэнергией должен пользователь исходя из своих финансовых возможностей – АВР и электрогенератор, поддерживающий функцию автозапуска, обойдутся намного дороже. Поэтому многие домашние мастера стараются придумать свою схему подключения, используя систему контакторов с нормально открытыми и закрытыми контактами.

Контактор, работающий как перекидной рубильник
Принцип действия подобного переключателя таков – напряжение сети электроснабжения удерживает нормально разомкнутые контакты замкнутыми. В этом случае домашняя сеть подключена к электрической линии снабжения. Как только напряжение пропадает, катушка контактора перестает втягивать якорь, и замыкаются нормально замкнутые контакты, к которым подключен генератор.
Один из примеров подобных схем представлен ниже. Трехфазный контактор переключатель используется также для коммутации напряжения 12 В, включение которого заменяет поворот ключа генератора. То есть, при исчезновении напряжения сети таймер начинает запускать стартер с некоторыми промежутками, которые можно настроить.

Пример самодельной схемы для автоматического запуска генератора
Как только двигатель генератора запустится на его выходе появится напряжение, которое заставить сработать контактор К2, и таймер перестанет запускать двигатель. Как только появится напряжение на линии, включится контактор К1, и цепь ключа генератора разомкнется и двигатель заглушится.
Данная схема приводится как идея, и требует доработки, модернизации и добавления дополнительных элементов защиты, соответственно модели генератора. Народные умельцы модернизируют обычные генераторы, переделывая под автозапуск, добавляя исполнительные устройства для управления заслонкой и топливным вентилем, как показано на видео:
Если нет желания внедряться в схему и устройство электрогенератора, то коммутацию 12В можно использовать для включения сигнализации (будильника) и для подсветки места установки электрогенератора.
Безопасность подключения генератора
Бензогенератор, работающий на легко воспламеняемом бензине, не должен сам стать источником искры или короткого замыкания, особенно в непосредственной близости к емкости с запасом топлива
Поэтому следует уделить особое внимание качественному подключению генератора к сети
Пожарная безопасность подробно описана в инструкции, поэтому во избежание возгорания и несчастных случаев, следует подключение и установку электрогенератора произвести правильно, согласно требованиям. Категорически запрещается устанавливать работающий генератор в закрытом помещении – выхлопные газы ядовиты.

Помещение под генератор должно очень хорошо вентилироваться
Устанавливают генератор на свежем воздухе под навесом, защищающим от дождя и прямых солнечных лучей. Следует позаботиться о защите клемм подключения от коррозии при чрезмерной влажности. Также необходимо следить, чтобы аккумулятор был заряжен. Современные АВР также имеют функции оповещения о включении резервного питания:
Подключение проточного водонагревателя
Терморегуляторы для систем отопления, а также их подключение
Зарядка аккумулятора без зарядного устройства
Общее описание индукционных котлов для дома и их подключение
Главная » Электрооборудование » Генератор » Простое руководство о том, как подключить генератор к сети дома без посторонней помощи
Основные правила подключения генератора
- Генератор должен быть размещен в хорошо проветриваемом сухом помещении
- Помещение должно быть отапливаемым и просторным
- Нельзя размещать генератор вблизи нагревательных приборов
- Прибор должен быть хорошо заземлён
- Нельзя заправлять работающий агрегат. Перед дозаправкой его нужно выключить.
- При работающем генераторе необходимо соблюдать технику безопасности (одежда не должна болтаться на вас как на вешалке потому, что её ненароком может затянуть вентилятор)
Какой мощности прибор выбрать? Смотрите сами что вы хотите чтобы у вас работало.
- Холодильник 150-200 Вт
- Телевизор 100-400 Вт
- Сплит 1000-1500 Вт
- Освещение 100-400 Вт
- Пылесос 1200-2000 Вт
- Индукционная панель 1500-6500 Вт
- Компьютер 1000 Вт и т.д.
Вы уж сами решайте что вам важнее. Можете конечно поставить очень мощный, но есть ли в этом смысл? Напряжение отключают не так уж и часто и на не такое уж длительное время и поэтому можно запитать только самое необходимое.





































