Специфика топлива
Потребитель имеет возможность приобрести два сорта гранул-пеллет:
- белые, в производстве которых использовались отходы древесины, не содержащие кору;
- серые – спрессованные из опилок с корой.
Пеллеты отличаются по цвету и составу
Цена на белые выше, так как перед стадией прессования древесные остатки тщательно просеиваются, в них отсутствует песок. Некоторые котлы (например, немецкого производства) могут работать только на высококачественном сырье, а при засыпке серых гранул засоряются и затухают.
Спрессованные в гранулы опилки или другие отходы АПК – одна из разновидностей биотоплива
Чем пеллеты суше, тем выше КПД
Реальный расход пеллет – статистика владельцев котлов
Почему не имеет смысла сравнивать, например, магистральный газ и электричество с пеллетами? Потому что первые два вида топлива – сетевые. Если у вас есть сети, у вас есть топливо. Нет газовой магистрали и нет достаточной выделенной мощности по электричеству – нет и отопления дома.
Далее, есть еще уголь. Однако, хотя мы и живем в стране, которая входит в тройку самых угледобывающих стран мира по состоянию на 2016 год, в России нет достаточной инфраструктуры для снабжения качественным углем населения.
Только в угледобывающих районах можно надеяться на регулярные поставки угля. И то, как показывает опыт Кузбасса, в районе, где добывают уголь, днем с огнем не сыщешь хорошего качественного угля для отопления частного дома.

Была бы ситуация со снабжением качественным углем в России другой, у каждого второго владельца частного дома в котельной стоял бы Карборобот, который давал бы горячую воду в систему отопления и ГВС.
В итоге мы имеем ситуацию, когда для обеспечения автономного отопления частного дома хозяева выбирают в реальности между пеллетами и дизельным топливом.
Дрова в расчет брать при этом сложно, так как невозможно обеспечить автоматизированное отопление дома на дровах в течении хотя бы недели. Об этом мы уже писали в материале «Отопление дома дровами – насколько реально?»
Расчеты расчетами, но реальность иногда подкидывает нам пищу для размышления. А потому мы собрали в этом материале отзывы владельцев пеллетных котлов по расходу пеллет для конкретных домов в зимний период.

Смотрите отзывы по расходу пеллет, вы можете увидеть практически «картинку вашего дома» по региону, отапливаемой площади, утеплению и понять, сколько будет расходовать ваш котел.
Списки лучших
Еще несколько топовых моделей, которые мы просто не могли пропустить:
- Лучшая цена – Stropuva S30P.
- Надежный – Buderus Logano S181-25 E.
- Для большого дома – ACV TKAN 1.
Рассмотрим их поближе.
Лучшая цена – Stropuva S30P

Среди многих вариантов качественных пеллетных котлов именно Stropuva S30P имеет одну из самых низких стоимостей при достаточно неплохих технических параметрах. Разрешается использовать сразу несколько видов топлива, прибор работает на одной закладке до 3 суток, отапливая дом площадью до 300 м². Отличное соотношение цены и качества! К тому же агрегат не выглядит громоздким, несмотря на достаточно крупные размеры, а приятный эргономичный дизайн впишется в любой интерьер дома.
| P (кВт) | 30 | 
| КПД % | 85 | 
| S обогрева (м²) | 300 | 
| Вес (кг) | 259 | 
Цена: от 95500 до 96000 р.
котел отопления Stropuva S30P
Надежный – Buderus Logano S181-25 E

Самый надежный пеллетный котел – Buderus Logano S181-25 E. Чем он заслужил такое доверие? Во-первых, длительностью функционирования – одной загрузки хватает на 50 часов. Во-вторых, встроенными датчиками контроля работы топки и бункера, что обеспечивает безопасную работу устройства. И, наконец, в-третьих, наличием автоматической системы пожаротушения. Такая модель и правда отличается максимальным уровнем надежности и безопасности, отлично справляясь с основной задачей – обогревом дома.
| P (кВт) | 27 | 
| КПД % | 88 | 
| S обогрева (м²) | 270 | 
| Вес (кг) | 274 | 
Стоимость: от 224558 до 272640 р.
котел отопления Buderus Logano S181-25 E
Для большого дома – ACV TKAN 1

Если вы владелец большого дома, то обязательно обратите внимание на ACV TKAN 1 – эта модель рассчитана на площади до 300 м². Главным достоинством прибора считается его экономичность – даже в процессе максимально интенсивной работы 8 кг пеллет будет достаточно на целый час работы. Если же будут выставлены средние параметры температуры, то топлива уходит в два раза меньше
Если же будут выставлены средние параметры температуры, то топлива уходит в два раза меньше.
| Мощность (кВт) | 35 | 
| Коэф. полез. действия | 90 | 
| S обогрева (м²) | 300 | 
| Масса (кг) | 560 | 
Стоимость: от 289750 до 290450 р.
котел отопления ACV TKAN 1
Преимущества пеллетных котлов
Пеллетный котел в разрезе
Существует несколько преимуществ, которые делают пеллетный котел более популярным и практичным в употреблении. Преимущества:
- Использование древесных капсул – экономно и выгодно со стороны расхода и теплоотдачи.
- Имеются различные режимы, которые позволяют регулировать отдачу тепла в окружающую среду.
- Блок управления оснащен современным процессором, что делает использование котла более удобным и простым.
- Автоматическая горелка не потухнет вне зависимости от условий окружающей среды.
- Если температура обогрева котла будет выше, чем указано в программе, то система охлаждения будет понижать её до нужного уровня.
- Оборудование можно использовать не только в жилом помещении, но и в производственных структурах.
- Многоступенчатая защита позволяет предотвратить вероятность возгорания либо взрыва котла.
- КПД (коэффициент полезного действия) котла составляет 90%, что позволяет с максимальной эффективностью расходовать топливо.
- За счет высокого уровня сгорания древесных капсул, чистить котел нужно не чаще, чем 1 раз в 30 дней.
- Покупка котла – единственный расход. Нет надобности в сервисном центре, поскольку устройство делалось на века.
- Срок использования котла без обращения в ремонт, при соблюдении всех правил эксплуатации может составлять до 25 лет.
- Небольшой размер котла позволяет разместить его в любом удобном месте.
Пеллетный котел отопления
Пеллетный котёл относится к классу твердотопливных, способный работать только на особом виде экологического топлива — пеллетах. Некоторые крупные производители отопительного оборудования смогли внести конструктивные изменения, позволяющие вытапливать любой вид твёрдого биотоплива (древесные опилки, шелуху, кору, сельхозотходы и др.).
Пеллетный котёл, предназначенный для отопления здания площадью 100 м2. Оснащён бункером объёмом 200 л, дверцами для обслуживания, доступа к топочной камере и зольнику.
Что такое пеллетный котел отопления
Котёл отопления, работающий на пеллетах, представляет собой автоматизированное или полу автоматизированное оборудование. Позволяет эффективно сжигать пеллеты, представляющие собой гранулы спрессованных древесных опилок, соединённых связывающим веществом.
На каком топливе работает
Котёл работает на пеллетах. Они представляют собой цилиндрические гранулы диаметром от 7 до 9 мм и длиной 5-7 см. Изготавливаются из прессованных опилок и связующего вещества, в составе которого отсутствуют токсичные компоненты.
Пеллеты белого цвета самые качественные, поскольку в них нет посторонних примесей, загрязнений. Они имеют максимальную теплоотдачу при сгорании.
В отличие от обычной древесины, пеллеты не подвержены гниению, появлению плесени и грибка. Длительность горения у них намного дольше обычных дров, за счёт чего достигается высокий КПД котла, снижается уровень вредности для окружающей среды, уменьшается расход топлива.
Таблица 1. Эффективность использования пеллет, по сравнению с другими типами топлива за сезон.
| Тип топлива | Площадь помещения, м2 | ||||||
| 100 | 200 | 300 | 400 | 500 | 700 | 1000 | |
| Пеллеты, т | 4,9 | 10,3 | 14,7 | 19,6 | 24,5 | 34,3 | 49 | 
| Каменный уголь, т | 3,3 | 6,6 | 9,9 | 13,1 | 16,4 | 23 | 32,9 | 
| Древесина, м3 | 13,5 | 27 | 40,4 | 53,9 | 67,4 | 94,4 | 134,8 | 
Устройство агрегата
Конструктивно котёл выполнен в металлическом корпусе, сбоку которого присоединён бункер для загрузки топлива. Снаружи основного блока установлены органы управления режимами, дверцы топочной и доступа к теплообменнику, а также каналы для подачи воздуха для эффективного сгорания топлива. Также предусмотрен патрубок для подключения дымохода.
Под загрузочным бункером располагается двигатель и труба со шнеком для подачи пеллет в камеру сгорания.
Конструкция типичного пеллетного котла. Показаны основные элементы и агрегаты.
Внутри основного корпуса располагается камера сгорания и зольник, горелка, теплообменник, по которому циркулирует теплоноситель, а также плата управления. Для обеспечения эффективного подвода чистого воздуха предусмотрен нагнетательный вентилятор.
Ключевые характеристики
Надёжность пеллетного котла, как любого оборудования, выражена в гарантийном сроке, межремонтном и межсервисном интервалах. Как устройство для производства энергии и передачи её теплоносителю, прибор характеризуют:
- энергетическая эффективность сжигания топлива;
- мощность;
- время автономной работы на одной закладке.
Тепловая мощность, какая самая малая

Какое количество теплоты образуется за единицу времени в результате сжигания топлива, показывает основная характеристика теплогенератора — тепловая мощность.
Её выбирают исходя из назначения помещения, площади, высоты потолков, теплопотерь при прохождении через ограждающие конструкции.
Значения мощности гранульного котла лежат в диапазоне 12—500 кВт.
Меньшая мощность делает устройство невыгодным, при большей он теряет преимущества перед другими теплогенераторами:
- работает с КПД < 0,8 — менее эффективно, чем газовые, жидкотопливные, угольные котлы;
- выходит из строя через 3—5 лет.
Коэффициент полезного действия
КПД устройства показывает, какую долю смог «взять» пеллетный котёл из того расчетного количества тепла, которое топливо «отдало» при сгорании. Снижает КПД недостаточная или чрезмерная загрузка топки, некачественное горючее, неправильная эксплуатация оборудования.
Топливо тем эффективнее, чем выше теплота его сгорания. Лидируют по эффективности мазут и дизель. Теплота сгорания пеллет в 2,4—4,3 раза ниже и зависит от вида исходного сырья:
- древесных — 17,5—19 (МДж/кг);
- соломенных — 14,5;
- торфяных — 10.
По этому показателю гранулы из отходов деревообработки сравнимы с углем (15—25 МДж/кг) и превосходят исходный материал — опилки, щепу, стружку (10 МДж/кг).
Расход топлива и вместительность бункера

Средний годовой расход гранул из древесного вторсырья на 1/5 меньше, чем бурого угля (по массе) и в разы меньше кусковой древесины (она более влажная и менее плотная).
Точная цифра зависит от свойств котла и настроек его работы, а также от объёма обогреваемого помещения, материала и конструкции наружных стен.
Объём бункера для пеллет определяет, как долго отопительному котлу не потребуется участие человека и варьируется от десятков литров до кубометра и более.
Справка. Автоматизация подачи топлива возможна, если она изначально предусмотрена конструкцией котла. От объёма бункера зависят и противопожарные расстояния в котельной.
Дополнительные функции
Автоматизация работы пеллетного котла не ограничивается механизированной подачей топлива из оперативного запаса к горелке. Модели котлов с дополнительными функциями сводят ручной труд по обслуживанию агрегата к минимуму:

- оптические элементы контролируют пламя;
- электроспираль воспламеняет закладку топлива;
- температуру и давление воды измеряет термоманометр;
- термостаты включают и выключают горелку, насос, защищают систему от перегрева;
- мощность котла настраивает потенциометр;
- датчик прогорания топлива реагирует на температуру поверхности горелки.
Это неполный перечень электронных, механических, химических устройств, которыми производитель способен оснастить свою продукцию.
Высокая степень автоматизации позволяет пеллетному котлу работать без участия человека более 7 суток. Связь с персональным компьютером делает управление дистанционным. Очистка или замена зольника вручную занимает не более получаса.
Важно! Технические параметры пеллетного котла, заявленные производителем — это результат испытаний, проведённых с предписанным топливом. Инструкция к устройству содержит требования к качеству пеллет: зернистость (мм), теплотворность (Дж/кг), влажность (%), зольность (%). Свойства горючего отражаются на мощности и эффективности теплогенератора
Свойства горючего отражаются на мощности и эффективности теплогенератора.
Достоинства пеллетных котлов
Котлы на пеллетах обладают несомненными достоинствами:
- Пеллеты на сегодня наиболее безопасное топливо, если сравнивать с газом и электричеством. Но о таком положительном моменте никто не упоминает, и, скорее всего, потому, что проблем в этом плане ни у кого не возникало.
- Существенно снижают затраты на отопление по сравнению с электрическими. Уже несколько лет они активно эксплуатируются в российских реалиях, и отзывам их владельцев можно доверять. Это не теоретические расчеты из зарубежных источников, а констатация факта. Кто-то называет снижение расходов вдвое, кто-то на тридцать процентов (если использовать двухтарифный счетчик) по сравнению с электрическими отопительными устройствами. В отношении газовых ситуация складывается обратная. Но газ не везде есть, даже баллоны с газом приобрести не всегда можно. И газ — вещество взрывоопасное, в отличие от пеллет.
- Высокий КПД до 95%. Производители говорят и о 97% в некоторых моделях.
- Наличие дополнительного контура горячего водоснабжения.
- Пеллеты удобно транспортировать и сберегать, они не вызывают аллергических реакций, экологически чисты и не токсичны. Единственное требование к помещению для их хранения — сухость.
- Пеллеты с каждым годом становятся все доступнее. На сегодня уже существует много предприятий по производству топливных древесных гранул. Если несколько лет назад отзывы потребителей говорили о нехватке такого топлива и необходимости запасаться им с лета на весь отопительный период, то сейчас ажиотаж спал, и необходимости хранить сразу десять тонн топлива никто не видит.
- Цена на пеллеты более стабильна, чем тарифы на электроэнергию или газ, и сейчас, когда их производится все больше, не так ощутимы ее сезонные колебания.
- Отопление загородного дома с помощью пеллетного котла не требует согласования на подключение и эксплуатацию, при желании оборудование можно установить самостоятельно.
- Зола после сгорания пеллет состоит из естественных минералов, и с ее утилизацией проблем не возникает, что неоднократно отмечали на форумах их владельцы.
Плюсы и минусы данного вида сырья
Пеллеты вошли на рынок как отапливающий продукт сравнительно недавно, но популярность их уже очевидна. И хотя цены на оборудование, что использует их в качестве топлива не дешевые, но благодаря положительным качествам распространяется все больше и больше для обогрева помещений. Благодаря разнообразию их типов можно выбрать нагревательное оборудование по своим запросам. При возможности можно выбрать котел с загрузкой на сжигание как на несколько часов, так и на несколько дней, и даже месяцев
В современном мире все большее внимание уделяется и экологичности используемых продуктов. И спрессованные древесные отходы становятся альтернативой в данном случае
Их удобно хранить, при поставке в мешках они легки и компактны по размещению. Да и по количеству их необходимо меньше, чем других видов топлива
Не маловажно и то, что при их сгорании дым не имеет запаха
Минусом при их использовании, от которого не уйти, конечно, является выброс золы. И даже при использовании элитных марок древесных гранул необходима чистка котла не менее раза в два месяца. А после зимнего сезона обязательно полностью разобрать и почистить котел. Также не маловажным является и место хранения. И для лучшей отдачи своих свойств они должны храниться в сухих помещениях без возможности отсыреть. Так как сырые могут привести к остановке работы котла.
Плюсы и минусы пеллет
Пеллетный автоматический котел, как следует из его названия, работает с использованием в качестве топлива пеллет. Пеллета – это древесная гранула, изготовленная по специальной современной технологии деревообработки, она спрессована из стружки, а при ее производстве не применяются химически вредные вещества. При этом эффективность отопления помещения с помощью такого необычного вида полива является одной из самых высоких.
Дело в том, что при сгорании одной тонны этого древесного топлива, выделяется количество энергии эквивалентное тому, которое образуется при полном сгорании 1.6 тонн древесины, 500 литров дизельного топлива или 48 кубических метров природного газа. В результате пеллетные котлы отопления могут составить весьма успешную конкуренцию иным способам отопления зданий и помещений.
Топливо для котлов в виде пеллет обычно стоят относительно не дорого и цены, на него не меняются так резко, как на тот же природный газ или дизельное топливо. В результате владелец здания, где установлен автоматический котел на пеллетах, может весьма серьёзно сэкономить на его отоплении. Так, например, средний дом общей площадью в двести квадратных метров может быть обогрет в отопительный сезон за 55 000 рублей, при этом для обогрева такого же дома с помощью угля понадобилось бы 95 000 рублей.

Кроме того у такого способа отопления имеются и иные достоинства. Так, например, котлы на пеллетах не нуждаются в каком-либо специальном обслуживании. Вполне достаточно один-два раза в месяц производить уборку золы для того, чтобы добиться качественной работы этого устройства. К несомненным достоинствам описываемых котлов можно отнести:
- высокий КПД в 75-95%;
- дополнительный контур горячего водоснабжения;
- высокая мобильность данной системы отопления;
- возможность самостоятельного монтажа;
- высокий уровень пожарной и взрывной безопасности.
Использование в системе отопления таких отопительных приборов не требуют получения каких-либо разрешительных документов на подключение оборудования, в отличие от использования, например, газового котла в системе обогрева помещений же газового оборудования.
В отношении недостатков можно сказать следующее — пеллетные котлы с автоматической подачей топлива имеют достаточно высокую стоимость, которая значительно превышает стоимость иных приборов для отопления. При этом сервисное обслуживание таких устройств производится только в специализированных сервисных центрах, имеющихся далеко не во всех российских городах.
В остальном у данных отопительных приборов нет никаких существенных недостатков, препятствующих их активному использованию в быту.
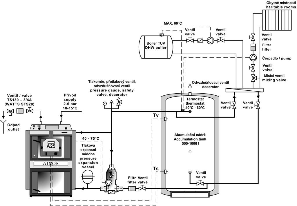
Схема подключения пеллетного котла
Схема подключения пеллетного котла в систему отопления дома идентична схеме подключения любого теплогенератора, будь то газовый котел или котел на дизельном топливе.
Нижний патрубок котла врезается в обратку, верхний патрубок врезается в подачу. Горение пеллет в горелке котла строго контролируется при помощи двух факторов:
- подача топлива шнеком,
- подача воздуха вентилятором.
А потому перегрев котла в штатной ситуации невозможен. Значит, обвязывать металлом подачу котла нет необходимости. Схема пеллетного котла с полипропиленовыми или металлопластиковыми трубами прекрасно работает у многих хозяев долгие годы.



А для внештатных ситуаций, вызванных авариями в линиях электропередач или отказом контроллера котла, стоит предусмотреть схему аварийного отключения подачи топлива и воздуха в камеру сгорания котла. То , которое на момент аварии будет находиться в топке котла, уже неспособно вызвать перегрев теплоносителя в системе отопления.
При такой простоте обвязки, монтаж пеллетных котлов может производить не специализированная организация, а любая строительная организация с лицензией.
Что представляет из себя пеллетный котел
Одним из главных минусов дровяных котлов длительного горения является само топливо, оно громоздкое и требует много места для хранения.
Классические твердотопливные котлы для обогрева частных домов созданы для сжигания дров, каменного угля, кокса и прочих твердых видов топлива. Для этого они оснащаются большой топкой, в которой осуществляется сжигание топлива с выделением большого количества тепла. Такие котлы требуют постоянного подкидывания все новых порций дров и угля – прогорают они достаточно быстро, что приводит к постепенному остыванию отопительной системы.
Появившиеся в продаже твердотопливные котлы длительного горения, используемые для отопления частных домов, порадовали своих владельцев уменьшенным количеством подходов для загрузки горючего – некоторые из них умеют работать до 8-10 часов, в зависимости от используемого топлива. Такой подход позволяет рассчитывать на длительную и бесперебойную работу – можно быть уверенным, что к утру в комнатах не похолодает.
Альтернативой котлам длительного горения стали пеллетные котлы, работающие на специальных горючих гранулах – пеллетах. Такое топливо выделяет большое количество тепловой энергии и обладает множеством преимуществ перед дровами и углем:
- Доступная стоимость – благодаря тому, что пеллеты представляют собой продукт, созданный из различных отходов, их стоимость находится во вполне доступном диапазоне;
- Удобство хранения – достаточно сложить мешки с гранулами в любом удобном месте. Также для этого можно предусмотреть вместительный бункер;
- Удобная дозировка – пеллеты являются сыпучим и очень легким горючим материалом, поэтому их можно дозировать с точностью до нескольких грамм. Также их очень удобно засыпать – для этого можно воспользоваться глубокой лопаточкой.
Пеллеты сгорают практически полностью, оставляя после себя минимальное количество золы. Также в продаже присутствуют низкозольные модификации, сгорающие чуть ли не на 100%.
Пеллетный котел для отопления дома представляет собой довольно внушительный агрегат, работающий на гранулах-пеллетах. Хранение топлива осуществляется в бункере, размеры которого могут быть как маленькими, так и очень большими. Пеллетное горючее постепенно поступает в камеру сгорания, где оно сгорает с выделением большого количества тепла. После этого тепло поглощается теплообменником.
Перепад температур между камерой сгорания и выходом теплообменника очень большой – продукты сгорания остывают здесь с температуры +800-900 градусов до +100-120 градусов.
Пеллетные котлы для дома состоят из следующих узлов:
- Бункер – здесь хранится пеллетное горючее, которое забирается в камеру сгорания. Некоторые модели пеллетных котлов обладают очень большими бункерами, что позволяет рассчитывать на самый длительный прогрев и непрерывную работу отопления частного дома на протяжении нескольких дней подряд>;
- Шнек – обеспечивает плавное поступление гранул-пеллет в рабочую камеру, он приводится в движение электродвигателем;
- Камера сгорания – здесь происходит процесс горения;
Основные агрегаты и узлы пеллетника.
- Горелка – в этом модуле воспламеняются и горят пеллеты. Можно сказать, что камера сгорания и горелка – это один и тот же узел;
- Теплообменник – здесь происходит передача тепла в систему отопления. Теплообменники могут быть самыми разными, начиная от плоских стальных и заканчивая многоходовыми чугунными;
- Модуль управления – контролирует подачу топлива в топку, проверяет рабочие параметры, следит за безопасностью.
Пеллетные котлы, используемые для отопления частных домов, содержат в себе и многие другие узлы – это сборники золы, предохранительные клапаны, системы розжига и многое другое. Но основными являются именно вышеуказанные модули – они отвечают за создание тепла и его передачу в систему отопления частного дома.
Работают пеллетные котлы для дома примерно так же, как и обычные твердотопливные котлы. Шнек забирает пеллеты из бункера и направляет их в горелку, где происходит их сгорание. Полученное тепло забирается теплообменником, а остатки отправляются в атмосферу. Многие пеллетные котлы оснащаются системами принудительной подачи воздуха в камеру сгорания и вентиляторами дымоудаления – все это позволяет обеспечить более эффективное сжигание пеллетного топлива.
Благодаря автоматической подаче горючего, пеллетные котлы не требуют частых подходов. Одной загрузки хватает на несколько часов, а то и на несколько дней. Более того, самые продвинутые образцы самостоятельно поддерживают температуру в системе, регулируя подачу пеллет и горение пламени – для этого они оснащаются многофункциональными системами автоматики.
Варианты пеллетных котлов
 
 Отчественные котлы марки Пеллетрон могут работать на любом виде твердого топлива
С вариантами изготовления пеллетных котлов удается ознакомиться более подробно, если рассмотреть рейтинг из нескольких моделей, получивших высокие оценки у рядового покупателя.
Изделие «Sunsystem V2 25KW/PLB25-P» относится к высокотехнологичным и полностью автоматизированным образцам оборудования. Оно оснащено водяным контуром и предназначается для отопления частных строений с небольшой полезной площадью. Характеризующаяся качественной сборкой модель имеет съемный бункер с разъемами, позволяющими крепить его с разных сторон. Отличается современным дизайном и имеет вспомогательную опцию самостоятельной очистки и встроенный таймер.
Модель «Пеллетрон 40 КТ» характеризуется простотой и универсальностью в эксплуатации и обслуживании. Понятое управление позволяет пользоваться им людям, совсем не знакомым с этим видом отопительной техники. Входящие в комплект радиаторы и бойлеры, а также элементы теплого пола допускается устанавливать и в других системах отопления.
Рассмотренные модели на одной загрузке способны проработать не менее 24-х часов. Для подачи пеллетов и воздуха к месту сжигания в них предусмотрены два управляемых механизма. Для очистки накопительных емкостей выбирается момент, наступающий сразу после сжигания очередной загрузки. В качестве нагревательных элементов в этих образцах используются электрические ТЭНы. Они отличаются сравнительно высоким КПД и повышенным уровнем теплоотдачи. К отрицательным сторонам моделей относят возможность работы только на особых, «белых» пеллетах.
На третьем месте расположилось полностью автоматизированное изделие «Куппер Ок 20» с пеллетной горелкой. Оно имеет привлекательную цену, не теряя качество исполнения. Пользователей привлекает повышенная производительность , позволяющая обслуживать жилые помещения площадью до 250 м2.





































