Способы монтажа вентиля
Для обеспечения правильной работы вентиля необходим корректный монтаж. Зависимость от выбранного способа монтажа может быть довольно существенной и определять работоспособность вентиля в целом.
1. Монтаж под углом
Данный способ монтажа позволяет эффективно контролировать поток воды в прямоугольном направлении
Но при этом следует обратить внимание на то, что вентиль должен быть расположен на высоте не менее 30 сантиметров от поверхности. Предполагается, что вентиль установлен непосредственно в трубопровод и фиксируется специальными хомутами
2. Верхний монтаж
В данном случае вентиль устанавливается на поверхности трубы и может быть фиксирован на крепежных уголках. Этот способ монтажа является одним из самых распространенных и простых в освоении. Однако он также имеет свои недостатки: верхний монтаж обусловлен достаточным расстоянием между соседними вентилями и может быть установлен только на прямых участках водопровода.
3. Боковой монтаж
Устанавливается на боковую поверхность трубы и фиксируется на специальных кронштейнах. Данный способ отличается одинаковой эффективностью при различных условиях эксплуатации и способен обеспечивать герметичность и долговечность в экстремальных условиях. Но стоит учесть, что при данном типе монтажа требуется использование дополнительной конструкции, что может повысить стоимость оборудования.
Вывод: выбор способа монтажа вентиля напрямую зависит от ряда факторов и особенностей эксплуатации. Единственно верным подходом является детально изучить требования к водопроводному оборудованию и внимательно выбрать оптимальный тип монтажа.
Какие краны/вентили-смесители бывают?
В зависимости от назначения существуют 4 основных видов водопроводных кранов: вентильные, однорычажные, с термостатом и сенсорные.
Вентильные
Эти смесители считаются самыми распространёнными приборами.
Они бывают двух типов:
- с одним вентилем. Такие смесители могут подавать воду только одного вида — холодную или горячую. Используется преимущественно для установки на кухне или умывальнике. Корпус одновентильного крана выполняется из сплава меди или латуни. Запорный механизм — в виде керамической или червячной кран — буксы приводится в движение вентилем;
- с двумя вентилями. В их устройство входит латунный корпус с хромированным покрытием, два вентиля, которые управляют картриджами(кран — букса).
За счёт работы катриджей осуществляется регулировка напора и температуры воды. Излив в зависимости от модификации смесителя может составлять одно целое с корпусом (не поворотный) или свободно поворачиваться в разные стороны. Предназначены двухвентильные смесители для смешивания горячей и холодной воды;
Однорычажные
В однорычажном смесителе имеется всего одна ручка (рычаг), с помощью которой регулируется интенсивность подачи холодной и горячей воды. Напор можно усилить при поднятии ручки вверх. Регулировка температуры осуществляется при поворотах рычага влево или вправо, для полного перекрытия воды ручку нужно опустить вниз.
С термостатом
Это инновационный тип устройства. Регулировка температуры и интенсивности поступления воды происходит при установке определённого показателя на специальной шкале термостата.
Бесконтактные
В устройство таких смесителей входят специальные датчики, принцип работы которых основан на реакции инфракрасных лучей на тепло и движение.
Поэтому как только к этому смесителю близко подносят руки, он сразу срабатывает. Чаще всего их можно увидеть в местах общего пользования: санузлах аэропортов, вокзалов, развлекательных центров, учреждений здравоохранения и т.п.
Что представляет собой задвижка?
Под задвижкой
принято понимать запорный механизм на трубопроводе, который предполагает перекрытие потока жидкости или газа посредством перегородки. Она может передвигаться поперек трубы вверх-вниз или влево-вправо. Задвижка во многих случаях также позволяет регулировать интенсивность потока жидкости или газа. Например, если перегородка задвижки сдвинута наполовину — интенсивность потока снижается на 50 %. По мере ее передвижения выше или левее (либо ниже или правее — в зависимости от ее изначального положения) интенсивность потока может увеличиваться или уменьшаться.
Перегородка на задвижке чаще всего изготавливается в виде диска, иногда — клина или же листа. Бывают задвижки, в которых перегородка состоит из одного элемента, но в ряде случаев она представлена несколькими деталями. Например, если их две — увеличение интенсивности, или открытие потока, может осуществляться посредством их раздвижения. Уменьшение динамики, или закрытие потока, наоборот, осуществляется посредством смыкания составных частей перегородки задвижки.
Главное преимущество задвижки — в возможности относительно оперативно и при сравнительно малых энергозатратах осуществить открытие или закрытие потока (либо задать нужную его интенсивность).
Задвижки могут ставиться на трубопроводы с высоким давлением — например, отопительные, водопроводные. Они относятся к самым герметичным запорным элементам.
Задвижка при частом использовании может довольно быстро износиться — это обусловлено во многих случаях довольно большой силой трения между краями перегородки и колодкой, в которой она движется вправо-влево или вверх-вниз.
Еще один недостаток задвижки — в необходимости выделения дополнительного пространства за пределами сечения трубопровода в целях временного размещения выезжающей части перегородки. Монтаж, обслуживание и ремонт рассматриваемого запорного элемента также могут потребовать довольно больших трудозатрат.
Таким образом, задвижка с учетом отмеченных достоинств и недостатков чаще всего используется не как регулировочный, а как запорный элемент, который предполагается размещать в положении «открыто», «закрыто» либо в ином статичном в течение довольно длительного времени. В целях, в свою очередь, частой регулировки потока жидкости или газа на трубопроводах может быть успешно применено другое запорное устройство — кран. Рассмотрим его особенности.
Способы крепления
Водопроводные вентили могут подсоединяться к процессу разными способами: фиксироваться при помощи специальных элементов или монтироваться методом сварки.
Фланцевое соединение
При этом типе соединения используется специальный металлический фланец с резиновой прокладкой. На конец трубы и патрубок вентиля надеваются свободные фланцы, между ними устанавливается прокладка, затем весь узел стягивается болтами.
Муфтовая арматура
Присоединительный патрубок имеет внутреннюю резьбу с мелким шагом, а снаружи оформлен в виде шестигранника для удобства работы ключом. Муфта наворачивается на резьбу с уплотнением льняной прядью или лентой ФУМ.
Цапковая
Для такого способа крепления характерно наличие наружной резьбы на конце присоединительного патрубка и буртика на конце трубопровода.
Патрубок вентиля торцом прижимается к трубе и крепится в таком положении с помощью накидной гайки. Герметичность соединения обеспечивает металлическая прокладка и специальные смазки.
Штуцерная
Штуцер представляет собой короткий отрезок трубы (втулки) с внутренней резьбой на обоих концах. При таком виде соединения присоединительные концы арматуры навинчиваются на трубу и фиксируются при помощи накидной гайки.
Преимущества регулирующих клапанов
Этот вид регулятора используется в бытовых и промышленных системах водо– и газоснабжения, теплосетях и нефтяных магистралях.
Рекомендуем ознакомиться: Виды пневматических фитингов и критерии выбора элементов для пневмосистем

Широкая популярность регулирующих клапанов обусловлена их достоинствами:
- Надежность и долговечность. Корпус изготавливают из прочных материалов, таких как нержавеющая сталь, латунь, чугун, легированные сплавы металлов, устойчивых к воздействию агрессивных химических веществ.
- Простота конструкции и эффективность. Механизм работы клапана прост и при этом достаточен для выполнения задачи точного регулирования напора рабочей среды.
Как установить своими руками?
Правильный монтаж вентиля для воды является важным условием для его безопасной работы и более длительного срока службы. В принципе сама установка протекает по следующей схеме:
- Перекрывают систему водоснабжения.
- Открывают все краны, чтобы стекли остатки воды из труб.
- Демонтируют изношенное устройство. Выбор способа демонтажа зависит от типа соединения старого изделия:
- цапковый — ключом ослабляют накидную гайку;
- муфтовый — путём демонтажа муфты;
- фланцевый — ослабляют болты, применяемые для фиксации крепёжных фланцев;
- сварной — вырезают участок трубы с помощью сварочного аппарата.
- Очищают трубу в месте установки от остатков уплотнителя и ржавчины;
- Устанавливают новый вентиль, герметизируя резьбовую часть соединения фум — лентой или нитью Тангит Унилок. Для фланцевого вентиля применение герметизирующего материала не требуется. В отличие от арматуры с разборным типом соединения, для монтажа приварного устройства потребуется специальный аппарат для пайки труб.
Однако существует и ряд нюансов, которые следует учесть при работе:
- выбор удобного места для установки изделия, чтобы не было помех для движения рычага — ручки;
- резьбу возможно придётся удлинять. Если выполняется замена вентиля, то после демонтажа старого устройство нужно очистить резьбу патрубка от остатков уплотнительного материала и попробовать накрутить на него новое изделие. Довольно часто за время эксплуатации коррозия разрушает металл на двух или трёх витках резьбовой части, поэтому требуется дорезать недостающие витки;
- устанавливать изделие необходимо с учётом направления потока рабочей среды, указанного на корпусе данного вида запорной арматуры.
Общие сведения
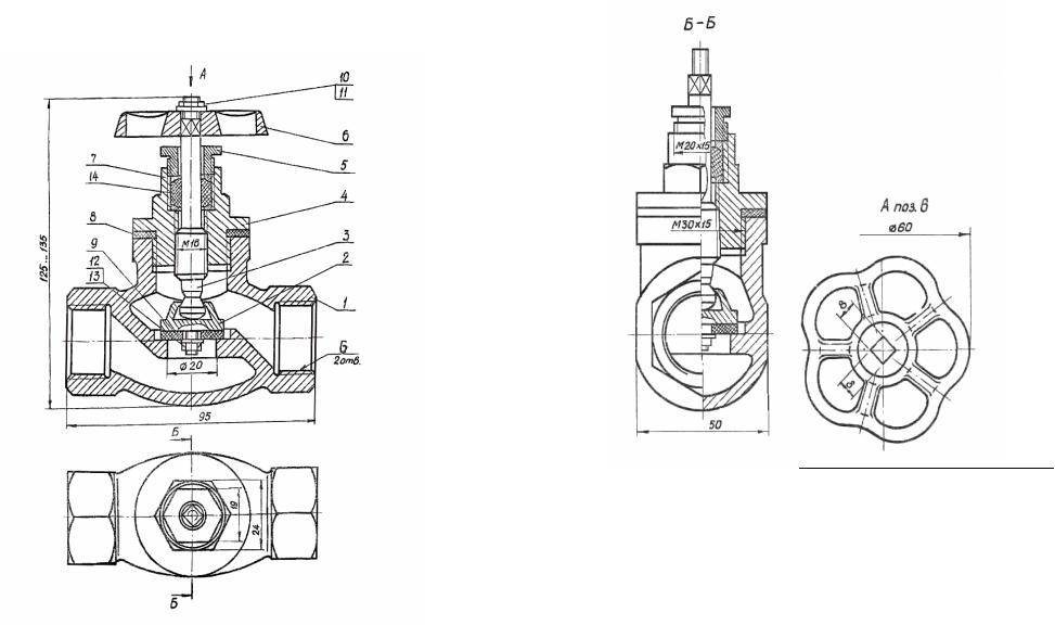
Из чего состоит вентиль
Вентиль для затвора жидкости имеет простое устройство, имеющее наружный корпус с запорным механизмом внутри. На корпусе есть патрубки, чтобы осуществлять стыковку трубопроводных элементов с приборами.
Справка! Корпус изготавливают по литейной технологии, поэтому корпус с патрубками неразъемные между собой.
Разновидности устройств для затвора
Затворная арматура в виде вентилей имеет различную классификацию.
Она подразумевает деление по следующим признакам:
-в зависимости от типа конструкции вентиля,
-от материала, из которого сделан прибор,
-в зависимости от метода стыка с трубопроводом.
Разновидности по особенности строения
Особенности конструкции влияют на тип устройства. Их делят на:
1.клапанный тип,
2.пробковый тип (конусной),
3.шаровой тип.
Клапанный тип
Клапанные вентили по — другому называются вентильными кранами. У устройств корпус делится с помощью наклонной, либо горизонтальной перегородки. В перегородке имеется отверстие для клапана, по – другому седло.
Плюсы клапанного типа

Краны данного типа способны выдерживать высокие показатели давления. Они регулируют значения напора, объема жидкости. Устройства подлежат ремонту, отличаются простым управлением.
Минусы клапанного типа
Прокладку приходится часто менять, из-за контакта с металлом снизу конструкции. Устройство недолговечно в сравнении с другими типами. Шток требует длительного вращения для осуществления подачи, либо перекрытия воды.
Конусный тип
Данные устройства считаются разновидностью клапанных вентилей. Вентиль отличается устройством клапана. Элемент в виде пробки имеет форму конуса. Деталь посредством вращения штока входит в перегородку, закрывая отверстие для выхода воды.
Внимание! Основные свойства конусного типа вентиля совпадают с клапанными. Шаровой тип
Шаровой тип
Форма затворного элемента дала название прибору. Устройство в форме шара со сквозным каналом. При вращении штока прорезь смещается перпендикулярно трубопрокату, значит, вода перестает течь. При расположении канала вдоль трубопроката вода проходит по системе.
Плюсы данного типа
Вентиль имеет простой механизм для применения, что гарантирует длительную эксплуатацию. Устройство отличается герметичностью. Поворачивая ручку на девяносто градусов, меняется положение затвора.
Минусы данного типа
Данное устройство невозможно отремонтировать. Шаровой тип вентиля можно применять лишь, как затворный механизм. С помощью него возможно регулировка подачи, напора воды, однако нет гарантии на длительный срок службы.
Разновидности кранов
Вентили для воды можно разделить на несколько основных типов:
Конусные краны. Применяются подобные механизмы довольно редко, так как они очень быстро изнашиваются, что приводит к частой их замене. Клапанные вентили. Среди преимущества таких конструкций следует выделить возможность работать даже в очень хлорированной воде без потери технических особенностей. Ремонт таких вентилей является относительно простым и требует зачастую только замену уплотнителя. Шаровые вентили состоят из специального корпуса, в котором размещается шар с отверстиями. При повороте его это позволяет, как перекрывать, так и открывать поток воды. Такие системы очень часто применяются в бытовых системах и имеют различный дизайн, что позволяет подбирать их под любой тип интерьера.
Следует отметить, что вентили для воды могут иметь различный тип соединения с основной трубой:
Меры безопасности и технического обслуживания предохранительных клапанов
Существуют различные предохранительные клапаны для всего оборудования. Поэтому установку предохранительных клапанов следует выполнять только тем, кто понимает этот вопрос. Развертывание неправильного клапана, который не соответствует вашему трубопроводу, и может привести к ухудшению качества установки, не будет работать должным образом








Поэтому стоит упомянуть, что профессиональная помощь в приобретении и установке правильного оборудования имеет важное значение
резьба применяется довольно часто. Такие вентили можно встретить повсеместно в бытовом использовании; фланцевое соединение также используется повсеместно. Зачастую такой тип вентилей используют для перекрытия габаритных труб.
При выборе вентиля для воды следует обращать внимание на качество его исполнения, что позволит значительно продлить срок их службы. Клапаны из нержавеющей стали имеют длительный срок службы при условии их надлежащего обслуживания и обслуживания. Несмотря на низкие требования к обслуживанию, рекомендуется запрограммированные проверки этих аксессуаров, чтобы обеспечить сохранение и долговечность предохранительных клапанов дольше
Несмотря на низкие требования к обслуживанию, рекомендуется запрограммированные проверки этих аксессуаров, чтобы обеспечить сохранение и долговечность предохранительных клапанов дольше
Предохранительные клапаны должны проходить функциональные испытания и испытания на сопротивление и соответствовать минимальным требованиям, необходимым для их изготовления
Несмотря на низкие требования к обслуживанию, рекомендуется запрограммированные проверки этих аксессуаров, чтобы обеспечить сохранение и долговечность предохранительных клапанов дольше. Предохранительные клапаны должны проходить функциональные испытания и испытания на сопротивление и соответствовать минимальным требованиям, необходимым для их изготовления
Клапаны из нержавеющей стали имеют длительный срок службы при условии их надлежащего обслуживания и обслуживания. Несмотря на низкие требования к обслуживанию, рекомендуется запрограммированные проверки этих аксессуаров, чтобы обеспечить сохранение и долговечность предохранительных клапанов дольше. Предохранительные клапаны должны проходить функциональные испытания и испытания на сопротивление и соответствовать минимальным требованиям, необходимым для их изготовления.
Не все клапаны, имеющиеся на рынке, изготавливаются с использованием соответствующих компонентов
Поэтому важно выяснить, где купить безопасные и надежные клапаны. Надежные и надежные поставщики имеют хорошие рекомендации и доступные условия для вашей покупки
Разновидности арматуры запорного типа
Различают следующие типы запорной трубопроводной арматуры:
- краны;
- вентили (клапаны);
- задвижки;
- заслонки.
Классификация кранов
Запорные краны преимущественно предназначены для бытовых трубопроводов с малым давлением.
Устройство запорной арматуры-крана следующее:
- корпус;
- запорный элемент;
- рукоять;
- набор уплотнительных прокладок.
Элементы, входящие в состав запорного крана
Классификация устройств может быть произведена по нескольким признакам:
- типу запорного элемента;
- методу установки.
Элементом, перекрывающим поток проходящей среды, может быть:
- шар. В соответствие с этим кран носит название шаровой (рисунок выше);
- конус в виде пробки (пробковый кран).
Запорный кран пробкового вида
Крепиться к трубопроводу краны могут:
муфтовым способом. Фиксирующие гайки наворачиваются на подготовленную на трубе резьбу;
Кран, устанавливаемый на резьбу
- фланцевым способом. В качестве фиксирующих элементов выступают фланцы, соединяемые между собой болтами;
- методом сварки.
Устройства, устанавливаемые на фланцы и методом сварки
Каждый кран имеет свое условное обозначение. На маркировке, нанесенной на корпус устройства, в обязательном порядке отражаются:
- диаметр условного прохода (DN);
- условное давление, на которое рассчитано устройство (РN);
- материал, примененный для изготовления крана;
- предприятие-изготовитель;
- дополнительные справочные материалы (дата изготовления, номер партии и так далее).
Условные обозначения основных параметров крана
Если знать маркировку, то всегда можно самостоятельно подобрать запорное устройство.
Использование вентилей
Запорный клапан (вентиль) состоит из корпуса с двумя концами для крепления устройства и седла, перекрываемого затвором.
Клапан для перекрытия трубопровода
Основная отличительная особенность вентиля от крана – это высокий класс герметичности, что позволяет использовать устройство на газопроводах.
Клапан, как и кран, может присоединяться к трубопроводу при помощи муфт, фланцев или сварки.
Выпускаются вентили, приводимые в действие:
- маховиком (ручное управление);
- электроприводом (электронное управление), в том числе и с помощью дистанционного пульта управления.
Маркировка запорной арматуры – вентиля также содержит:
- условное обозначение модели устройства;
- проход;
- обозначение типа присоединения к трубопроводу;
- давление;
- материал исполнения;
- климатическое исполнение;
- документ, на основании которого вентиль изготовлен.
Обозначение параметров вентиля
Предназначение и разновидности задвижек
Наиболее часто используемым элементом любых трубопроводов является задвижка. Устройство представляет собой корпус и крышку, между которыми располагается затвор.
Простейший вид запорной арматуры
Назначение запорной арматуры – задвижки – любые трубопроводы, диаметр которых варьируется от 15 мм до 2000 мм.
Преимуществами устройства, по сравнению с другими видами запорной арматуры, являются:
- простота обслуживания и конструкции;
- небольшие размеры;
- малое сопротивление.
Задвижки могут изготавливаться из следующих материалов:
- стали;
- чугуна;
- цветных металлов и сплавов из них.
Управление задвижками происходит:
- ручным способом (вращением рукояти);
- электроприводом;
- гидроприводом.
Задвижки с электроприводом или гидроприводом преимущественно устанавливаются на промышленные трубопроводы.
Обозначение запорной арматуры (задвижки) определяет:
- вид и наименование устройства;
- условный рабочий диаметр;
- максимальное давление в системе;
- тип привода;
- положение устройства в рабочем состоянии;
- категорию размещения;
- климатическое исполнение;
- тип соединения устройства с трубопроводом.
Обозначение параметров задвижки
Назначение заслонок
Запорным элементов в заслонке является диск, который вращается вокруг оси.
Разновидность запорной арматуры для трубопровода
Заслонки преимущественно используются на трубопроводах, имеющих большой диаметр и находящихся под небольшим давлением, так как класс герметичности устройства достаточно низкий.
Заслонка может управляться:
- маховиком, приводящим в действие ось вращения (ручное управление);
- гидроприводом;
- электроприводом.
В большинстве случаев корпус запорного устройства изготавливается из чугуна, а поворотный диск – из стали.
Устанавливаются заслонки:
- методом сварки;
- фланцевыми крепежами.
Заслонки могут использоваться в трубопроводах с химическими жидкостями и канализационных системах. Для водоснабжения или отопления практически не применяются.
Марка запорной арматуры – задвижки, а так же номер партии, диаметр, давление и область определения обозначаются на корпусе устройства аналогично ранее приведенным схемам.
Муфтовый запорный латунный вентиль
О применении вентиля муфтового следует упомянуть следующее, что этот вид запорного
устройства, обеспечивает надежное перекрытие движения рабочей среды путем возвратно-поступательного движения запорного органа. Вентиль латунный имеет подвижное устройство называющееся шпиндель, который ввинчен в расположенную в крышке корпуса гайку. Благодаря резьбе гайки, которая обладает свойством торможения, существует возможность оставления органа запора в любом необходимом положении. И что самое главное, самопроизвольное изменение этого положения под действием давления невозможно.
Вентиль латунный по своей конструкции разделяется на прямоточный, угловой и проходной. По типу его герметизации существуют сальниковые и сильфонные. По типу устройства ходовой резьбы делится на виды с выносной и погружной резьбой. Он также может быть и с мембранным запорным органом.
Запорный вентиль латунный имеет широкое применение в моделях, нуждающихся в повышенной надежности и герметичности при перекрывании потока рабочей среды.
Основные характеристики муфтового вентиля
Преимущества латунного вентиля муфтового:
- способность работы в условиях большого рабочего давления;
- высокая устойчивость к перепаду рабочего давления;
- несложное обслуживание и ремонт;
- большая длительность срока эксплуатации;
- небольшой рабочий ход;
- сравнительно небольшая масса и габариты;
- возможность монтажа в любом положении;
- возможность установки на любом месте трубопровода.
Существует запорно-регулирующая конструкция вентиля муфтового, на которой тип золотника – пробковый, профилированная рабочая поверхность и хорошо притерты кромки. Если необходим больший диаметр условного прохода, то используют золотник конусного типа. Это изделие имеет название игольчатый вентиль.
Схема муфтового вентиля.
Производя выбор вентиля, следует обращать внимание в первую очередь на эргономику, а уже потом на надежность и красоту. Эргономика занимает первое место, так как она особенно важна для жизнедеятельности в малогабаритной квартире. Вентили производятся в двух основных типах: шаровый и клапанный
Вентиль (клапан), который все вы хорошо знаете, изначально установлен на ваших трубопроводах в квартире. Эти изделия отлично приспособлены для того, чтобы пропускать воду, которая сильно хлорирована. Стоимость их ремонта совсем небольшая, как правило, это замена уплотнителя, когда изделие потечет
Вентили производятся в двух основных типах: шаровый и клапанный. Вентиль (клапан), который все вы хорошо знаете, изначально установлен на ваших трубопроводах в квартире. Эти изделия отлично приспособлены для того, чтобы пропускать воду, которая сильно хлорирована. Стоимость их ремонта совсем небольшая, как правило, это замена уплотнителя, когда изделие потечет.
Шаровый вентиль изящен и пригоден даже как дизайнерский элемент. У него, как правило, одна ручка, которая поворачивается в разные стороны. Благодаря шаровому латунному вентилю, существует возможность изменять температуру и давление воды.
Конструктивные особенности корпуса
Вентили в зависимости от формы корпуса и способу монтажа на трубопроводе могут быть:
- прямоточными — в них поток транспортируемой жидкости движется через корпус от входа к выходу, не меняя направления, ось шпинделя располагается под углом к оси проходного отверстия. Такая конструкция способствует спрямлению потока и снижению гидравлического сопротивления, но увеличивает рабочий ход затвора, параметры строительной длины и массы изделия;
- проходными — изделие с одинаковым направлением потока движущейся воды на входе и выходе и смещёнными параллельно друг друга осями входного и выходного патрубков. Проходя через корпус вентиля, поток воды вынужден совершать как минимум два поворота под прямым углом, что приводит к образованию высокого гидросопротивления и образованию зон застоя;
- угловыми — в них поворот потока на 90º происходит один раз, поэтому и более низкий уровень гидравлического сопротивления. Такие изделия имеют ограничения по области использования — размещаются на плане трубопровода только на его поворотных участках;
- смесительными — в них регулировка пропорций воды происходит за счёт механического вращения внутренних элементов корпуса. Предназначены для перекрытия и смешивания потоков холодной и горячей воды.
Рекомендации по выбору
Производством вентилей для систем трубопроводов занимаются практически все компании, поставляющие на рынок комплектующие для труб. К надежным производителям относятся следующие фирмы:
- Valtec;
- Rehau;
- Lavita и AS Gruppe.
Поскольку эти бренды присутствуют на рынке на протяжении длительного периода времени и успели зарекомендовать себя с хорошей стороны, их продукция пользуется популярностью, а также не вызывает вопросов касательно качества
Но в процессе выбора запорного крана следует обязательно обращать внимание на корпус изделия, который должен быть выполнен из латунного сплава
Для изготовления дешевой китайской продукции, в большинстве случаев, используется вторичная (переработанная) латунь, в состав которой входят элементы, представляющие опасность для организма человека. Категорически не рекомендуется пренебрегать этим фактором и следует требовать у реализатора документ, свидетельствующий о санитарном соответствии продукции.
При покупке вентиля также нужно тщательно осмотреть запорный элемент, поскольку для того, чтобы удешевить изделие, латунь часто заменяют обычной сталью, подверженной коррозийным образованиям. В процессе использования такого механизма запорный механизм покрывается ржавчиной, что приводит к нарушению герметичности, из-за чего водопровод может прорваться.
При выборе шарового вентиля особое внимание стоит уделить поверхности запорного шара, которая должна быть идеально гладкой за счет того, что стенки детали обрабатываются методом алмазной шлифовки. Если на поверхности есть хоть малейшие шероховатости, пропускная способность вентильной арматуры нарушается, а циркуляция жидкости будет сопровождаться характерными звуками
Замена вентилей
Владельцы квартир в домах, сданных в эксплуатацию более 15 лет тому назад, зачастую вынуждены заниматься вопросом не только замены вентиля на стояке, но и ревизией всей запорной арматуры. Выполнение подобных работ сложным не назовёшь, однако без наличия слесарных инструментов (ключей, отвёрток, льна) и определённых навыков здесь не обойтись.
Все стояки являются общедомовым имуществом, поэтому проводить замену их комплектующих должна управляющая организация. Однако на практике добиться от неё оказание такого рода услуг очень сложно. Иногда бывает проще выполнить эту работу своими руками.
Сначала подбирается подходящая запорная арматура. Здесь необходимо прислушаться к мнению профессионалов. Независимо от того, идёт ли речь о замене вентиля на воду холодную или горячую, они советуют остановить свой выбор на устройствах шарового типа. Причина кроется в их долговечности и высокой надёжности. И даже если такой вентиль выйдет из строя, произвести его очередную замену будет очень легко.
Прежде, чем приступить к замене вентиля, необходимо перекрыть стояк. Если имеется беспрепятственный доступ в подвал, сделать это можно самостоятельно. В противном случае придётся писать заявление в управляющую организацию.
Сложность установки или замены запорного вентиля зависит от типа труб и вида соединения
После перекрытия стояка производится слив воды
Демонтаж старой запорной арматуры необходимо проводить очень осторожно, чтобы не допустить повреждения трубы и присутствующей на ней резьбе
Сделав это, на резьбу труб намотайте ФУМ-ленту или лён. Так вы повысите герметичность соединений и исключите возможность подкапываний, которые в будущем непременно перерастут в течи.
Наворачивайте вентиль на трубу без спешки, чтобы не возник его перекос, из-за которого может повредиться резьба. Выполняя монтаж, следите за расположением рукоятки запорного устройства. Она должна оставаться вверху. Иначе перекрыть воду в дальнейшем будет очень сложно. Перетягивать гайки тоже не следует, чтобы тело трубы не лопнуло. В завершение работ нанесите на места соединений силиконовый герметик.
Подводя итог
При монтаже какого-либо элемента запорного механизма вентиля нужно не забывать о таком понятии, как Ду — условный диаметр механизма, принятый правилами ГОСТ. К примеру, водопроводный вентиль 150, 200 миллиметров с небольшим условными диаметрами прохода воды может находиться на тепловых участках жилого дома. В этом случае для установки применяют фланцевое либо муфтовое соединение. А вентиль с внутренним сечением 400, 500 миллиметров можно установить на центральную теплотрассу. В этом случае для его установки применяется фланцевое соединение.
Итак, мы рассказали про основные виды ремонта. И сейчас вам решать: обратиться за помощью к мастеру или сделать сантехнические работы своими руками.





































