Полезные страницы
- Набор GyverKIT – большой стартовый набор Arduino моей разработки, продаётся в России
 - Каталог ссылок на дешёвые Ардуины, датчики, модули и прочие железки с AliExpress у проверенных продавцов
 - Подборка библиотек для Arduino, самых интересных и полезных, официальных и не очень
 - Полная документация по языку Ардуино, все встроенные функции и макросы, все доступные типы данных
 - Сборник полезных алгоритмов для написания скетчей: структура кода, таймеры, фильтры, парсинг данных
 - Видео уроки по программированию Arduino с канала “Заметки Ардуинщика” – одни из самых подробных в рунете
 - Поддержать автора за работу над уроками
 - – сообщить об ошибке в уроке или предложить дополнение по тексту ()
 
Как выполнить подключение RGB ленты через контроллер
Как подключить RGB ленту к контроллеру стоит разобрать отдельно, так как есть некоторые особенности.
На фото ниже изображена схема подключения РГБ ленты к контроллеру, соединяющаяся при помощи четырех проводов: 3 из них цветные и 1 соединительный для подачи тока от блока питания. Контроллер должен строго устанавливаться между трансформатором и диодным отрезком.
- Первое, что нужно сделать – с одной стороны где только два провода «+» и «-», соединить контроллер с трансформатором, соблюдая полярность проводов.
 
- Далее, с другой стороны, нужно подключить отрезок светодиодной ленты с контроллером, как это сделать смотрите подробно на картинке выше. Соедините четыре провода, 3 из них с соблюдением цветной маркировки, а четвертый провод прикрепите на оставшееся место (он обычно белого или черного цвета).
 
На деле, если выполнить подключение правильно, процесс оказывается совсем не сложным. Если с первого раза не получилось выполнить соединение верно, то не волнуйтесь – током не ударит. Просто поменяйте провода местами.
Основные схемы подключения RGB-ленты
Когда разобрались с подключением контроллера к RGB-ленте, ваш следующий шаг – соединить все оставшиеся детали в общую цепь. Рассмотрим несколько схем подключения, когда требуется соединить один и более отрезок, а также в каком случае необходим усилитель.
- Простой вариант установки всех элементов между собой. Эта схема будет полезна для тех, кто собирается подключить только одну диодную ленту, длиной не более, чем 5 метров. При этом способе достаточно применить один блок питания и RGB контроллер. Если требуемая мощность блока рассчитана правильно, то усилитель не понадобится. Ниже представлена наглядная схема подключения.
 
- Способ для подключения двух светодиодных отрезков, каждый длиной не более 5 м. Этот метод подключения RGB ленты также прост, но требует некоторых условий для его реализации:
 
- мощности блока питания и контроллера должно быть достаточно для обслуживания током нескольких диодных отрезков, у которых суммарная длина не более 10 м.
 - потребуются дополнительные провода. Как показано на схеме ниже, это можно выполнить путем присоединения к соответствующим выходам контроллера по два провода, которые идут на две разные ленты, соединяя их параллельно друг другу. То есть к одному контакту контроллера присоединяются сразу два провода.
 
Насколько эффективен этот способ остается только гадать. Ведь мощности одного блока питания может не хватить на долгое время обслуживания двух отрезков лент, а если вы допустили ошибки в расчетах, то конструкция может вовсе не работать.
Для подключения двух отрезков диодных лент существуют более надежные способы. Подразумевается два основных метода соединения всей цепи, длиной свыше 5 м: при помощи дополнительного блока питания и при помощи усилителя.
- Рассмотрим схему подключения РГБ ленты к двум источникам питания, которая представлена ниже. Эта цепь гораздо лучше подходит для обслуживания более длинных участков лент, так как мощность распределяется равномерно на оба отрезка в необходимом объеме. Недостаток этого способа кроется в том, что трансформатор стоит дороже, чем усилитель.
 
- Следующий метод соединения заключается в добавлении нового элемента – усилителя. При его выборе не требуется рассчитывать мощность всей ленты, а только отдельного отрезка, к которому он присоединяется. Его удобнее использовать, так как трансформатор выглядит более громоздким и тяжелым. К тому же не каждый контроллер выдерживает такое напряжение тока. Здесь на помощь приходит использование RGB усилителей сигнала. В итоге оба отрезка будут синхронно работать. Чтобы было понятнее, взгляните на схему.
 
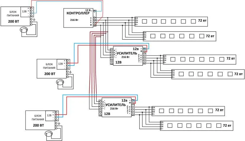
- Способ подключения, который позволяет создать более сложную конструкцию из светодиодов любой длины и сложности. Для этого потребуется несколько блоков питания и усилителей, в соответствии с количеством светодиодных лент. Нужно ли добавлять дополнительный трансформатор зависит от мощности освещения. Ниже следует схема того, как вы сможете постепенно наращивать длину подсветки, добавляя через каждые 5 метров по одному усилителю.
 
Вот еще одна возможная схема подключения сложных конструкций, схожая с предыдущими. Как ее выполнить смотрите ниже.
Вот такое существует разнообразие вариаций подключения, и это не предел, дальше все зависит от вашей фантазии. Главное, найти место для размещения всего этого оборудования.
Светодиодные ленты и их типы
LED-лента — это широкая гибкая линия. Такая линия имеет разную ширину. По длине платы расположены светодиоды и другие рабочие схемы. Фонарики могут располагаться как в один ряд, так и в несколько рядов.

Такое расположение огней способствует отличному рассеиванию потока света.
- Чтобы иметь представление о том, какую ленту купить лучше всего, необходимо уметь считывать маркировку. Существуют специальные таблицы, в которых вписаны обозначения и их расшифровка.
 - На самой ленте всегда должны присутствовать обозначения удельной потребляемой мощности, значение излучаемого светового потока одним светодиодом. Обязательно должна присутствовать маркировка напряжения питания.
 

Характеристика светодиодов подчинена стандартам. Самыми популярными светодиодными лентами являются SMD 3528 и 5050. На одной LED ленте может находиться до 60, 120 диодов. Встречаются ленты и с 240 диодами. С обратной зоны подобных лент часто можно увидеть самоклеющуюся ленту.

 











Также важно упомянуть, что на каждом SMD-приборе находятся контактные зоны. Подобные площадки необходимы для увеличения площади ленты
На таких областях часто присутствует обозначение ножниц, по которым возможно и сделать разрез ленты.

Соединяются между собой отрезки лент посредством специальной пайки.
- Возможно говорить о DIP LED. Отличаются подобные диоды своими формами. В размере они могут быть от 3 до 5 мм. Наклеиваются диоды на гибкую ножку. Гирлянды, собранные из такого вида диодов, заливаются силиконом.
 - Производиться они могут разной длины. Иногда такой вариант заключают в матовую трубу. Такие трубки используются не только для внутреннего освещения, но и для наружного.
 

Выделяют RGB ленты. Это вариант разноцветный вариант гирлянды. За смену цветового оттенка гирлянды отвечают специальные контроллеры. На гирлянде изменяются не только цвета, но а также насыщенность гаммы, ее яркость.

Способы подключения RGB-подсветки к компьютеру
Чтобы самостоятельно изготовить подсветку рабочего места, монитора или компьютера, не потребуется опыт и знания профессионального компьютерщика. Рассмотрим подробно самые распространённые варианты создания RGB-подсветки, отличающиеся способом подключения к источнику напряжения.
От блока питания компьютера
Этот способ считается самым безопасным и удобным в реализации. Поскольку на компьютерах устанавливают БП с хорошим запасом по мощности, бояться, что светодиодная лента перегрузит блок питания, не стоит. Но некоторые расчёты всё же потребуются – нужно узнать суммарный ток потребления всех компонент ПК, от центрального процессора и видеокарты до накопителей и метаринки – все эти данные можно отыскать в интернете. Как правило, в распоряжении остаётся порядка 3-5 ампер, чего вполне достаточно для подключения ленты длиной в несколько метров. Упростить расчёты поможет следующая таблица:
ВАЖНО. Все работы по монтажу ленты производятся при выключенном компьютере. Мы настоятельно рекомендуем не использовать кнопку включения блока питания, имеющуюся на корпусе ПК сзади, поскольку при выполнении работ её можно нажать случайно, а вытащить питающий провод из розетки
Мы настоятельно рекомендуем не использовать кнопку включения блока питания, имеющуюся на корпусе ПК сзади, поскольку при выполнении работ её можно нажать случайно, а вытащить питающий провод из розетки.
Пошаговый алгоритм подключения:
- снимаем боковую крышку ПК;
 - вскрывать БП не нужно. Он имеет достаточное количество проводов для подключения периферии. Желательно использовать разъём для подключения дисковода для НГМД (дискет), которые сейчас практически не используются, или незадействованный разъём для жёсткого диска. На оба подаётся питание 12 В;
 - отрезаем сам разъём, будем использовать жёлтый и один из чёрных проводов, два остальных (красный и чёрный) нужно заизолировать. Жёлтый провод – питающий, чёрный – это минус, при подключении ленты не перепутайте, иначе она не будет работать;
 - остаётся аккуратно припаять провода к концам светодиодной ленты (жёлтый – плюс, чёрный – минус);
 - можно не отрезать разъём, а паять светодиодную ленту непосредственно к штырькам. Такой вариант даже предпочтительнее с точки зрения требований безопасности.
 
Через материнскую плату
Данный способ ещё проще, но он менее универсален, поскольку не все материнские платы имеют соответствующий разъём. Обычно он располагается с краю МП и имеет надпись RGB (четыре штырька) или RGBW (5 штырьков). Если таких разъёмов на вашей материнской плате нет, этот метод использовать не получится.
Разъём на 4 пина
Разъём на 5 пинов (RGBW)
Подробная инструкция, как подключить RGB-подсветку к корпусу материнской платы:
- рассчитываем длину ленты по тому же принципу, который описан в схеме с подключением через блок питания;
 - отрезаем ленту по отмеченной на обратной стороне линии;
 - для подключения к разъёму на материнской плате используем специальный коннектор, который можно приобрести в магазине радиодеталей;
 - в одну сторону коннектора вставляем отрезанный конец ленты, затем надеваем фишку на разъём на материнской плате до упора;
 - проверяем работоспособность ленты, включив компьютер;
 - если всё нормально, крепим саму ленту (можно использовать специальный алюминиевый профиль с матовым пластиком, о котором мы уже упоминали).
 
Подключение RGB-подсветки непосредственно к материнской плате считается оптимальным вариантом, поскольку не требует пайки и обеспечивает более надёжный контакт.
Через USB
Оба описанных выше способа непригодны для ноутбуков, поэтому здесь целесообразнее использовать для подключения подсветки стандартный USB разъём. Метод вполне пригоден и для стационарных ПК, при условии наличия свободных разъёмов. Но здесь придётся учесть тот факт, что номинал напряжения, подаваемого на USB, ограничивается значением в 5 В, и по току ограничения ещё жёстче – всего 0.5 А. Поскольку лента рассчитана на питание 12 В, придётся приобрести специальный преобразователь, благо, стоит он недорого.
Пошаговый алгоритм:
- поскольку при повышении напряжения с 5 до 12 В сила тока падает в 2,5 раза до 0,2 А, длинную светодиодную ленту подключить не удастся. Рассчитать её длину легко простым суммированием, если знать потребление тока одним светодиодом. Оптимальный вариант – лента SMD3528 (60 диодов на погонный метр), при этом максимальная длина подсветки составит 0,5 м;
 - для подключения ленты к разъёму можно использовать специальный коннектор.
 
ВНИМАНИЕ. Если длина ленты будет больше расчётной, USB разъём будет перегреваться и рано или поздно перегорит
Схема подключения подсветки
Перед тем как подключить пульт к светодиодной ленте нужно разобраться в том, по какой схеме работает управляемая подсветка. Многоцветные ленты изготавливаются с использованием диодов малой мощности. Поэтому напрямую от сети изделие работать не будет. То есть обязательно подключение блока питания, который будет преобразовывать 220 В в рабочие 12 В, 24 В, реже 36 В.
Выбирать блок питания нужно с учетом суммарной мощности светодиодов. Характеристика обычно указывается в паспорте исходя из 1 погонного метра. Например, есть продукт с показателем в 16 В, а общая длина составляет 5 м. Тогда для всей ленты потребуется 80 В. Технически правильным будет к рабочему значению добавить запас на 20-30% (коэффициент 1,2-1,3). То есть БП на 90-100 В является оптимальным выбором.

 Блок питания для диодной подсветкиИсточник svetlux.ru
Далее идет контроллер. Его также надо выбирать исходя из рабочей мощности с учетом выходного напряжения. Плюс прибор должен быть совместим либо сразу укомплектован пультом дистанционного управления.
Установка БП
Рассмотрим, как подключить светодиодную ленту с пультом. На блоке питания возле клеммной колодки имеются условные обозначения. Они позволяют правильно подсоединить проводники от питающего кабеля и выходные от светильника. В частности:
- L, N и заземление – фаза и ноль для входящего провода, «земля» не всегда предусмотрена у прибора;
 - «+», «-», V+, V- – клеммники для подключения положительного и отрицательного проводника от светодиодной ленты.
 
 
 Подключение диодной ленты к БПИсточник domnomore.com
На изнаночной стороне гибкой платы светильника всегда указываются линии с «+» и «-». Поэтому ошибиться даже начинающий мастер не сможет. Также здесь имеются обозначения для правильного подключения ленты к контроллеру.
Установка контроллера
Чтобы светодиодная лента работала с пультом, между ним и блоком включается в цепь контроллер. Здесь от блока идут положительный и отрицательный проводники. А выходящих получается 4.
- «+» – на ленте это «+» или «12 В», на приборе «+» или «V+»;
 - «-» – на ленте и на приборе под отрицательными проводниками подразумеваются линии с диодами конкретного цвета (R-RED, G-GREEN, B-BLUE).
 
 
 Схема подключения RGB-контроллераИсточник electricdoma.ru
Для самостоятельной сборки светильника с нужными устройствами этого достаточно. Главное – соблюдать полярность и аккуратность. С заводскими комплектами работать проще. Здесь нужно только вставить штекеры в соответствующие разъемы. Все детали прописываются в инструкции к продукту.
Установка усилителя
Настроить светодиодную ленту с пульта, если ее длина превышает 5 метров, не получится. Здесь требуется специальный усилитель. Мощность прибора выбирается с учетом значения, которое нужно компенсировать относительно контроллера. Например, есть блок питания с достаточной мощностью, светильник длиной 15 м и общей мощностью 10*16=160 В и контроллер на 100 В. Тогда понадобится компенсировать недостающие 60 В. Если блок питания слабее должного, то его только вторым БП дополняют.

 Схема подключения RGB-усилителяИсточник optprosvet.ru
Стоит отметить, что на яркость подсветки RGB-усилитель никак не влияет. Он нужен только для увеличения и продления сигнала, что передается от контроллера к ленте. Встраивается прибор на участке цепи между основной лентой и дополнительной.
Сначала подключаются проводники от первой: «+», R, G и B. Потом от второй те же клеммы. Дополнительно к ней от блока питания подводятся «+», «-» или V+, V-. Если нужен дополнительный БП, то он подключается к питающему кабелю подобно основному блоку.

 Схема с несколькими БП и RGB-усилителямиИсточник wirenboard.com
Общие сведения о лентах
Ленты часто устанавливают в нише потолка над определенной зоной в квартире (например, над спальным местом или обеденной зоной). Многие жильцы не могут точно сказать, какой цвет им необходим, к тому же со временем одна и та же подсветка может надоесть. В такой ситуации выручит RGB контроллер для светодиодной ленты, с помощью которого подсветку можно настроить индивидуально.
Само название RGB обозначает три слова — Red, Green, Blue, то есть красный, зеленый и синий. Из такого небогатого предложения цветовых решений сложно выбрать один цвет, поэтому многие мастера рекомендуют устанавливать контроллеры. Благодаря этим устройствам жильцы смогут настраивать цвета по своему вкусу, например, желтый, оранжевый, фиолетовый, а также регулировать их интенсивность.
Перед тем как приобретать светодиодные ленты, нужно немного разобраться в их классификации. Обычно выделяют их два:
- SMD 3528;
 - SMD 5050.
 
Оба типа лент отличаются по габаритам и параметрам: у первого размеры сторон составляют 3,5 мм на 2,8 мм, у второго — 5 мм на 5 мм, что и отражено в самих названиях. Аббревиатура SMD (Surface Mounted Device) буквально означает «устройство, установленное на поверхности».
Еще одна важная особенность — это мощность светового потока. У SMD 3528 она ниже, так как в такой ленте светодиоды являются однокристальными, в то время как в SMD 5050 они трехкристальные. Второй тип будет светить ярче, однако он будет потреблять в 3 раза больше мощности.
Немаловажным параметром является количество светодиодов на 1 метр ленты, где их может быть 30, 60, 120 или 240 штук. Чем больше светодиодов, тем ярче будет сиять подсветка. Но ленты с большим количеством маленьких лампочек будут стоить дороже. Специалисты советуют не приобретать слишком яркие устройства, поскольку для подсветки ниши в потолке хватит 60 диодов на 1 метр. Для декорирования мебели можно приобрести самую простую ленту с 30 диодами. Такие рекомендации являются оптимальными для любого интерьера.

Чтобы установить освещение в нишу потолка, для примера можно взять ленту типа SMD 5050, содержащую 60 диодов на 1 метр. Она имеет следующие характеристики:
- цвет диодов — RGB, то есть многоцветная;
 - количество диодов — 60 штук на 1 метр;
 - мощность — 14 Вт/м;
 - напряжение — 24 В.
 
Также на упаковке будет представлена аббревиатура IP с примыкающими к ней цифрами. Эта характеристика указывает на степень защиты. Например, на коробке написано IP33, что означает следующее:
- Первая цифра 3 указывает на степень защиты от попадания инородных тел и прочих контактов с осветительным прибором. По шкале от 0 до 5 она свидетельствует о защите от мелких частиц размером до 2,5 мм.
 - Вторая цифра 3 указывает на степень защиты от воды. Светодиоды защищены от наклонного попадания брызг под углом до 60 градусов.
 
Лента намотана на бобину (или катушку), стандартно ее длина равна 5 метрам, поэтому лучше всего приобрести две катушки, так как часто для подсветки различных ниш требуется от 5 до 8 метров, а иногда и больше. Устройство условно поделено на несколько небольших отрезков, на каждом из которых находится по 6 светодиодов. Отрезки представляют собой полностью самостоятельный осветительный прибор, который будет гореть при подключении к сети.
Светодиодная лента очень пластична, поэтому ее можно крепить в ниши любой сложности и формы, не говоря уже о прямых линиях и переходах. На обратной стороне светодиодов имеется липкий двусторонний скотч, благодаря которому цветная конструкция накрепко прилипнет к любой поверхности.
Effects
- Static — No blinking. Just plain old static light.
 - Blink — Normal blinking. 50% on/off time.
 - Breath — Does the «standby-breathing» of well known i-Devices. Fixed Speed.
 - Color Wipe — Lights all LEDs after each other up. Then turns them in that order off. Repeat.
 - Color Wipe Inverse — Same as Color Wipe, except swaps on/off colors.
 - Color Wipe Reverse — Lights all LEDs after each other up. Then turns them in reverse order off. Repeat.
 - Color Wipe Reverse Inverse — Same as Color Wipe Reverse, except swaps on/off colors.
 - Color Wipe Random — Turns all LEDs after each other to a random color. Then starts over with another color.
 - Random Color — Lights all LEDs in one random color up. Then switches them to the next random color.
 - Single Dynamic — Lights every LED in a random color. Changes one random LED after the other to a random color.
 - Multi Dynamic — Lights every LED in a random color. Changes all LED at the same time to new random colors.
 - Rainbow — Cycles all LEDs at once through a rainbow.
 - Rainbow Cycle — Cycles a rainbow over the entire string of LEDs.
 - Scan — Runs a single pixel back and forth.
 - Dual Scan — Runs two pixel back and forth in opposite directions.
 - Fade — Fades the LEDs on and (almost) off again.
 - Theater Chase — Theatre-style crawling lights. Inspired by the Adafruit examples.
 - Theater Chase Rainbow — Theatre-style crawling lights with rainbow effect. Inspired by the Adafruit examples.
 - Running Lights — Running lights effect with smooth sine transition.
 - Twinkle — Blink several LEDs on, reset, repeat.
 - Twinkle Random — Blink several LEDs in random colors on, reset, repeat.
 - Twinkle Fade — Blink several LEDs on, fading out.
 - Twinkle Fade Random — Blink several LEDs in random colors on, fading out.
 - Sparkle — Blinks one LED at a time.
 - Flash Sparkle — Lights all LEDs in the selected color. Flashes single white pixels randomly.
 - Hyper Sparkle — Like flash sparkle. With more flash.
 - Strobe — Classic Strobe effect.
 - Strobe Rainbow — Classic Strobe effect. Cycling through the rainbow.
 - Multi Strobe — Strobe effect with different strobe count and pause, controlled by speed setting.
 - Blink Rainbow — Classic Blink effect. Cycling through the rainbow.
 - Chase White — Color running on white.
 - Chase Color — White running on color.
 - Chase Random — White running followed by random color.
 - Chase Rainbow — White running on rainbow.
 - Chase Flash — White flashes running on color.
 - Chase Flash Random — White flashes running, followed by random color.
 - Chase Rainbow White — Rainbow running on white.
 - Chase Blackout — Black running on color.
 - Chase Blackout Rainbow — Black running on rainbow.
 - Color Sweep Random — Random color introduced alternating from start and end of strip.
 - Running Color — Alternating color/white pixels running.
 - Running Red Blue — Alternating red/blue pixels running.
 - Running Random — Random colored pixels running.
 - Larson Scanner — K.I.T.T.
 - Comet — Firing comets from one end.
 - Fireworks — Firework sparks.
 - Fireworks Random — Random colored firework sparks.
 - Merry Christmas — Alternating green/red pixels running.
 - Fire Flicker — Fire flickering effect. Like in harsh wind.
 - Fire Flicker (soft) — Fire flickering effect. Runs slower/softer.
 - Fire Flicker (intense) — Fire flickering effect. More range of color.
 - Circus Combustus — Alternating white/red/black pixels running.
 - Halloween — Alternating orange/purple pixels running.
 - Bicolor Chase — Two LEDs running on a background color.
 - Tricolor Chase — Alternating three color pixels running.
 - thru 62. Custom — Up to eight user created custom effects.
 
Готовимся к новому году: простая гирлянда на arduino
Установка и монтаж
Перед установкой RGB-ленты LED Strip необходимо правильно подготовить поверхность, на которой будет установлена лента. Поверхность должна быть чистой, сухой и гладкой.
Для установки RGB-ленты LED Strip потребуются следующие материалы и инструменты:
- RGB-лента LED Strip.
 - Адаптер питания для RGB-ленты.
 - Контроллер RGB-ленты (если не входит в комплект с лентой).
 - Компьютер или мобильное устройство для управления RGB-лентой (если не используется контроллер).
 - Провода для подключения RGB-ленты и адаптера питания.
 - Разъемы для соединения проводов (если не входят в комплект с лентой или адаптером).
 - Клей или двухсторонний скотч для крепления RGB-ленты.
 - Ножницы или специальный инструмент для обрезания RGB-ленты.
 
Последовательность установки RGB-ленты LED Strip следующая:
- Измерьте длину участка, на котором будет установлена RGB-лента. Обрежьте ленту по необходимой длине с помощью ножниц или специального инструмента.
 - Очистите поверхность от пыли и грязи.
 - Снимите защитную пленку с двухстороннего скотча на RGB-ленте.
 - Аккуратно приклейте RGB-ленту на выбранное место. Убедитесь, что лента надежно приклеена.
 - Подключите провода RGB-ленты к адаптеру питания и контроллеру (если используется).
 - Подключите адаптер питания к розетке.
 - Если необходимо, подключите контроллер RGB-ленты к компьютеру или мобильному устройству через соответствующий интерфейс.
 - Включите питание и проверьте работу RGB-ленты.
 
После установки RGB-ленты LED Strip вы сможете наслаждаться яркими и насыщенными цветами свечения в вашем интерьере. Не забудьте правильно настроить управление лентой с помощью соответствующего программного обеспечения или пульта дистанционного управления (если доступно).
Способы управления цветом свечения
R
G
B
светодиодных лент
Есть два способа управления цветовым режимом работы
R
G
B
светодиодной ленты, с помощью трех выключателей или электронного устройства.
Принцип работы простейшего контроллера на выключателях
Рассмотрим принцип работы самого простого контроллера, на механических выключателях. В качестве выключателя для ручного управления свечением
R
G
B
ленты можно применить трех клавишный настенный выключатель, предназначенный для включения люстр и светильников в бытовую сеть 220 В. Электрическая схема подключения тогда будет иметь следующий вид.
Резисторы R1-R3 служат для ограничения тока и их можно устанавливать в любом месте цепи питания кристаллов одного цвета. По этой схеме можно подключать
R
G
B
ленты, рассчитанные на напряжение питания как 12 В, так и 24 В.
Как видно из схемы, плюсовой вывод блока питания подключается непосредственно к плюсовому выводу светодиодной ленты, который является общий для светодиодов всех цветов, а минусовой вывод подключается к
R
,
G
и
B
контактам ленты через выключатель. Коммутатором из трех выключателей можно получить семь цветов свечения ленты. Это самый простой, надежный и дешевый способ управления цветами свечения
R
G
B
ленты.
Принцип работы электронного контроллера
Для получения бесконечного количества цветов свечения
R
G
B
ленты и в автоматическом режиме динамическое изменение величины светового потока, вместо выключателей используют электрический блок, который называется
R
G
B
контроллер. Его включают в разрыв цепи между блоком питания и
R
G
B
лентой. Обычно в комплект контроллера входит пульт дистанционного управления, позволяющий на расстоянии управлять режимом его работы, и как следствие режимом свечения светодиодной ленты.
Так как для работы светодиодной ленты требуется, как правило, напряжение постоянного тока 12 В (реже 24 В), то для подключения ее к электросети переменного тока 220 В применяется блок питания или адаптер, преобразующий переменное напряжение в напряжение постоянного тока, которое через разъемное соединение подается на блок контроллера.
Рассмотрим принцип работы RGB контроллера на примере самого простого и широко применяемого контроллера модели LN-IR24. Он состоит из трех функциональных узлов – контроллера управления
R
G
B
, силовых ключей и микросхемы инфракрасного сенсора (ИК). Микросхема контроллера прошита на требуемый алгоритм работы светодиодной ленты. Управление микросхемой контроллера осуществляется сигналом, поступающим с микросхемы сенсора ИК. На ИК сенсор управляющий сигнал поступает при нажатии кнопок на пульте дистанционного управления.
Управление подачей питающего напряжения на светодиодную ленту осуществляется с помощью трех полевых транзисторов, работающих в ключевом режиме. При поступлении сигнала с микросхемы контроллера управления RGB на затвор транзистора, его переход сток-исток открывается, и через светодиоды начинает протекать ток, в результате чего они начинают излучать свет. Управление яркостью свечения светодиодов осуществляется за счет высокочастотного изменения ширины импульсов подаваемого питающего напряжения (широтно-импульсной модуляции).
Схема проекта
Схема подключения адресной светодиодной ленты Neopixel к плате Arduino представлена на следующем рисунке.
Необходимо подключить контакты VCC и GND светодиодной ленты к контактам 5V и GND платы Arduino соответственно. Контакт DI светодиодной ленты мы подключили к контакту D2 платы Arduino. При этом схема подключения адресной светодиодной ленты Neopixel к плате Arduino не будет меняться в зависимости от того, как много светодиодов содержит лента. Аналогичным образом можно подключить к плате Arduino и светодиодное кольцо Neopixel.
Внешний вид собранной конструкции проекта представлен на следующем рисунке.
Ошибки подключения
1
контроллер – блок – лента (должно быть: блок – контроллер – лента) или
блок – усилитель – контроллер – лента (правильно: блок – контроллер – усилитель – лента)
2
Так вот, при наклеивании ленты и срыве скотча, эти самые места могут оголиться. Такое зачастую происходит на изделиях эконом класса.
В итоге, когда вы ленту наклеите на алюминиевый профиль, вы тем самым просто закоротите все 4 дорожки между собой и сожгете свою подсветку. Поэтому всегда проверяйте обратную сторону, перед непосредственным процессом наклеивания.
3
Даже если для блока и был выбран запас в 30%, в конечном итоге работа на износ рано или поздно выведет из строя или блок или светодиоды.
Яркость светодиодной ленты RGB
Яркости RGB светодиодной ленты будет достаточной для организации декоративной подсветки, но в качестве основного источника света использовать ее не получится. Многоцветная светодиодная лента может излучать близкий к белому свет, но сравниться по яркости с монохромной белой светодиодной лентой она не может.
Различные оттенки цветов RGB светодиодной ленты получаются за счет регулировки яркости отдельных каналов цветов, а это значит, что в целом светодиод никогда не светит на полную свою мощность. Для увеличения яркости белого света стали выпускать RGB led ленты с дополнительным светодиодом, излучающим белый свет. Такие ленты обозначаются как RGBW и RGBWW.
Пример цен
 Пример правильных средних цен, в таблице указана класс светодиодной ленты РГБ: Эконом, Стандарт
Цен могут сильно повышаться в зависимости от качества исполнения диодной ленты и используемых комплектующих. Потому, что светодиоды производятся бюджетного уровня, которыми китайцы торгуют и которые я покупать не рекомендую, получается дороже и хуже чем в России из-за повышения курса доллара 2015 года. Больше всего популярен средний ценовой сегмент, оптимальный по соотношению цена и качество.
Пользуясь отличием цен, хотя с виду одинаковая, недобросовестные магазины и продавцы могут бюджетный товар продавать как премиум. Кто покупает впервые, не увидит обмана и отличий. Качество, яркость и срок эксплуатации будут в 2-3 раза хуже.
Ремонт контроллера LN-IR24B RGB светодиодных лент
Если проверка ПДУ, блока питания и RGB светодиодной ленты подтвердила их исправность, значит, неисправен контроллер и следует его заменить или отремонтировать.
Ремонт контроллера начинается с осмотра печатной платы. Для этого нужно снять крышку-дно, отжав лезвием ножа боковую стенку в сторону.
На боках крышки имеются по два квадратных отверстия, за которые цепляются фиксаторы основания корпуса, и крышка надежно закрепляется.
 
Печатная плата в корпусе зафиксирована только со стороны припайки проводников несколькими каплями силикона. Для освобождения печатной платы нужно лезвием ножа подрезать силикон вдоль стенок корпуса. Работать нужно аккуратно, чтобы не перерезать провода.
 
После извлечения печатной платы нужно внимательно внешним осмотром проверить ее на отсутствие дефектов – холодных паек выводов деталей, следов их перегрева в виде потемнений маркировки или копоти на корпусе, перегрева проводников или их разрушения.
Если дефектов не обнаружено, значит, неисправны радиоэлементы. Микросхемы редко выходят из строя, узким местом в контроллерах обычно являются силовые ключи, которые выходят из строя, как правило, из-за нарушения правил эксплуатации, а именно, перегрузке по току. Все три ключа выходят из строя очень редко, чаще один, средний (управления зеленым цветом), так как подогревается соседними транзисторами и в результате работает в более тяжелых температурных условиях.
Если предельный ток нагрузки указан 2 А, то для надежной работы контроллера нагружать выходы надо током не более 1,8 А, а лучше 1,5 А. Тогда контроллер прослужит долго.
Ключи в контроллере LN-IR24B выполнены на трех полевых транзисторах mosfet P3055LD в корпусе DPAK (TO-252) для SMD-монтажа, выдерживающие ток нагрузки до 12 А. Но в контроллере транзисторы не установлены на теплоотводы и поэтому допустимый ток нагрузки ограничен до 2 А.
Ниже приведена структурно-монтажная схема светодиодной RGB системы освещения. Пути прохождения цифровых сигналов с микросхемы на затворы полевых транзисторов показаны линиями соответствующих цветов.
 
Проверять работу контроллера лучше всего с помощью осциллографа. Тогда появится возможность проверить как работу микросхем, так и транзисторов. Для проверки достаточно подать на контроллер питающее напряжение. RGB ленту подключать не обязательно. Далее с помощью ПДУ, направленного на сенсор последовательно нажать сначала на кнопку ON (включить), а затем W (белый). Таким образом, контроллер будет включен в режим свечения светодиодной ленты белым светом (будут светиться все три цвета).
 
Общий провод осциллографа подключается к +12 В, а щупом прикасаются последовательно к затворам каждого из транзисторов. На экране осциллографа должны наблюдаться прямоугольные импульсы размахом около 5 В. Если импульсов нет, то концом щупа прикасаются с другого конца токоограничительного резистора. Если и в этом случае импульсы не появились, то возможно вышла из строя микросхема или на нее не поступает цифровой сигнал с микросхемы сенсора. В случае неисправности микросхем, ремонт контроллера экономически нецелесообразен.
 
В случае наличия сигналов с микросхемы нужно последовательно прикоснуться щупом к стокам транзисторов (местам пайки выходных RGB проводников). Если транзисторы исправны, то на экране осциллографа должны появиться прямоугольные импульсы размахом около 12 В, как на фотографии. Если импульсов нет, значит в обрыве переход транзистора исток-сток, если импульсы размахом всего 5 В, значит, имеет место пробоя между затвором и стоком, а вывод истока в обрыве. Неисправный транзистор подлежит замене.
В случае, если в светодиодном освещении не горит один или два цвета, то проверить ключевые транзисторы неработающих каналов можно и без осциллографа. Для этого нужно выходной провод отсутствующего цвета, и на котором присутствует цвет, поменять местами, перепаяв на плате. Например, лента не светит красным цветом, зеленый и синий цвета есть. Отпаиваете от платы красный провод и зеленый. Красный припаиваете на место зеленого, а зеленый на место красного. Включаете систему, если красный цвет появился, а зеленый нет, значит, точно не работает ключевой транзистор и его нужно заменить.
Полевой транзистор P3055LD в корпусе DPAK (ТО-252) и его аналоги часто применяются в материнских платах компьютеров. Для замены при ремонте контроллеров я использовал аналог транзистора P3055LD, транзисторы типа P3055LDG и PHD3355L из неисправных материнских плат компьютеров.




































